МИНИСТЕРСТВО ОБРАЗОВАНИЯ РОССИЙСКОЙ ФЕДЕРАЦИИ
БАШКИРСКИЙ ГОСУДАРСТВЕННЫЙ УНИВЕРСИТЕТ
Методические указания к выполнению лабораторной работы № 12 по электричеству
ИССЛЕДОВАНИЕ МАГНИТНОГО ПОЛЯ ЗЕМЛИ И ОПРЕДЕЛЕНИЕ ЭЛЕКТРОДИНАМИЧЕСКОЙ ПОСТОЯННОЙ С ПОМОЩЬЮ ТАНГЕНС-ГАЛЬВАНОМЕТРА
УФА – 2009
Печатается по решению кафедры общей физики
от 1 июля 2009г., протокол №6
Составители:
ИССЛЕДОВАНИЕ МАГНИТНОГО ПОЛЯ ЗЕМЛИ И ОПРЕДЕЛЕНИЕ ЭЛЕКТРОДИНАМИЧЕСКОЙ ПОСТОЯННОЙ С ПОМОЩЬЮ ТАНГЕНС-ГАЛЬВАНОМЕТРА.
Цель работы: изучение устройства и принципов работы тангенс-гальванометра, Определение горизонтальной составляющей магнитного поля Земли, определение электродинамической постоянной.
Приборы и принадлежности: тангенс – гальванометр, источники постоянного и переменного тока, вольтметр, амперметр, батарея конденсаторов.
Краткая теория.
Наша планета, подобно гигантскому магниту, обладает магнитным полем (земной магнетизм или геомагнетизм).
Земля в целом представляет собой огромный шаровый магнит. В любой точке пространства, окружающего Землю, и на ее поверхности обнаруживается действие магнитных сил. Иными словами, в пространстве, окружающем Землю, создается магнитное, силовые линии которого изображены на рисунке. Северный магнитный полюс N находится на южном географическом S и наоборот.
Существование магнитного поля в любой точке Земли можно установить с помощью магнитной стрелки. Если подвесить магнитную стрелку NS на нити Lтак, чтобы точка подвеса совпадала с центром тяжести стрелки, то стрелка становится по направлению касательной к силовой линии магнитного поля Земли. В северном полушарии – южный конец будет наклонён к Земле и стрелка составит с горизонтом угол наклонения θ (на магнитном экваторе наклонение θ равно 0). Вертикальная плоскость, в которой расположится стрелка, называется плоскостью магнитного меридиана. Все плоскости магнитных меридианов пересекаются по прямой NS, а следы магнитных меридианов на поверхности Земли сходятся в магнитных полюсах N и S. Так как магнитные полюса не совпадают с географическими полюсами, то стрелка будет отклонена от географического меридиана. Угол который образует вертикальная плоскость, проходящая через стрелку (т.е. магнитный меридиан) с географическим меридианом, называется магнитным склонением α.
Существующие в настоящее время теории Земного магнетизма можно разбить на две группы:
Теории, объясняющие наличие магнитного поля электрическими токами, циркулирующими на больших глубинах в жидком ядре Земли.
Теории, основанные на предположении, что земная кора содержит в разных своих участках различное количество магнитных пород.
Однако происхождение магнитного поля Земли в настоящее время ещё не выяснено
Характеристикой магнитного поля Земли, как и всякого магнитного поля, служит вектор магнитной индукции
и его составляющие. Для разложения вектора
на составляющие обычно принимают прямоугольную систему координат, в которой ось
ориентируют по направлению географического меридиана, а ось
– по направлению параллели, при этом положительным считается направление оси
к северу, а оси
- к востоку. Третья ось
в таком случае примет вертикальное положение.

рис. 1
На рис. 1 изображен вектор
и его проекции на координатные оси и плоскость XY. Проекция этого вектора на ось X северной составляющей и обозначается
X
, проекция на ось Y называется восточной составляющей
Y и проекция на ось Z вертикальной составляющей
Z.
Проекция
на плоскость XOY называется горизонтальной составляющей магнитной индукции поля Земли:

с
=
Плоскость
, в которой лежит вектор
, называется плоскостью магнитного меридиана, а угол
между этой плоскостью и плоскостью
– магнитным отклонением.
Склонение, наклонение, горизонтальная составляющая, а также составляющие: северная, восточная и вертикальная – называются элементами Земного магнетизма.
Определение горизонтальной составляющей
0 удобно сделать с помощью так называемого ТАНГЕНС-ГАЛЬВАНОМЕТРА, устройство которого показано на рис. 2.

рис. 2
Рассмотрим круговой проводник, радиуса
состоящий из
витков, расположенных в вертикальной плоскости геомагнитного меридиана. В центре кругового проводника поместим магнитную стрелку, вращающийся вокруг вертикальной оси. Если по катушке пропустить ток
, то возникает магнитное поле индукции
тока, направленное перпендикулярно к плоскости катушки.
Таким образом, на магнитную стрелку будут действовать две взаимно перпендикулярные составляющие индукции: магнитного поля Земли и магнитного поля тока. Магнитная стрелка отклоняется на угол β, то есть устанавливается по направлению равнодействующей
i, - по диагонали параллелограмма, сторонами которого будут
тока и
0
Легко видеть, что
тока =
0
,
тока=
0
, (1)
Поэтому:
0=
0
=
0
(2)
Где
– постоянная (для данной точки Земли) тангенс гальванометра.
Следует помнить, что (2) является приближенной, т. е. верной только в том случае, когда размер магнитной стрелки много меньше радиуса
кругового тока. В противном случае конечная длина стрелки требует внесения определенных поправок. Можно показать, что если магнитная стрелка помещается в центре кругового тока, а на расстоянии
от него, то в этом случае поле
тока =
0
.
Ниже будет показано, что самое благоприятное для измерений значение угла
будет в том случае, когда этот угол близок к
.

рис. 3.
Схема установки приведена на рис. 3.
Б – источник напряжения,
R – реостат,
MA – миллиамперметр,
П – переключатель напряжения тока в тангенс – гальванометр,
ТГ – тангенс – гальванометр
Определение горизонтальной составляющей магнитного поля Земли.
· Собрать схему на рис. 3;
· Поворачивая подставку гальванометра, установить его катушку так, чтобы она лежала в плоскости геомагнитного меридиана:
· Включают ток в обмотку тангенс – гальванометра, и измеряя его величину с помощью реостата
, добиваются поворота стрелки на угол
, фиксируют это значение тока i1. Затем меняют положение переключателя П, вновь добиваются поворота стрелки на угол 45˚, фиксируют значение тока i2.
· Рассчитывают это значение тока
и вычисляют по (2) значение
(в Тл). Полагая
= 100 витков,
= 10,25 см;
· Оценивают по (3) максимальную погрешность измерения
, считая что значение
известно точно, а абсолютная погрешность
не превышает половины деления лимба и относительная погрешность в измерении тока определяется лишь классом точности миллиамперметра.
Поскольку катушку тангенс – гальванометра трудно точно установить в направлении север – юг. Можно производить измерение
без предварительной ориентировки катушки, фиксируя углы
и
от начального положения для обоих направлений тока определенной величины.

рис. 4.
Из рис. 4 видно, что:
;
; 
; (3)
; 
где
и
– индукция поля катушки при различных направлениях тока в ней.
Решение (3) дает:
(4)

пользуясь (4) можно определить
без предварительной ориентировки катушки тангенс – гальванометра;
- воспользовавшись формулой (4) определить значение
без предварительной ориентировки катушки тангенс – гальванометра. Измерения произвести при нескольких значениях тока в цепи катушки (3 – 4 значения) и по полученным значениям
определить ее среднеарифметическую величину;
- вывести условие, при котором наиболее выгодно производить измерение
, получив формулу:
(5)
Определение электростатической постоянной с помощью тангенс-галльванометра.
Основными е6диницами в системе CGSE являются 1 см, 1 г и 1 с. Количество электричества (заряд) в этой системе определяется из закона Кулона:
, (6)
где
- диэлектрическая проницаемость среды (в CGSE – величина безразмерная).
За единицу заряда в системе CGSE принимается такой заряд, который взаимодействует в вакууме (
= 1) с равным по величине зарядом, находящимся на расстоянии 1 см, с силой в 1 дин =10-5 Н.
Из (6) следует, что размерность заряда:
.
Поскольку ток определяется количеством электричества, прошедшим через поперечное сечение проводника за 1 с (
), его размерность равна:

Непосредственное измерение тока в системе CGSE затруднено, поэтому в данном упражнении величина
определяется путем измерения емкости конденсатора
и разности потенциалов
на его обкладках.
За единицу разности потенциалов в соответствии с формулой
принимается разность потенциалов между двумя точками, перемещение единичного заряда между которыми сопровождается затратой работы в 1 Эрг. Размерность разности потенциалов:
.
За единицу емкости [C]... принимается емкость проводника, при сообщении которому заряда в 1 ед. CGSE [ x] потенциал проводника изменяется на 1 ед. CGSE [U] размерность емкости
см.
Основными единицами системы CGSM являются 1 см, 1 г, 1 с. Ток в этой системе определяется на основе определения силы взаимодействия двух бесконечных длинных параллельных проводников:
, (7)
где
и
- токи в проводниках,
r – расстояние между ними.
l – отрезок проводника, на которой рассчитывается сила,
m - магнитная проницаемость среды (безразмерная вeличина в CGSM).
За единицу тока в CGSM принимают такой ток, который, протекая по двум параллельным проводникам бесконечной длины и ничтожно малого поперечного сечения, расположенным на расстоянии 2 см друг от друга в вакууме (m = 1), вызывает силу взаимодействия между ними, равную 1 дине на 1 см длины проводника.
Из (7) следует, что размерность силы тока:
.
Точные эксперименты, проведенные Вебером В. и Кольраушем Ф. (1856 г.), Столетовым А. Г. (1876 г.), Эйхенвальдом А. А. (1901 г.) показали, что отношение единиц силы тока в системах CGSE и CGSM численно равно:
,
Где
– электростатическая постоянная, размерность, которой равна:

Таким образом, электродинамическая постоянная совпадает со скоростью света в вакууме не только по абсолютной величине, но имеет размерность скорости. Численное значение
может быть определено, если ток одной и той же величины измерять в обеих системах единиц. В данной работе ток в системе CGSM будем измерять с помощью тангенс – гальванометра, а в системе CGSE - косвенным путем. Наблюдая разряд конденсатора.
Из (8) следует, для выражения одного и того же тока в системе CGSE используется число, которое в
раз больше, чем для выражения того же тока в системе CGSM.
Следовательно, единица тока системы CGSE: в
раз меньше единицы тока системы CGSM:


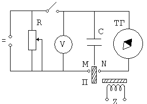
рис. 5.
На рис. 5 показана принципиальная схема для определения величины
. Электромагнитный прерыватель П попеременно замыкает контакты M и N, тем самым заряжает конденсатор
и разряжает его через обмотку тангенс – гальванометра ТГ. Напряжение на пластинках конденсатора измеряется вольтметром
. Подаваемое напряжение регулируется потенциометром
.
Если конденсатор емкостью
, заряженный до потенциала
разрядить через витки тангенс – гальванометра. То через них протечет заряд
. Если
раз в секунду последовательно заряжать конденсатор от источника тока и разряжать через витки гальванометра, то через них протечет заряд
. Средний ток, проходящий через витки, будет равен:
,
где
и
– выражены в системе CGSE.
Значение тока в системе CGSM определяется с помощью тангенс – гальванометра, если известна горизонтальная составляющая
напряженности магнитного поля Земли:
, (10)
где
и
– радиус и число витков катушки тангенс – гальванометра,
- угол отклонения магнитной стрелки.
Величина
в (10) должна быть выражена в Эрстедах, а радиус
– в см.
Из (9) и (10) легко получим:
(11)
Порядок выполнения работы таков:
- собрать схему установки в соответствии с рис. 5;
- установить тангенс – гальванометр так, чтобы его обмотка находилась в плоскости геомагнитного меридиана;
- замкнуть цепь переменного тока и цепь постоянного тока,
- измерить вольтметром напряжение
и угла
повторяют 3 – 4 раза, всякий раз замыкая и размыкая цепь постоянного тока. Из полученных значений находят среднее.
- По (11) определяют величину
, при этом разность потенциалов
должна быть выражена в системе CGSE. Значение
принять равным 0.14 Э.
- Изменяют направление тока ив обмотке тангенс гальванометра, поменяв метами концы проводников, подходящих к его зажимам. При этом стрелка будет отклоняться в сторону, противоположную отклонению при первом измерении. Снова измеряют угол
и напряжение
;
- Вычислить среднее значение
;
- Определить абсолютную и относительную ошибки в определении величины
.
-
КОНТРОЛЬНЫЕ ВОПРОСЫ:
- рассказать о принципах построения системы единиц CGSE и CGSM,
- определить единицы тока в обеих системах,
- объяснить устройство и принцип действия тангенс – гальванометра,
- дать определение основным элементам земного магнетизма.
ЛИТЕРАТУРА:
Рублев Ю.В., Кортнев А.В., Куценко А.Н. Практикум по электричеству. М.: Высшая школа, 1971.
Гольдин Л.Л. руководство к лабораторным занятиям по физике. М.: Наука, 1973.
Савельев И.В. Курс общей физики. Электричество. М.: Наука, 1987.
Иверонова В.И. физпрактикум. М.: Наука, 1968.






