Говорить о применении микропроцессорных систем, это значит говорить практически обо всех технических устройствах, которые нас окружают. В любой области электротехники: в электроснабжении, электроприводе, электроосвещении применяются от простейших схем под управлением 8-разрядных микроконтроллеров до сложнейших микропроцессорных систем с многоуровневым сетевым управлением.
Обратим внимание на программируемые контроллеры (их также называют программируемые реле) LOGO! Siemens, предназначенные для построения наиболее простых устройств автоматического управления. Для работы с LOGO! не требуется специальных знаний по микропроцессорной техники и языкам программирования, а достаточно основ электротехники и цифровой электроники (тоже основ). Кроме того, программные продукты компании Siemens распространяются в свободном доступе.
На рисунке 3.18 показан внешний вид контроллера LOGO! Basic и модуля расширения.

Рисунок 3.18 – Конструкция контроллера LOGO! Basic и модуля расширения
Алгоритм функционирования модулей задаётся программой, составленной из набора встроенных функций — FBD (Function Block Diagram) — графический язык программирования. Программирование модулей может производиться либо с компьютера, оснащенного программой LOGO Soft Comfort, либо установкой запрограммированного модуля памяти, либо с их клавиатуры (при её наличии) без использования дополнительного программного обеспечения.
|
|
|
Стоимость контроллера и модулей расширения не высока, что даёт возможность применять их даже для автоматизации и не сложных процессов.

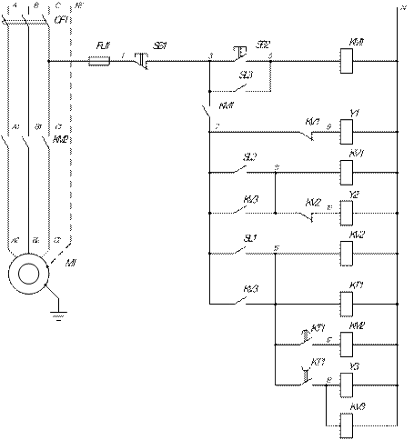
Рисунок 3.20 – Релейно-контакторная схема смесительного устройства
Исходя из технического задания (рисунок 2.5 часть 1 «Основы автоматики»), составим классическую релейно-контакторную схему (рисунок 3.20).
Эта же схема, выполненная на контроллере LOGO! (рисунок 3.21). Кроме самого контроллера в схеме из элементов присутствуют только датчики, органы управления и исполнительные механизмы. Значит схема намного надёжнее своего классического аналога.

Рисунок 3.21 – Схема смесительного устройства на контроллере LOGO!
Маркировка контроллера LOGO!230RC указывает: питающее напряжение - 115-240 В постоянного или переменного тока, выходы релейного типа (ток нагрузки - 3 А для индуктивной нагрузки).
Для программирования LOGO! необходимо создание коммутационной программы. Коммутационная программа создаётся с помощью пакета LOGO!Soft Comfort — программное средство для программирования LOGO!, которое используется для простого и быстрого создания, тестирования, изменения, сохранения и распечатки коммутационных программ.
У LOGO! есть входы и выходы. Входы обозначаются буквой I и номером. Выходы обозначаются буквой Q и номером.
|
|
|
Цифровые входы и выходы могут принимать состояние «0» или «1». «0» означает, что на входе нет напряжения; «1» означает, что оно есть.
Блок в LOGO! – это функция, которая преобразует входную информацию в выходную информацию.
На рисунке 3.22 представлен вариант коммутационной схемы контроллера смесительного устройства, созданный в среде LOGO!Soft Comfort. При создании коммутационной программы связываем соединительные элементы с блоками. Простейшими блоками являются логические операции. Также в схеме использованы триггеры и блок задержки выключения.
Коммутационная программа отражает алгоритм (логику) работы схемы управления. Графически реализованная схема на типовых блоках и соединительных элементах в дальнейшем преобразуется в логическую структуру контроллера.

Рисунок 3.22 – Коммутационная схема смесительного устройства






