Рис. 4.11. Схема соединения электрических цепей в контроллере крана машиниста № 395 - 000 - 5
Рис. 4.10. Схема соединения электрических цепей в контроллере крана машиниста № 395 – 000
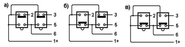
а - при поездном положении; б - при перекрыше; в - при торможениях.
Схема контактов микропереключателей контроллера крана машиниста № 395-000 при разных положениях ручки крана приведена на (Рис. 4.10), где цифрами обозначены провода 1 - плюсовый; 2 - к реле СК срывного клапана (свободный); 3 - к реле вентиля перекрыши и 4 -к реле тормозного вентиля.

а - при поездном положении; б - при перекрыше; в - при торможениях.
Кран машиниста № 395-000-5 имеет контроллер с двумя микропереключателями и измененной электрической схемой (Рис. 4.11) для управления ЭПТ на электро- и дизель- поездах.
Кран машиниста усл.№ 334Э (Рис. 4.12) состоит из корпуса, редуктора усл.№ 348 и контроллера ЕК-8АР.

Корпус 7 крана состоит из золотниковой (левой) и уравнительной (правой) частей. В золотниковой части корпуса 7 расположен золотник 3, в зеркале которого имеется дроссельное отверстие диаметром 1,8 мм. (показано на рис. 4.15). Полость «А» над золотником закрыта резьбовой крышкой 13. Золотник соединен с ручкой 11 при помощи стержня 15, нижняя часть которого имеет клиновидною форму. На верхней квадратной части стержня имеется канавка для штифта 14. Стержень уплотнен резиновой манжетой 18, которая упирается в шайбу 12. Ручка крана сверху закреплена гайкой 16 и контргайкой 17, выполненной в виде колпачка. Внутри ручки крана помещен фиксатор (кулачок) 9, который прижимается пружиной 10 к градационному сектору корпуса крана.
В уравнительной части корпуса 7 расположен уравнительный поршень 20, уплотненный металлическим кольцом 21. Полость «Б» над уравнительным поршнем закрыта крышкой 19 и по каналу в корпусе (см рис. 4.15) сообщается со штуцером 6, к которому через резиновую прокладку 4 при помощи соединительной гайки 5 присоединена трубка от уравнительного резервуара (УР) объемом 12 л.
Хвостовик уравнительного поршня 20 притерт к седлу 22 и выполняет роль выпускного клапана (в верхнем положении уравнительного поршня сообщает полость «Б» и ТМ с атмосферой - АТ). Имеется также атмосферный выход с задней стороны корпуса крана.
Кран машиниста соединен с трубами питательной (ПМ) и тормозной (ТМ) магистралей с помощью накидных гаек 1, резиновых прокладок 3 и фланцевых колец 2.
Кран машиниста усл.№ 334Э имеет 6 положений ручки:
I - отпуск и зарядка;
IIА - поездное;
II - поездное (при управлении пневматическими тормозами);
- перекрыша с питанием ТМ (при управлении электропневматическими тормозами);
III - перекрыша без питания ТМ;
IV - служебное торможение;
V - экстренное торможение.
Редуктор усл.№ 348 (Рис.4.13) предназначен для поддержания нормального зарядного давления в ТМ при поездном положении ручки крана машиниста.

Редуктор крепится к корпусу крана через резиновую прокладку с помощью двух шпилек и состоит из питательной (на рис.4.13 расположенной слева) и возбудительной (на рис.4.13 расположенной справа) частей, объединенных в одном корпусе.
В питательной части находятся уплотненный манжетой поршень 37, в диске которого запрессован ниппель 38 с калиброванным отверстием 39 диаметром 0,5 мм, и питательный клапан 24, который пружиной 23 прижимается к седлу 40. Хвостовик питательного клапана входит в вырез штока поршня 37, Полость П2 с правой стороны диска поршня закрыта резьбовой крышкой 36.
В возбудительной части редуктора расположен возбудительный клапан 28 с фильтром 27. Клапан сверху закрыт резьбовой пробкой 25 и пружиной 26 прижимается к седлу 29. Клапан 28 опирается на металлическую диафрагму 30, которая прижата к корпусу гайкой 35. Снизу на диафрагму через направляющую 31 действует регулировочная пружина 32, затяжка которой изменяется регулировочным стаканом 33 с контргайкой 34.
Редуктор работает следующим образом. Регулировочная пружина 32 устанавливается на требуемое зарядное давление стаканом 33, который закрепляется контргайкой 34. Сжатый воздух из питательной магистрали (ПМ) поступает в полость П1 к питательному клапану 24 и одновременно по каналам ПМ1 и ПМ2, через открытый возбудительный клапан 28 и канал ПМЗ в полость П2 справа от диска поршня 37. Под действием воздуха поршень перемещается влево и отжимает от седла питательный клапан 24, который начнет пропускать воздух из полости П1 в полость М2 и далее в ТМ, то есть питательная и тормозная магистрали оказываются сообщенными между собой. Одновременно сжатый воздух из полости М2 по каналу ТМ1 поступает в полость М1 над диафрагмой 30. При выравнивании силы давления сжатого воздуха в полости над диафрагмой и усилия регулировочной пружины 32 возбудительный клапан 28 под действием пружины 26 прижмется к седлу 29 (закроется), разобщая каналы ПМ2 и ПМ3. При этом происходит выравнивание давлений по обе стороны диска поршня 37 через калиброванное отверстие 39 диаметром 0,5 мм. Усилием пружины 23 питательный клапан 24 садится на седло 40, разобщая ПМ и ТМ. Таким образом, питание ТМ будет прекращено.
При падении давления в ТМ ниже зарядного диафрагма 30 прогнется ниже, открывая возбудительный клапан 28, и питание ТМ возобновится.
Контроллер ЕК-8АР служит для управления электропневматическими тормозами (ЭПТ) поезда.
Контроллер (Рис.4.14) состоит из пластмассового корпуса 7, трех медных сегментов 8 и колодки 4. Корпус контроллера крепится к корпусу крана машиниста винтами 5 и закрывается крышкой 15, которая закрепляется гайками 16 на стойках 17. Сегменты 8 укреплены на корпусе каждый двумя винтами 9 через пружинные шайбы.
На приливе ручки 6 крана машиниста тремя винтами 1 закреплен изолятор 2 контроллера, к которому винтами 3 присоединена колодка 4. На колодке с помощью винтов 10 с пружинными шайбами укреплены три пружинящих пальца 14, соединенные винтами 13 и гайками 12 с тремя упорами 11.
К медным сегментам с помощью винтов 10 присоединены линейные провода ЭПТ:
Ø к нижнему сегменту - провод плюсовой (питающий);
Ø к среднему сегменту - провод отпускной;
Ø к нижнему сегменту - провод тормозной.
На выходе из контроллера провода присоединены к корпусу скобой.
При повороте ручки КМ контактные пальцы 14 обеспечивают переключение линейных проводов ЭПТ за счет обеспечения электрического контакта между сегментами.

Вентиль перекрыши ВП- 4700 (Рис.4.15)
Состоит из электрической (верхней) и пневматической (нижней) частей. Электрическая часть включает в себя катушку 43 электромагнита, которая получает питание по линейным проводам ЭПТ: № 45 - контрольный и № 30 - минусовой (питающий). Якорь 45 соединен со стержнем 44, который перемещается в сердечнике 41. Верхний конец стержня упирается в пружину 42, а нижний конец выполняет роль клапана 46 с резиновым уплотнением.
В корпусе пневматической части имеется калиброванное отверстие диаметром 2,5 мм.
Вентиль перекрыши соединен с УР и через разобщительный кран с питательной магистралью (ГР).
Действие крана машиниста усл.№ 334Э (Рис. 4.15)

Отпуск и зарядка (положение I). Воздух из ГР проходит в полость над золотником, откуда по каналу в золотнике поступает в ТМ и в полость под уравнительным поршнем, а также двумя путями перетекает в УР и в полость над уравнительным поршнем: непосредственно через золотник и через калиброванное отверстие диаметром 1,8 мм. Часть сжатого воздуха из ГР через золотник и открытый питательный клапан редуктора также проходит в ТМ (на схеме работы КМ этот канал в золотнике не показан).
Отпускной и тормозной провода обесточены.
Поездное положение (IIА). ТМ через выемку золотника сообщена с полостью под уравнительным поршнем и УР, вследствие чего давления в УР и ТМ выравниваются.
Воздух из ГР через золотник проходит к питательному клапану 24 редуктора и одновременно к его возбудительному клапану 28. В случае падения давления в ТМ ниже зарядного, на которое отрегулирован редуктор, последний будет питать ТЫ так, как это описано выше при рассмотрении работы редуктора.
Отпускной и тормозной провода обесточены.
Поездное положение (II) для управления пневматическими тормозами (перекрыша с питанием тормозной магистрали при управлении ЭПТ). При управлении пневматическими тормозами работа КМ аналогична положению IIA.
При управлении ЭПТ в ТМ также поддерживается зарядное давление за счет работы редуктора. Отпускной провод под напряжением, тормозной провод обесточен.
Перекрыша без питания тормозной магистрали (положение III). В этом положении золотник разобщает ГР. УР и ТМ. Редуктор выключен из работы и питания утечек из ТМ не происходит.
Отпускной провод под напряжением, тормозной - обесточен.
Служебное торможение (положение IV). При постановке ручки крана машиниста в положение служебного торможения полость над уравнительным поршнем и УР через калиброванное отверстие диаметром 1,8 мм в золотнике разряжаются в атмосферу. Время понижения давления с 5 до 4 кгс/см2 (при объеме УР 12 л) составляет 4-5с.
Давлением ТМ уравнительный поршень поднимается и конусной частью своего хвостовика, выполняющей роль выпускного клапана, сообщает полость под уравнительным поршнем (тормозную магистраль) с атмосферным каналом диаметром 8 мм в корпусе. Воздух из ТМ начинает выходить в атмосферу. Как только давление в ТМ станет несколько ниже (на величину чувствительности уравнительного поршня), чем в УР, поршень переместится вниз и своим хвостовиком разобщит полость под уравнительным поршнем и атмосферный канал. Разрядка ТМ в атмосферу прекращается.
При управлении ЭПТ отпускной и тормозной провода находятся по напряжением. При этом за счет работы схемы ЭПТ по проводу № 45 получает питание катушка БП-4700. Якорь 45 притягивается к сердечнику 41 и клапан 46 открывается. Воздух из ГР проходит в камеру клапана, откуда через калиброванное отверстие диаметром 2,5 мм - в УР и в полость над уравнительным поршнем. Таким образом, в процессе торможения ЭПТ IV-м положением давление в УР (в полости над уравнительным поршнем) не снижается и. следовательно, разрядки ТЫ не происходит.
Экстренное торможение (положение V). УР и полость над уравнительным поршнем разряжаются в атмосферу через золотник тем же путем, что и при служебном торможении.
Одновременно ТМ напрямую через золотник сообщается с атмосферным каналом сечением 4,5см. Темп падения давления в ТМ (под уравнительным поршнем) выше, чем в УР (над поршнем), поэтому уравнительный поршень остается в нижнем положении и разрядку ТМ не производит.
При управлении ЭПТ отпускной и тормозной провода - под напряжением.