Принципы организации однокристальных микроконтроллеров.
ЦИФРОВЫЕ И МИКРОПРОЦЕССОРНЫЕ УСТРОЙСТВА
Конспект лекций
для студентов специальностей
2-45 01 03 – Сети телекоммуникаций
2-45 01 02 – Системы радиосвязи, радиовещания и телевидения
В 5 частях
Часть 5
Минск
УДК 81.332
ББК 32.97
Ц75
Рекомендовано к изданию
кафедрой информатики и вычислительной техники
15 января 2008 г., протокол № 4
Составитель
В. И. Богородов, преподаватель высшей категории кафедры информатики и вычислительной техники
Рецензент
Е. В. Новиков, зав. кафедрой информатики и вычислительной техники, доцент, канд. техн. наук
| Ц75 | Цифровыеи микропроцессорные устройства: конспект лекций для студентов специальностей 2-45 01 03 – Сети телекоммуникаций, 2-45 01 02 – Системы радиосвязи, радиовещания и телевидения. В 5 ч. Ч. 5: Принципы организации однокристальных микроконтроллеров. Организация памяти микропроцессорных систем / сост. В. И. Богородов. – Минск: ВГКС, 2008. – 79 с. ISBN 978-985-6866-57-2. Рассматриваются особенности микроконтроллеров, основные технические данные и структура однокристального микроконтроллера PIC16F84. Описываются назначение узлов и сигналов, организация памяти и система команд, программирование регистров общего назначения и специальных регистров, портов ввода/вывода микроконтроллера PIC16F84, реализация специальных функций, а также принципы схемотехнической реализации оперативных и постоянных запоминающих устройств. Предназначено для студентов и преподавателей колледжа. УДК 81.332 ББК 32.97 |
ISBN 978-985-6866-57-2 (ч. 5) © Учреждение образования
978-985-6866-43-5 «Высший государственный
колледж связи», 2008

ВВЕДЕНИЕ
В пятой части конспекта лекций рассматриваются особенности микроконтроллеров по сравнению с универсальными микропроцессорными системами, а также структурная схема однокристального микроконтроллера PIC16F84. Описываются назначение узлов и сигналов, организация памяти команд и памяти данных, система команд и программирование регистров общего назначения и специальных регистров, а также реализация специальных функций. Приводятся примеры последовательностей команд для программирования регистров специальных функций и инициализации портов ввода/вывода.
Рассматриваются назначение, типы и параметры запоминающих устройств микропроцессорных систем. Описываются принципы схемотехнической реализации оперативных и постоянных запоминающих устройств, а также Кэш и Флэш-памяти.
ОБЩИЕ СВЕДЕНИЯ И ПРИНЦИПЫ ОРГАНИЗАЦИИ ОДНОКРИСТАЛЬНЫХ МИКРОКОНТРОЛЛЕРОВ
Общие сведения о микроконтроллерах
Микроконтроллеры (МК) – разновидность микропроцессорных систем (микроЭВМ), ориентированная на реализацию алгоритмов управления техническими устройствами и технологическими процессами. В сравнении с универсальными микроЭВМ микроконтроллеры проще, поэтому практически всю схемотехнику МК можно разместить на одном кристалле. Отсюда второе название МК – однокристальная микроЭВМ. Разработка МК означала появление БИС такой функциональной законченности, которая позволяет решать в полном объеме задачи определенного класса.
Что отличает МК от микроЭВМ универсального назначения? Прежде всего, это малый объем памяти и менее разнообразный состав внешних устройств. В состав универсальной микроЭВМ входят модули памяти большого объема и высокого быстродействия, имеется сложная иерархия ЗУ, поскольку многие задачи (автоматизированное проектирование, компьютерная графика, мультимедийные приложения и др.) без этого решить невозможно. Для МК ситуация иная: они реализуют заранее известные несложные алгоритмы, и для размещения программ им требуются емкости памяти на несколько порядков меньше, чем у микроЭВМ широкого назначения. Набор внешних устройств также существенно сужается, а сами они значительно проще. В результате модули микроЭВМ конструктивно самостоятельны, а МК выполняется на одном кристалле, хотя в его составе имеются модули того же функционального назначения.
Сопоставляя микропроцессор (т.е. центральный процессорный элемент системы) и МК (т. е. микросхему простой системы в целом) с точки зрения коммерческих потребностей, можно четко видеть преобладание МК. Число пользователей МК в несколько раз превышает число пользователей отдельных микросхем МП. Применение МК поддерживается такими областями массового производства, как бытовая аппаратура, связь, станкостроение, автомобильная промышленность и т.д.
Первые МК выпущены фирмой Intel в 1976 г. (восьмиразрядный МК 8048). В настоящее время многими поставщиками выпускаются 8-, 16- и 32-разрядные МК с емкостью памяти программ до десятков Кбайт, небольшими ОЗУ данных и набором таких интерфейсных и периферийных схем, как параллельные и последовательные порты ввода/вывода, таймеры, аналого-цифровые и цифро-аналоговые преобразователи, широтно-импульсные модуляторы и др. Несмотря на появление новых 16- и 32-разрядных МК, наиболее широко используются 8-разрядные.
Принципы организации однокристальных МК рассмотрим на примере микроконтроллеров PICmicro семейства PIC16.
Микроконтроллер PIC16F84
Общие сведения
Однокристальные микроконтроллеры содержат в одном корпусе интегральной микросхемы все функциональные блоки электронной вычислительной машины: арифметико-логическое устройство (АЛУ), устройство управления (УУ), операционные регистры, управляющие регистры, память программ, память данных, порты ввода/вывода. Кроме этого, на кристалле микросхемы часто размещают и периферийные устройства, такие, как аналого-цифровой преобразователь (АЦП), цифро-аналоговый преобразователь (ЦАП), компараторы, таймеры, энергонезависимая память, драйверы стандартных последовательных интерфейсов и др. Однокристальные микроконтроллеры предназначены для работы по одной программе, записываемой в энергонезависимую память программ и не меняемой в течение всего цикла эксплуатации. Они, как правило, являются встроенными в аппаратуру вычислительными машинами и выполняют функции управления, а также формирования и обработки сигналов и информации.
В настоящее время ОМК производят несколько десятков фирм, среди них микроконтроллеры PICmicro американской фирмы Microchip Technology Inc. Они отличаются высокой производительностью, низким энергопотреблением, гибкой и развитой архитектурой, широкими функциональными возможностями, развитой периферией, простотой в освоении, низкой стоимостью. В зависимости от производительности и функциональных возможностей PICmicro подразделяются на семейства: PIC12, PIC16, PIC17 и PIC18. Самые простые модели выпускаются в 8-выводных, а сложные – в 80-выводных корпусах. При этом все семейства имеют общую базовую архитектуру и систему команд, что упрощает их изучение.
Микроконтроллер PIC16F84 разработан в соответствии с модифицированной гарвардской архитектурой и изготавливается по КМОП-технологии. Он имеет внутреннюю энергонезависимую электрически перепрограммируемую память программ (EEPROM) емкостью 1 К 14-разрядных слов, 8-битную длину машинного слова и 64-байтовую внутреннюю память данных. Система команд включает 35 инструкций (команд). Все команды имеют длину в одно слово разрядностью 14 бит и исполняются за один цикл (400 нс при тактовой частоте 10 МГц), кроме команд перехода, которые выполняются за два цикла (800 нс). PIC16F84 имеет прерывание, срабатывающее от четырех источников, и восьмиуровневый аппаратный стек. Периферия включает в себя 8-битный таймер/счетчик с 8-битным программируемым предварительным делителем (фактически 16-битный таймер), 64 8-битных энергонезависимых ячеек памяти данных и 13 линий двунаправленного ввода/вывода. Высокая нагрузочная способность (25 мА – максимальный втекающий ток, 20 мА – максимальный вытекающий ток) линий ввода/вывода упрощает внешние драйверы, за счет чего уменьшается общая стоимость разрабатываемой системы.
Микроконтроллер способен работать в широком диапазоне тактовых частот – от 0 до 10 МГц, широком диапазоне питающих напряжений – от 2 до 6 В, в широком температурном диапазоне – от минус 40 до плюс 125 °С. Он отличается также низким энергопотреблением: 3 мА при напряжении питания 5 В и тактовой частоте 4 МГц, 50 мкА при питании 2 В и тактовой частоте 32 кГц.
Микроконтроллер PIC16F84 подходит для широкого спектра применений: от схем высокоскоростного управления электрическими двигателями до экономичных удаленных приемопередатчиков, измерительных приборов и связных процессоров.
Программа, записанная в ПЗУ, может быть защищена от считывания при помощи установки бита защиты в слове конфигурации. В режиме защиты программы содержимое памяти программы не может быть прочитано в исходном виде, тем самым невозможно реконструировать записанную программу. Кроме того, при установленном бите защиты невозможно допрограммировать контроллер.
Структурная организация
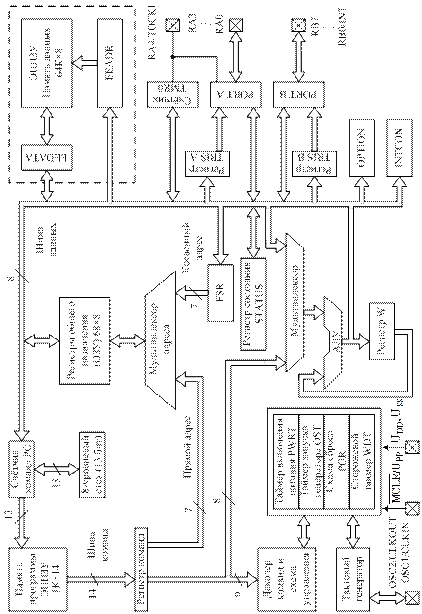
Структурная схема микроконтроллера PIC16F84 показана на рисунке 1. Архитектура микроконтроллера основана на концепции раздельных шин и областей памяти для данных и для программ (гарвардская архитектура). Это увеличивает скорость обмена по сравнению с традиционной принстонской архитектурой, в которой команды и данные передаются по одной и той же шине. Разделение шин команд и данных позволяет увеличить разрядность команды по сравнению с разрядностью данных. Шина данных и память данных (ОЗУ) имеют разрядность 8 бит, а программная шина и программная память (ПЗУ) – 14 бит. Такая концепция обеспечивает простую, но мощную систему однословных команд, разработанную так, что битовые, байтовые и регистровые операции работают с высокой скоростью и перекрытием по времени выборок команд и циклов выполнения. 14-битовая разрядность программной памяти обеспечивает выборку 14-битовой команды за один цикл. Двухступенчатый конвейер обеспечивает одновременную выборку следующей и исполнение текущей команды. Все команды выполняются за один машинный цикл, исключая команды переходов, которые выполняются за два цикла. В PIC16F84 программная память объемом 1 К×14 расположена внутри кристалла. Исполняемая программа может находится только во внутреннем ПЗУ.
Регистры PIC16F84 разделяются на две функциональные группы: специальные и общего назначения. Специальные регистры используются для управления режимами работы функциональных блоков микроконтроллера, регистры общего назначения (память данных) – для хранения переменных.
Микроконтроллер PIC16F84 использует прямую и косвенную адресацию всех регистров и ячеек памяти. Все специальные регистры и счетчик команд также адресуются как память данных. Симметричная система команд позволяет выполнять любую операцию с любым регистром, используя любой из названных выше методов адресации. Это облегчает программирование для PIC16F84.
В микроконтроллерах PIC16F84 имеется 8-разрядное арифметико-логическое устройство (АЛУ) и рабочий регистр W. АЛУ выполняет сложение, вычитание, сдвиг, битовые и логические операции. В командах, обрабатывающих два операнда, один из операндов содержится в рабочем регистре W. Второй операнд может быть константой или содержимым любого регистра ОЗУ. В командах с одним операндом операнд может быть содержимым рабочего регистра или любого регистра ОЗУ. Для выполнения всех операций АЛУ используется рабочий регистр W, который не может быть прямо адресован. Результат операции в АЛУ помещается либо в рабочий регистр W, либо в регистр ОЗУ.
В зависимости от результата выполнения операции изменяются значения битов переноса (С), десятичного переноса (DC) и нулевого результата (Z) в регистре состояния STATUS. При вычитании биты C и DC работают как биты заема и десятичного заема соответственно.
Условное графическое обозначение микроконтроллера PIC16F84 показано на рисунке 2, а назначение выводов приведено в таблице 1.


Таблица 1 – Назначение выводов ОМК PIC16F84
| Наименование | № | Тип | Логические уровни | Назначение |
| PORTA является двунаправленным портом ввода/вывода | ||||
| RA0 | I/O | TTL | ||
| RA1 | I/O | TTL | ||
| RA2 | I/O | TTL | ||
| RA3 | I/O | TTL | ||
| RA4/T0CKI | I/O | ST | Выход с открытым стоком/вход таймера TMR0 | |
| PORTB является двунаправленным портом ввода/вывода. Имеет на всех выводах программно включаемые подтягивающие резисторы | ||||
| RB0/INT | I/O | TTL/ST 1) | Вход внешних прерываний | |
| RB1 | I/O | TTL | ||
| RB2 | I/O | TTL | ||
| RB3 | I/O | TTL | ||
| RB4 | I/O | TTL | Прерывание по изменению состояния | |
| RB5 | I/O | TTL | Прерывание по изменению состояния | |
| RB6 | I/O | TTL/ST 2) | Прерывание по изменению состояния, тактирование при программировании | |
| RB7 | I/O | TTL/ST 3) | Прерывание по изменению состояния, данные при программировании | |
| I | ST | Вход сброса/напряжение программирования. Сброс низким уровнем | |
| OSC1/CLKIN | I | ST/CMOS 4) | Вход генератора/внешняя тактовая частота |
Окончание таблицы 1
| OSC2/CLKOUT | – | Выход генератора. Подключается к резонатору. В режиме RC-генератора выход 1/4 тактовой частоты OSC1 | ||
| P | – | Положительное напряжение питания | |
| P | – | Общий вывод | |
| Примечания 1) – I – вход, O – выход, I/O – вход/выход, P – питание, TTL – вход TTL, ST – вход с триггером Шмитта; 2) – буфер является триггером Шмитта при использовании в режиме внешних прерываний; 3) – буфер является триггером Шмитта при использовании в режиме последовательного программирования; 4) – буфер является триггером Шмитта при использовании в режиме RC-генератора и КМОП-входом в остальных случаях. |

Рисунок 2 – Условное графическое обозначение микроконтроллера PIC16F84
Входная тактовая частота, поступающая с вывода OSC1/CLKIN, внутри делится на четыре, и из нее формируются четыре циклические неперекрывающиеся тактовые последовательности Q1, Q2, Q3 и Q4. Содержимое счетчика команд PC увеличивается в такте Q1, команда считывается из памяти программы и защелкивается в регистре команд в такте Q4. Команда декодируется и выполняется в течение последующего цикла в тактах Q1…Q4. Временная диаграмма тактирования и выполнения команд изображена на рисунке 3.

Рисунок 3 – Временные диаграммы тактирования и выполнения команд
Организация памяти
Цикл выполнения команды состоит из четырех тактов: Q1…Q4. Выборка команды и ее выполнение совмещены по времени таким образом, что выборка команды занимает один цикл, а выполнение – следующий цикл. Эффективное время выполнения команды составляет один цикл. Если команда изменяет содержимое счетчика команд, например CALL, то для выполнения этой команды потребуется два цикла. Цикл выборки начинается с увеличения содержимого счетчика команд в такте Q1. В цикле выполнения выбранная команда защелкивается в регистр команд в такте Q1. В течение тактов Q2, Q3 и Q4 происходит декодирование и выполнение команды. В такте Q2 считывается память данных (чтение операнда), а запись происходит в такте Q4.
Внутренняя память в микроконтроллере PIC16F84 состоит из двух частей: памяти программы и памяти данных. Память программы и память данных имеют раздельные шины, поэтому доступ к ним может происходить одновременно. Память данных делится на регистры общего назначения (ОЗУ) и специальные регистры. Память данных PIC16F84 также содержит электрически перепрограммируемое ПЗУ (ЭППЗУ) данных. Эта память доступна косвенным образом через регистры EEADR, EEDATA, EECON1, EECON2. ЭППЗУ имеет объем 64 байта и адреса 00…3Fh.