КЛАССИФИКАЦИМЯ ПОЖАРОВ
Таблица 4.4.
Таблица 4.3.
Таблица 4.2
Таблица 4.1.
Символы классов пожаров

Пиктограммы к способу приведения любого огнетушителя к действию изображаются непосредственно на корпусе огнетушителя. При маркировке обозначаются также классы пожаров, которые можно гасить этим огнетушителем. Основные ехнические характеристики чаще всего используемых огнетушителей приведены в табл. 4.2 и 4.3.
Основные технические характеристики переносных огнетушителей
| Показатель | ОВП - 10 | ОП - 2 | ОП - 5 | ОП - 10 | ОХ - 3 | ОУ - 2 | ОУ - 5 | ||
| Вместимость корпуса, л | |||||||||
| Заряд | 6% водный раствор пенооб - разователя | Огнетушительные порошки типа Пирант, ПСБ - 3, П - 2АП | Хладон 114В5 | Диоксид углерода | |||||
| Количество заряда, л(кг) | (2) | (5) | (10) | (4.5) | (1.4) | (3.5) | |||
| Масса газа вытеснителя, г | - | - | - | ||||||
| Длительность выведения огнетушащего вещества минимальная, с | 12-15 | 18-20 | |||||||
| Длина струи огнетушащего вещества минимальная, м | 4,5 | 2,7 | 5,0 | 5,0 | 3,0 | 1,5 | 4,5 | ||
| Диапазон температур эксплуатации, оС | 5...45 | -40...50 | 50
| 50
| -60...50 | -40...50 | |||
| Огнетушащая способность относительно гашения модельного очага пожара класса, м2 | |||||||||
| А | 4,78 | 4,78 | 12,25 | 19,7-25,34 | Нет данных | - | - | ||
| В | 1,76 | 0,41-0,7 | 2,81 | 4,52-5,75 | 0,70 | 0,41 | 0,70 | ||
| Габаритные размеры, мм | |||||||||
| - диаметр | |||||||||
| - высота | |||||||||
| Масса огнетушителя полная, кг | 15,5 | 4,5 | 10,5 | 15,5 | 7,1 | 7,0 | 13,0 | ||
Основные технические характеристики передвижных огнетушителей
| Показатель | ОВП- 100 | ОП- 50(з) | ОП-ЮО | ОК- 100 | ОУ- 25 | ОУ- 40 | ОУ- 80 | |
| Вместимость корпуса, л | 2х60 | |||||||
| Заряд | 6% водный раствор пенооб - разователя | Огнетушащие порошки типа Пирант, ПСБ- 3 | Раствор пенооб – разователя и порошок | Диоксид углероду | ||||
| Количество заряда, кг(л) | (86) | 46(47) | ||||||
| Вместимость газового баллона, л | — | — | — | — | ||||
| Длительность представления огнетушащего вещества минимальная, с | 45-60 | 40/30 | ||||||
| Длина струи огнетушащего вещества минимальная, м | - | - | - | - | ||||
| Диаметр, количество и длина рукавов мм*шт.-1м- 1 | 18/1х5 | 15/1х3, 5 | 82/1х10 | 25/2х10 | 9/1х3 | 9/1х5 | 9/2х10 | |
| Диапазон температур эксплуатации, оС | 5...60 | -20... 50 | -35...50 | 5...50 | -40... 50 | -40... 50 | -40...50 | |
| Огнетушащая способность по гашению модельного очага пожара класса, м2 | ||||||||
| А | 40,29 | 51,5 | 88,27 | Нет | 4,78 | - | 12,26 | |
| В | 6,5 | 8,0 | 7,10 | данных | 2,27 | 2,6 | 4,52 | |
| Габаритные размеры, мм | ||||||||
| - длина | ||||||||
| - ширина | ||||||||
| - высота | ||||||||
| Масса огнетушителя полная, кг | ||||||||
| Класс пожара | Характер горючей среды или объекта | Рекомендуемые средства тушения |
| А | Твердые материалы (дерево, уголь, бумага, резина текстиль и др.) | Все виды средств (прежде всего вода) |
| В | ЛВЖ, ГЖ, плавящиеся при нагреве материала (стеарин, каучук и др.) | Распыленная вода, пена, хладоны, порошки |
| С | Горючие (в том числе сжиженные) газы | Газовые составы, порошки, вода (для охлаждения оборудования) |
| Д | Металлы и их сплавы (металосодержа-щие соединения (К, Na и др.) | Порошки |
| Е | Электроустановки под напряжением | Хладоны, порошки, диоксид углерода |
Воздушно-пенные огнетушители используются для гашения пожаров классов А и В (горение твердых и жидких веществ), за исключением щелочных металлов, веществ, которые горят без доступа воздуха, и электроустановок под напряжением. Строение воздушно-пенного огнетушителя приведено на рис. 4.1.

Рис. 4.1. Огнетушитель воздушно-пенный ОВП-9:
I - корпус; 2 - головка; 3 - рукав; 4 - баллон с рабочим газом; 5 - трубка сифоновая; 6 - пеногенератор; 7 - сетка; 8 - корпус фильтра; 9 - рычаг управления клапаном; 10 - ручка; 11 - кольцо уплотняющее; 12 - клапан; 13 - переходник; 14 - гайка набросная; 15 - кольцо уплотняющее; 16 - штифт; 17 - пружина; 18 - ось; 19 - кнопка с иглой; 20 - пружина; 21 - предохранительная чека; 22 - кольцо уплотняющее; 23 - предохранительный клапан
Для приведения огнетушителя в действие необходимо удалить устройство, которое предотвращает случайное приведение в действию (выдернуть чеку 21); нажать и отпустить кнопку 19, в результате чего игла разрушает мембрану баллон 4 и газ –витиснитель подается в корпус огнетушителя 1 и образует в нем избыточное давление. После этого огнетушитель готов к выбрасыванию огнетушащего вещества в ячейку пожара.
Дальше поднять огнетушитель за ручку 10; держась одной рукой за рукав 3, направить пеногенератор в направлении ячейки пожара. Нажать на рычаг управление клапаном 9 и начать гашение.
Углекислотные огнетушители применятся, как правило, для гашения пожара класса В (горение жидких веществ, кроме тех, которые могут гореть без доступа воздуха) и электрооборудования под напряжением к 1000 В при условии ограничения приближения к токопроводящим частям на расстояние не ближе 1 м.
Строение углекислотных огнетушителей ОУ - 2 и ОУ - 5 приведенная на рис. 4.2.

Рис. 4.2 Огнетушители вуглекислотні ОУ- 2 и ОУ-5:
1 - корпус; 2 - головка; 3 - раструб; 4 - гайка; 5 - предохранительная мембрана; 6 - шайба; 7 - кольцо уплотняющее; 8 - предохранительная чека; 9 - рычаг управления клапаном; 10 - ручка; 11 - кулачок; 12 - шток; 13 - клапан; 14 - пружина; 15 - трубка сифоновая
Для приведения в действие таких огнетушителей нужно:
раструб огнетушителя 3 направить на ячейку пожара (раструб легко фиксируется в удобный позиции для выбрасывания огнетушащего вещества);
удалить предохранительную чеку 8;
нажать на рычаг управления клапаном 9, одновременно держась за ручку 10.
Дальше начать выбрасывание огнетушащего вещества на ячейку пожара.
Во время гашения пожара класса В раструб огнетушителя должен быть направлен в основу ячейки пожара, который находится ближе к оператору. Нельзя браться руками за раструб, потому что температура снегоподобной углекислоты, которая выбрасывается, представляет минус 78 °С.
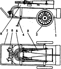
Строения передвижных огнетушителей ОУ - 25 и ОУ - 80 приведенные на рис. 4.3 и 4.4.


Рис. 4.3. Огнетушитель углекислотный ОУ-25:0
1 - баллон; 2 - раструб; 3 - колесо; 4 - запорно-пусковое устройство; 5 - шланг; 6 – ручка
| Рис. 4.4. Огнетушитель углекислотный ОУ-80: 1 - баллон; 2 - колесо; 8 - раструб; 4 - опора; 5 - шланг; 6 - запорно-пусковое устройство; 7 - рама; 8 - кожух |
Порошковые огнетушители используются для гашения пожаров классов А, В и С (горение твердых, жидких и газообразных веществ) и электроустановок под напряжением до 1000 В. Вид материалов и веществ, горение которых можно гасить, зависит от типа порошка.
Конструкция порошкового огнетушителя ОП - 9 приведенная на рис. 4.5. Для приведения к действию указанного огнетушителя нужно: удалить предохранительную чеку 19; нажать и отпустить кнопку 17, в результате чего игла разрушает мембрану баллона 4 и газ-вытеснитель поступает через отверстия в головке 2 в сифоновую трубку 5 в корпус 1 огнетушителя, создавая в нем избыточное давление и выполняя выпускание огнетушительного порошка; нажать на рычаг управления 7, при этом открывается клапан 10, и огнетушащее вещество сквозь сифоновую трубку 5, рукав 3 и насадку-розпылитель 6 подается вочаг пожара.
А

Рис. 4.5. Огнетушитель порошковый ОП-9:
1 - корпус; 2 - головка; 3 - рукав; 4 - баллон с рабочим газом; 5 - трубка сифоновая; 6 - насадок-розпилювач; 7 - рычаг управления клапаном; 8 - ручка; 9 - кольцо уплотняющее; 10 - клапан; 11 - перевідник; 12 - гайка накидка; 13 - кольцо уплотняющее; 14 - штифт; 15 - пружина; 16 - ось; 17 - кнопка а иглой; 18 - пружина; 19 - предохранительная чека; 20 - кольцо уплотняющее; 21 - предохранительный клапан
Для прекращения выбрасывания огнетушащего вещества необходимо отпустить рычаг 7.
Перемещение иглы для разрушения мембраны баллона с газом-вытеснителем может осуществляться в других моделях огнетушителей, например ОПУ- 5 (рис. 4.6), не нажатием кнопки, а подниманием ручки 2.
Строение закачанного огнетушителя ОП-Ю(з) приведено на рис. 4.7.
Для приведения огнетушителя в действие необходимо взять за ручку 7 и поднести к месту пожара; опустить огнетушитель на землю и выдернуть предохранительную чеку 11; взять огнетушитель за ручку 7, направить насадку 15 на охваченную пламенем поверхность и нажать на рычаг 8. При этом опускается клапан 5 и газо-порошковая смесь поступает под действием давления через сифоновую трубку 2 в канал в головке 6, шланг 10 и насадку 15 и подается в виде струи в очаг пожара. Для прекращения выбрасывания порошка необходимо рычаг 8 отпустить.

Рис. 4.6. Огнетушитель порошковый унифицированый ОПУ-5:
1 - корпус; 2 - ручка; 3 - головка; 4 - гайка набросная; 5 - рукав; 6 - пистолет-распылитель; 7 - игла; 8 - шайба; 9 - переходник; 10 - подхват иглы; 11 - предохранительная чека; 12 - ось; 13 - штифт; 14 - кольцо уплотняющее; 15 - кольцо резиновое; 16 - баллон с рабочим газом; 17 - трубка сифоновая; 18 - трубка газоподводная; 19 - кольцо уплотняющее; 20 - пружина; 21 - шайба упорная; 22 - кольцо уплотняющее

Рис. 4.7. Огнетушитель порошковый унифицированный ОП-Ю(з):
1 - корпус; 2 - сифоновая трубка; 3 - гайка; 4 - кольцо уплотняющее; 5 - клапан; 6 - головка; 7 - рукоятка; 8 - рычаг; 9 - пружина; 10 - рукав; 11 - предохранительная чека; 12 - ось; 13 - заклепка; 14 - манометр; 15 – насадка.
Огнетушители следует размещать в легкодоступных и заметных местах, в которых исключается прямое попадание солнечных лучей и непосредственное влияние отопительных и нагревательных приборов. Их следует устанавливать в коридорах, около входов или выходов из помещений, а также в пожаробезопасных местах, непосредственно на технологическом оборудовании, транспортных средствах.
Переносные огнетушители должны размещаться путем:
навешивания на вертикальные конструкции на высоте не больше 1,5 м от уровня пола к нижнему торцу огнетушителя и на расстоянии от дверей, достаточном для их полного открывания;
установление в пожарные шкафы рядом с пожарными кранами, в специальные тумбы, а также на пожарные щиты (стенды).
При этом размещение огнетушителей должно осуществляться таким образом, чтобы обеспечивалась возможность чтения маркировки на их корпусах.
Эксплуатация и техническое обслуживание (ТО) огнетушителей осуществляются в соответствии с требованиями, изложенных в технических паспортах заводов-изготовителей, а также регламентах ТО.
Введенные в эксплуатацию огнетушители должны иметь:
инвентарные номера по принятой на объекте системе нумерации;
пломбы на устройствах ручного пуска;
бирки и маркировки на корпусе;
красное сигнальное окрашивание согласно государственным стандартам.
Кнопка пуска должна четко отлиться на фоне других деталей огнетушителя.
Зарядно-пусковые устройства огнетушителей должны быть оснащенные устройством блокирования для предотвращения случайного приведения к действию от вибраций, стряхивания, случайного нажатия на элементы управления.
Огнетушители, размещенные вне помещений или в неотопительных помещениях и не предназначенные для эксплуатации при минусовых температурах, необходимо снимать на холодный период года. В таких случаях на пожарных щитах и стендах вмещается информация о месте расположения ближайших огнетушителей.
Огнетушители, которые устанавливаются на транспортных средствах, должны комплектоваться специальными кронштейнами для размещения и оперативного снятия.
50