Табл. Основные параметры последовательных интерфейсов в МК - системах
| Параметры | SPI | I2С** | RS-232C | USB-1 | RS-485C | CAN | 1-Wire (MicroLAN) |
| Максимальная скорость передачи | 10 Мбод | 100 кбит/с, до 400 кбит/с (версия 2 – до 4 Мбит/с) | 115 кбод | 12 Мбод | 10 Мбод | 1 Мбод | 16,3 кбит/с до 142 кбит/с |
| Макс. длина линий связи, м | 1200 при 100 кбод 12 – при 10 Мбод | ||||||
| Число линий связи | 3 + n* | ||||||
| Число абонентов в интерфейсе | n+1 |
Примечание: * n – число ведомых устройств в системе.
** интерфейс I2С также называют Two Wire Serial Interface.
|
|
| Физический уровень интерфейсаRS-232C | Физический уровень интерфейсаRS-485C |
| Физический уровень интерфейсаCAN |
Физический уровень интерфейсов SPI, I2С и низкоскоростного USB реализуется стандартными логическими сигналами, поэтому специальные схемы преобразователей уровней для них не требуются.
Одними из наиболее распространенных стандартных интерфейсов ПЭВМ остаются – RS-232C, RS-422A, RS-423A, RS-485. Стандарт 488 используется в измерительной аппаратуре.
|
|
|
Интерфейсы, использующие несимметричный однопроводный способ передачи (RS-232C, RS-423A) характеризуются простотой, но низкими значениями скорости передачи и помехозащищенности, ограниченной длиной линий связи. Наиболее простой интерфейс RS-232C первоначально был разработан для сопряжения оконечного оборудования с модемом. Сейчас RS-232C используется в качестве стандартного для сопряжения с ПЭВМ типа IBM (СОМ - порт) различных устройств.
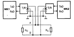
Интерфейсы с двухпроводными линиями связи (RS-422A, RS-485) требуют использования приемников с дифференциальными входами и парафазных выходов у передатчиков информации. На фоне парафазного информационного сигнала все помехи, носящие синфазный характер, не влияют на верность передаваемой информации, т.к. взаимно вычитаются на дифференциальных входах приемников. Меньшая допустимая амплитуда размаха логического сигнала обеспечивает более высокую частоту переключения между меньшими уровнями потенциала при той же паразитной емкости линий связи. Двухпроводные линии связи обладают большей помехоустойчивостью при более высокой скорости передачи.

Рис. – Стандарт сигналов RS232C
Максимальный нормируемый допустимый уровень сигнала на входе приемника ±25 В, максимальный допустимый уровень тока в линии ± 500 мА, входное сопротивление приемника - от 3 до 7 кОм (большой допустимый уровень сигналов определяет большую помехозащищенность).
Интерфейс RS-232C подразумевает наличие оборудования двух видов: терминального (DTE) и связного (DCE). В качестве терминального оборудования может быть использован персональный компьютер. Под связным оборудованием понимаются устройства, которые могут упростить последовательную передачу данных совместно с терминальным оборудованием. Примером связного оборудования служит модем. Обмен данными производится по двум линиям: линия RxD используется для приема данных, линия TxD – для передачи. Линия передачи одного устройства соединяется с линией приема другого, и наоборот (полный дуплекс). Для управления соединенными устройствами используется программное подтверждение (введение в поток передаваемых данных соответствующих управляющих символов) – квитирование. Возможна организация аппаратного подтверждения путем введения дополнительных линий RS-232 для обеспечения функций определения статуса и управления. Максимальная скорость передачи данных по стандарту RS-232C составляет 115 кбит/с. Максимальная протяженность линий связи, по которым может быть осуществлена передача данных, составляет 15 м. Аппаратно адаптер интерфейса RS-232C в ПЭВМ поддерживает скорость до 1 Мбит/с, но при этом требуется установка специального программного драйвера.
|
|
|
Большинство систем используют асинхронный режим передачи данных интерфейса RS-232, но его спецификация предусматривает также синхронный режим. В асинхронном режиме каждый пакет содержит один символ кода ASCII (американский стандартный код для обмена информацией, читается "аски") или один байт произвольно закодированной информации. Символы кода ASCII представляются семью битами, например, буква А имеет код 1000001. Наиболее широко распространен формат, включающий в себя один стартовый бит, один бит паритета и два стоповых бита.
| Сигнал с уровнями ТТЛ, формируемый на выходе TxD модуля контроллера последовательного приемопередатчика при передаче кода буквы А. |
|
| Используемые в интерфейсе RS-232 уровни сигналов отличаются от уровней ТТЛ, действующих в МК. На рис. показан сигнал пакета данных для кода буквы А, в том виде, как он существует на линиях TxD или RxD интерфейса RS-232. Преобразование ТТЛ- уровней в уровни интерфейса RS-232, и наоборот, производится специальными микросхемами драйвера линии и приемника линии. |
|
Начало пакета данных всегда отмечает низкий уровень стартового бита. После него следует 7 бит данных символа кода ASCII. Бит паритета содержит 1 или 0 так, чтобы общее число единиц в 8-битной группе было четным (четный паритет) или нечетным (нечетный паритет). Последними передаются два стоповых бита, представленных высоким уровнем напряжения. Таким образом, полное асинхронно передаваемое слово данных состоит из 11 бит (фактически данные содержат только 7 бит, остальные биты выполняют служебные функции). Другой распространенный формат, часто используемый в МП- системах: один стартовый бит, 8 бит данных, один стоповый бит. Сигналы интерфейса RS-232C делят на следующие классы:
Последовательные данные (например, TxD, RxD). Интерфейс RS-232C обеспечивает два независимых последовательных канала данных: первичный (главный) и вторичный (вспомогательный). Оба канала могут работать в дуплексном режиме, т.е. одновременно осуществлять передачу и прием информации.
Управляющие сигналы квитирования (например, RTS, CTS). Сигналы квитирования – средство, с помощью которого обмен сигналами позволяет DTE начать диалог с DCE до фактических передачи или приема данных по последовательным линиям связи.
Сигналы синхронизации (например, ТС, RC). В синхронном режиме между устройствами необходимо передавать сигналы синхронизации, которые осуществляют тактирование принимаемого сигнала в целях его надежного декодирования.