Итак, на прошлой лекции мы нашли один интересный способ построения хороших, стабильных усилителей – надо сделать усилитель с большим коэффициентом усиления (хорошо бы около 1 000 000), а затем применить отрицательную обратную связь (ООС). И не важно, что большой коэффициент усиления получается плохим, невоспроизводимым, с неравномерной частотной и фазовой характеристиками и т.д. Величина ООС задаётся пассивными элементами, например резисторами, а они обладают хорошей стабильностью.
![]() |
Давайте посмотрим, как можно сделать усилитель с хорошим коэффициентом усиления. Пусть это схема с общим эмиттером (ОЭ), использующая п-р-п транзистор.
Здесь мы не ввели никаких лишних деталей, считая, что на входе есть постоянная и переменная составляющие сигнала, и на выходе мы сумеем выделить нужные составляющие сигналов. Поэтому у нас есть только резистор R и напряжение питания Еп. Напишем выражение для Uвых:

Мы написали это выражение в таком виде, чтобы точно увидеть, как оно зависит от температуры. Но при этом мы будем считать, что при изменении температуры одновременно изменяется и входной сигнал, так, чтобы на выходе всё оставалось постоянным. Итак, мы считаем, что Uвых, Еп, R и I0 остаются постоянными (последнее, правда, немного меняется, но гораздо меньше, чем члены в экспоненте). Поэтому можно полагать, что меняются только Uбэ и Т – напряжение база-эмиттер и абсолютная температура. (q и k – мировые константы – заряд одного электрона и постоянная Больцмана.) Продифференцируем по Т и приравняем нулю.
|
|
|

Сокращая лишние члены, получим:

На первый взгляд это может быть всё что угодно – какое-то напряжение, делённое на какую-то температуру.
Но температура эта абсолютная, то-есть в градусах Кельвина, и близка к комнатной. Значит, это примерно 3000К. А напряжение – это примерно контактная разность потенциалов, так как р-п переход эмиттер-база смещён в прямом направлении. Следовательно, всё зависит от материала: для кремния это 0,6 В, а для германия 0,3 В. Поделив контактную разность потенциалов на температуру, получим:
| Материал | dUбэ/dT, мВ/0К |
| Si | |
| Ge |
Видно, что германий в 2 раза лучше (термостабильнее), чем кремний. Но в современных условиях кремний гораздо технологичнее (дешевле).
Итак, у кремниевых транзисторов приведённый ко входу температурный дрейф составляет всего 2 мВ/0К. Чтобы узнать, что будет на выходе, надо это умножить на перепад температуры и коэффициент усиления. У работающего транзистора перепад температуры вполне может быть 10 0К, а коэффициент усиления у двух- трёхкаскадного усилителя может быть 1000...100000. Получается 20...2000 В. Это очень много.
|
|
|
Конечно, можно использовать полевые транзисторы, у них температурный дрейф граздо меньше. Но есть несколько способов борьбы с температурным дрейфом и в биполярных транзисторах. Например, известный способ разделения сигнала на постоянную и переменную составляющие при помощи разделительных конденсаторов. Кроме того, можно преобразовать сигнал в высокочастотный, а после усиления выпрямить (модуляция-усиление-демодуляция).
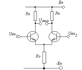
Но наибольшее распространение получил метод дифференциального каскада. Рассмотрим его подробнее.
![]() |
На рис. представлена схема, состоящая из двух по возможности одинаковых транзисторов, двух коллекторных резисторов, тоже одинаковых, и одного эмиттерного резистора, общего для двух транзисторов. Схема имеет два входа и один разностный выход. Здесь также обычно используется два источника питания.
Обычно +/- Еп одинаковые. И если Uвх близки к нулю, то на эмиттерном сопротивлении падает большое и почти постоянное напряжение, поэтому ток, протекающий через это сопротивление, тоже почти постоянный. Это значит, что мы задали ток эмиттеров. Далее этот ток разделяется на две части, и протекает через два транзистора.
А теперь давайте рассмотрим случай одинаковых входных напряжений – синфазный входной сигнал. Теоретически если на входах синфазный сигнал, то ток, протекающий через транзисторы, будет одинаковый, то-есть разделится пополам. Но этот ток задан резистором и почти не зависит от входного сигнала. Поэтому отклик на синфазный сигнал очень мал, а так как мы на выходе берём разностный сигнал, то он вообще близок к нулю. Это обусловлено тем, что в эмиттере напряжение будет меняться почти также, как и в базах: разность потенциалов между базой и эмиттером меняется гораздо меньше, чем на входах.
Дифференциальный сигнал также одинаков на обоих входах, но противоположен по фазе. Поэтому на эмиттерах напряжение почти не меняется, полный эмиттерный ток тоже, а на базах транзисторов напряжение меняется гораздо сильнее, и это приводит к тому, что токи через транзисторы меняются в разные стороны: на одном транзисторе увеличивается, а на другом – уменьшается, хотя в сумме он остался неизменным. Поэтому сигнал на выходе (на коллекторах) будет сильным, да ещё в два раза больше, так как он получается как разность между двумя коллекторами.
Дело заключается в том, что для синфазного сигнала схема аналогична схеме с ОК: есть сильная ООС благодаря наличию эмиттерного сопротивления; а для дифференциального сигнала – аналогична схеме с ОЭ: напряжение на эмиттерах практически не меняется, поэтому можно считать, что эмиттеры как бы заземлены. Итак, дифференциальный сигнал хорошо усиливается, как в схеме с ОЭ, а синфазный сигнал сильно ослабляется, как в схеме с ОК во-первых, и за счёт вычитания коллекторных сигналов во-вторых.
Если сигналы Uвх1 и Uвх2 произвольные, то можно вычислить синфазную и дифференциальную составляющие по формулам:

и наоборот:

Обычно для хороших дифференциальных каскадов трудно подобрать достаточно близкие по параметрам транзисторы и даже резисторы коллекторов, поэтому на практике уже давно, ещё до возникновения микроэлектроники, стали делать спаренные транзисторы, которые находятся очень близко друг к другу, изготовлены в одном технологическом режиме и имеют почти одинаковую температуру. Такие транзисторы не надо подбирать – они созданы специально похожими, чтобы получать очень низкий коэффициент усиления синфазного сигнала Ксин. А при переходе на микроэлектронику вообще все дифференциальные каскады стали делать интегральным способом. Обычно в этом случае Кдиф = 100...400, а Ксин =0,1...1. Для оценки качества дифференциального каскада вводят коэффициент ослабления синфазного сигнала (КООС):
|
|
|

Это лежит в пределах 400...1000, или в децибеллах 50...60 дБ.
Почему нам так важен синфазный сигнал? Дело в том, что различные дрейфы транзисторов: старение, тепловой дрейф и так далее – это эквивалентно подаче на входы одинаковых сигналов, то-есть синфазному сигналу. Поэтому если синфазнвй сигнал сильно ослаблен, то и тепловой дрейф тоже ослаблен. И мы видим, что коэффициент усиления дифференциального сигнала в 1000 раз сильнее, чем, скажем, тепловой дрейф. Но это значит, что дифференциальный каскад годится для первого каскада усилителя, который будет предназначем для усиления с большим коэффициентом усиления, чтобы потом использовать его для усилителя с ООС. Такие усилители называются операционными (ОУ).
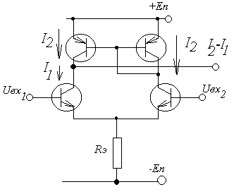
Итак, почти всегда для изготовления ОУ делают первым каскадом дифференциальный. Но у разных ОУ он бывает разным. Часто вместо обычных транзисторов берут сдвоенные, см. рис.
![]() |
Здесь мы уже применили принятое в микроэлектронике условное обозначение транзисторов: без кружочка, обозначающего, что у транзистора есть свой корпус. В микроэлектронике этого обычно не бывает.
У такого каскада коэффициент усиления сдвоенных транзисторов гораздо больше (1002=10000). Именно из-за большого коэффициента усиления они и используются.
Но можно использовать супер-вета транзисторы – это специально изготовленные транзисторы с очень маленькой базой и большим перепадом концентраций в эмиттерной и базовой области. Коэффициент усиления у них может достигать 5000 и более. К сожалению, эти транзисторы требуют очень точной технологии, и, кроме того, они не выдерживают больших напряжений. Поэтому для защиты от пробоя к ним надо добавлять ещё по одному транзистору. Из-за большой технологической сложности супер-бета транзисторы используются редко.
Иногда входные каскады полезно сделать на основе полевых транзисторов, так как они имеют очень большое входное сопротивление. Чаще используют полевые транзисторы с р-п переходом. Но всё же это тоже слишком большое усложнение технологии.
|
|
|
Поэтому в большинстве ОУ используют одинарные биполярные транзисторы, но принимают меры к тому, чтобы улучшить генератор тока эмиттера, и вместо резистора используют транзистор. Но чаще всего для этой цели используется схема, которая называется "токовое зеркало".
![]() |
Она изображена на рис.:
Здесь использованы два одинаковых транзистора (лучше изготовленных в одном цикле), и через правый, включённый по схеме диода (коллекторный р-п переход закорочен, и остаётся только эмиттерный р-п переход) пропускается прямой ток. Этот ток определяется формулой:

Этот ток ни от чего не зависит. Он постоянен. Но значит и напряжение в его базе и базе соседнего транзистора одинаково и таково, что обеспечивает протекание точно такого же тока и через соседний транзистор:

У нас получилось как бы зеркало: ток, который протекает через правый транзистор, протекает и через левый, отражается. Но этот ток не зависит от напряжения на коллекторе левого транзистора. Значит, у нас получился генератор тока. И очень хороший генератор тока, так как у него очень большое выходное сопротивление, равное дифференциальному сопротивлению коллектора, которое, как мы помним, составляет 100 кОм...10 МОм. Если использовать такой хороший генератор тока, получится увеличение КООС до 1 000 000 (120 дБ).
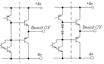
В дифференциальном каскаде мы обсудили почти все проблемы. Осталось обсудить только выход. А он, как мы знаем, должен быть разностным. Это значит, что его нельзя заземлить.
Но если сделать вычитающее устройство? Оказывается, это можно с помощью токового зеркала, см. рис. внизу. Два верхних транзистора имеют тип р-п-р. Поэтому у них эмиттеры с другой стрелкой и подсоединены к положительному питанию, а коллекторы внизу и идут к минусу. Правый транзистор, как у токового зеркала, служит диодом (база-коллектор закорочены). Поэтому он точно пропускает ток, который проходит через правый транзистор дифференциального каскада. И этот же ток проходит через левый транзистор токового зеркала. Но по схеме он соединён с коллектором левого транзистора дифференциального каскада. Получается противоречие: нижний транзистор даёт ток I1, а верхний – ток I2.
Это противоречие разрешается тем, что к соединению коллекторов подключён ещё один провод, и разница токов уходит по нему в следующий каскад.
![]() |
По-сути дела мы заменили коллекторные сопротивления активной нагрузкой. Эта нагрузка имеет очень большое дифференциальное сопротивление, а значит, даёт ещё большее усиление каскада.
Теперь рассмотрим следующий каскад усиления. Здесь уже не надо бороться с температурным дрейфом, так как сигнал уже большой, и дополнительное напряжение дрефа меньше сигнала. Поэтому можно взять обычный каскад с ОЭ, но для большего коэффициента усиления выполненный на сдвоенном транзисторе. Схема следующего каскада изображена на рис.:
![]() |
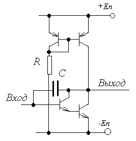
Мы представили здесь полную схему. Основные транзисторы – это сдвоенный транзистор внизу, включённый по схеме ОЭ. На базу этого транзистора подаётся входной сигнал. В коллекторе транзистора стоит активная нагрузка – второй транзистор токового зеркала. Кроме того, здесь изображён конденсатор С, который выполняет коррекцию частотной характеристики; она необходима для предотвращения нестабильности ОУ. Следует отметить, что он не всегда включается в схему, есть ОУ без коррекции. Тогда, в случае возникновения нестабильности надо ставить конденсатор в обратную связь всего ОУ.
Дальнейшее усиление в ОУ невозможно, так как ОУ с тремя каскадами усиления становится слишком неустойчивым. Однако можно сделать усиление мощности за счёт каскада с ОК.
Обычно частотная характеристика таких каскадов очень хорошая, поэтому для ОУ она не вносит ничего отрицательного. Схема этого каскада изображена на рис.:
![]() |
Пунктирная линия отделяет левую часть – детали второго каскада – от правой части – деталей третьего каскада. Как мы видим, третий каскад очень простой: в нём всего два транзистора, включённых по схеме ОК, но двухтактной. Когда напряжение положительное, открыт верхний транзистор, а нижний выполняет роль очень большого сопротивления, так как он закрыт. И наоборот, при отрицательном напряжении работает (открыт) нижний транзистор, а верхний – закрыт и выполняет роль большого сопротивления. Это двухтактный эмиттерный повторитель.
Сложность возникает, когда напряжение мало отличается от нуля (меньше, чем на контактную разность потенциалов), так как в этом случае оба транзистора практически закрыты. Решением этой проблемы является включение в выходную цепь двух диодов, как указано на рис. справа. Эти диоды включены так, что они всегда открыты, то-есть на прохождение тока в выходной цепи второго каскада они не влияют, но на диодах падает примерно две контактных разности потенциалов, поэтому один выходной сигнал левой схемы разделяется на два для правой схемы, которые отличаются примерно на 2 контактный разности потенциалов, и транзисторы третьего каскада не могут быть одновременно закрыты. Ситуация иллюстрируется на рис.:
![]() |
Этот рис. сделан для левой схемы. Выходной сигнал на контактную разность потенциалов меньше входного (больше входного для отрицательных величин). Для правого рис. выходной сигал точно совпадёт со средней величиной от двух входных сигналов.

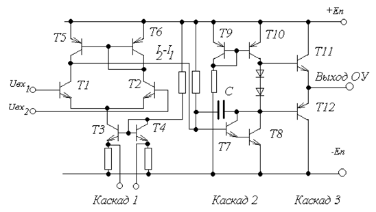
Итак, мы рассмотрели по отдельности работу всех трёх каскадов ОУ. Давайте посмотрим, как выглядит схема всего ОУ. На нижнем рис. представлена полная схема ОУ, как мы её обсуждали выше. Здесь 12 транзисторов и 2 диода. Но каскадов всего 3, да и то третий не усиливает напряжение, а усиливает только ток, или мощность. То-есть по напряжению усиливают только 2 каскада. Давайте посмотрим, куда ушли 12 транзисторов.
Два транзистора (Т1 и Т2) ставятся параллельно, и имеется два параллельных входа, это потому, что мы должны исключить температурный дрейф, а заодно и другие дейфы, например, связанный со старением схемы. Ещё 2 транзистора могут использоваться для увеличения коэффициента усиления, если вместо этих транзисторов поставить сдвоенные. 2 транзистора используются как вспомогательные для генератора тока (токовое зеркало, Т3, Т4). Два транзистора используются в качестве активной нагрузки (Т5,Т6). А на самом деле в первом каскаде может использоваться ещё больше транзисторов, например, для защиты от перегрузки.
Во втором каскаде у нас 4 транзистора: один сдвоенный транзистор (Т7,Т8) и 2 в качестве активной нагрузки (токовое зеркало, Т9,Т10). Кроме того, здесь используются два диода, а в микроэлектронике вместо диодов, как правило, используются транзисторы. Всего получается 6.
Самый простой последний каскад: в нём всего два транзистора Т11 и Т12.
Мы уже говорили, что современные ОУ делаются только по технологии микросхемотехники. А в микросхемотехнике очень просто делать транзисторы, несколько сложнее делать диоды и резисторы, ещё более сложно делать конденсаторы и совсем сложно делать индуктивности. Поэтому число транзисторов совершенно несущественно (правда, несколько сложнее делать комплементарные транзисторы). В современных ОУ число транзисторов достигает 50 шт и более. Но при современных возможностях изготавливать микросхемы со степенью интеграции в 106 - это не проблема.
Теперь давайте рассмотрим основные характеристики ОУ. К ним относятся 4:
| № | Характеристика | Параметр |
| Большой коэффициент усиления | 1000...1000000 и более | |
| Дифференциальный вход | 1 вход неинвертирующий 2 вход инвертирующий | |
| Большие входные сопротивления | 1 кОм...1 МОм | |
| Малое выходное сопротивление | Меньше 100 Ом |
Большой коэффициент усиления нужен для применеия ООС. Благодаря дифференциальному каскаду, состоящему из 6...10 транзисторов, удаётся устранить температурный и другие типы дрейфов. Коэффициент усиления первого каскада удаётся повысить до 1000 и более.
Дифференциальный вход получился случайно, но он очень удобен для осуществления ООС: можно основной сигнал подавать на неинвертирующий вход, а ООС – на инвертирующий.
Входные сопротивления получаются не очень большими, но они разные для синфазного (большие) и дифференциального (поменьше) сигналов. Очень большие входные сопротивления, если хотя бы на входе стоят полевые транзисторы. Просто большие будут, если дифференциальный какскад сделан на сдвоенных или супер-бета транзисторах.
Малое выходное сопротивление обусловлено применением каскада с ОК, который усиливает ток.
Ещё одна важная характеристика – быстродействие. Оно определяется верхним пределом частотной характеристики, так как нижнего у ОУ нет. Типичная хорошая характеристика изображена на рис.:
![]() |
Эта характеристика хорошая, потому что участок с наклоном в 450 доходит до единичного усиления (в логарифмическом масштабе 0), и значит этот ОУ никогда не будет самовобуждаться. Иногда более крутой спад начинается раньше.
Кажется, что частотная характеристика определяется уровнем 0,7 (отмечено как fверх). Но ОУ никогда не используются без ООС. И как видно из рис., в этом случае быстродействие будет разным в зависимости от того, какова обратная связь.
Поэтому более важной характеристикой является частота единичного усиления fт. Дело в том, что если мы знаем fт, то легко вычислить предельную частоту по формуле:

Самое время сказать несколько слов о других характеристиках ОУ, главным образом об отрицательных. К ним относятся: напряжение смещения нуля dUсм, температурная чувтвительность напряжения смещения нуля dUсм/dT, ток смещения DIвх, средний входной ток Iвхср, и многое другое. Однако мы не будем загромождать нашу лекцию такими подробностями, отсылая студентов к специальной литературе.















