Технические реализации. Применения
Асинхронный двигатель с короткозамкнутым ротором уже около 100 лет используется и будет использоваться как практически единственная реализация массового нерегулируемого электропривода, составляющего до настоящего времени более 90% всех промышленных электроприводов. В последние 10-20 лет многими фирмами в Америке и Европе предпринимают попытки разработки и выпуска на широкий рынок так называемых энергоэффективных двигателей, в которых за счет увеличения на 30% массы активных материалов на 1 - 5% повышен номинальный КПД при соответствующем увеличении стоимости. В последние годы в Великобритании осуществлен крупный проект создания энергоэффективных двигателей без увеличения стоимости.
В последнее десятилетие благодаря успехам электроники (преобразователи частоты) короткозамкнутый асинхронный двигатель стал основой частотно-регулируемого электропривода, успешно вытесняющего доминировавший ранее электропривод постоянного тока во многих сферах. Особенно интересным является применение такого электропривода в традиционно нерегулируемых насосах, вентиляторах, компрессорах. Как показывает опыт, это техническое решение позволяет экономить до 50% электроэнергии, до 20% воды и более 10% тепла.
|
|
|
Переход от нерегулируемого электропривода к регулируемому во многих технологиях рассматривается как основное направление развития электропривода, поскольку при этом существенно повышается качество технологических процессов и экономится до 30% электроэнергии. Это определяет перспективы развития частотно-регулируемого электропривода.
Электропривод с двигателями с фазным ротором при реостатном регулировании традиционно находит широкое применение в крановом хозяйстве, используется в других технологиях. Каскадные схемы и машины двойного питания можно встретить в мощных электроприводах газоперекачивающих станций с небольшим диапазоном регулирования, в устройствах электродвижения судов. Синхронные двигатели до недавнего времени использовались относительно редко - главным образом в мощных установках, где не требовалось регулирование скорости. В последние годы положение существенно изменилось: за счет современных материалов (постоянные магниты), средств управления (ключи на относительно большие токи и напряжения и т.д.) Электропривод с синхронными двигателями стал управляемым, существенно расширился диапазон мощностей и занял ведущие позиции в станкостроении, робототехнике, гибких производственных системах и т.п.
Свойство синхронной машины с обмоткой возбуждения менять реактивную мощность и ее знак позволяет использовать ее как управляемый компенсатор реактивной мощности.
|
|
|
Предельная простота, надежность и низкая стоимость вентильно-индукторной машины и электропривода в целом, а также его широкие функциональные возможности и высокие энергетические показатели позволяют считать этот тип электропривода наиболее перспективным регулируемым электроприводом для широких промышленных и транспортных применений.
Как отмечалось, практически единственным рациональным способом регулирования скорости асинхронных двигателей с к.з. ротором и синхронных двигателей является изменение частоты питающего напряжения.
Большинство современных преобразователей частоты (ПЧ) от долей кВт до сотен кВт построены одинаково - рис. 4.15: сеть переменного тока - неуправляемый выпрямитель В - шины постоянного тока - конденсатор LC -фильтра - автономный инвертор напряжения И с широтно-импульсной модуляцией (ШИМ) - асинхронный двигатель АД, к которому приложено переменное 3-фазное напряжение с регулируемой частотой f = var и амплитудой U = var; управление инвертором осуществляется блоком управления БУ.

Рис. 4.15. Типовая схема преобразователя частоты
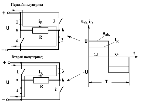
Идею автономного инвертора напряжения (АИН) проиллюстрируем на простейшей однофазной схеме с четырьмя идеальными ключами 1, 2, 3, 4 и активной нагрузкой R - рис. 4.16,а.
При попарной коммутации ключей 1,2 - 3,4 - 1,2 и т.д. через время Т/2 (рис. 4.16,б) к резистору будет прикладываться переменное напряжение uab прямоугольной формы с частотой
. Ток при активной нагрузке будет повторять форму напряжения. Изменяя коммутационный промежуток Т/2, можно менять частоту в любых пределах.

а)

б)
Рис. 4.16. Однофазный инвертор, нагруженный активным сопротивлением (а), и диаграмма работы (б)
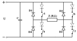
При активно-индуктивной нагрузке размыкание ключа недопустимо без дополнительных мер, поскольку энергия, запасенная в индуктивности, при разрыве цепи вызовет большие пики перенапряжений
и сделает устройство полностью неработоспособным. Следовательно, при размыкании ключей должны оставаться контуры, по которым продолжал бы протекать ток в прежнем направлении и запасалась бы энергия, переданная из разряжающейся индуктивности.
Конфигурация схемы, при которой выполняются указанные условия, показана на рис. 4.17,а. Пунктирные диоды у ключей 1-4 отражают их одностороннюю проводимость. Диоды D1 - D4 образуют вместе с конденсатором С контуры для обмена энергией. Коммутация ключей не отличается от показанной на рис. 4.16, однако ток на каждом полупериоде меняет направление, протекая по контурам, показанным на рис. 4.17,б. Нетрудно видеть, что формы напряжения и тока существенно различны, и ток в силу индуктивного характера нагрузки отстает от напряжения.

а)

б)
Рис. 4.17. Однофазный инвертор с R – L нагрузкой (а) и диаграмма работы (б)
Рассмотренные выше принципы построения и работы однофазных автономных инверторов напряжения легко распространяются на m-фазные (обычно - трехфазные) схемы.
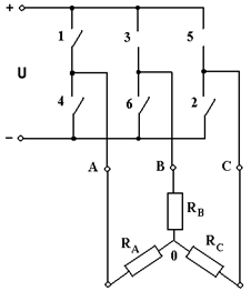
Трехфазным аналогом однофазной схемы (рис. 4.16,а) будет схема, приведенная на рис. 4.18,а, имеющая шесть ключей 1, 2, 3, 4, 5, 6. Мы, как и прежде, рассматриваем идеализированный случай, полагая для простоты, что соединенные в звезду сопротивления нагрузки - активные. Для количественных оценок примем U = 1 и RА=RВ=RС=R=1.

а) б)
Рис. 4.18. Схема трехфазного инвертора (а) и диаграмма коммутации (б)
Разделим период выходного напряжения на шесть интервалов I - VI и условимся коммутировать ключи в начале каждого интервала в порядке их номеров, указанных на рис. 4.18,а. В результате получим диаграмму коммутации, показанную на рис. 4.18,б. Здесь принята так называемая 180° коммутация, т.е. каждый ключ, замкнувшись, продолжает оставаться включенным три интервала, т.е. 1/2 периода или 180°. Включенное состояние ключей отмечено на диаграмме жирными линиями; внизу указанно, какие из ключей замкнуты на каждом интервале.
|
|
|
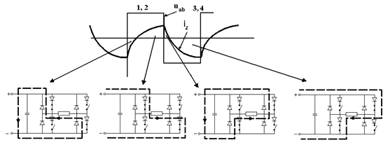
На интервале I точки А и С связаны с “плюсом” источника, а точка В с “минусом”, т.е. интервалу I соответствует схема на рис. 4.19,а. Нетрудно видеть, что сопротивление цепи между “+” и “-” составит при принятых величинах 1/2+1=3/2, общий ток будет 1:3/2=2/3, тогда фазные напряжения на I интервале будут: UAI = 1/3, UBI = -2/3 и UCI = 1/3 (положительным принято направление от зажимов А,В,С - к нулю). Если перейти к векторному представлению величин, то получим диаграмму на рис. 4.19,б: результирующий вектор, равный 1, направлен по оси фазы В.

Рис. 4.19. Диаграммы токов (а) и напряжений (б) на интервале I
Рассмотрим аналогично интервал II. Здесь точка А связана с “+”, а точки В и С - с “-” - схема на рис. 4.20,а. Аналогичными рассуждениями получим фазные напряжения: UAII = 2/3, UBII = -1/3 и UCII = -1/3, векторная диаграмма - на рис. 4.20,б. Результирующий вектор, попрежнему равный 1, сместится по часовой стрелке на 60°.


а) б)
Рис. 4.20. Диаграммы токов (а) и напряжений (б) на интервале II
Повторяя подобные рассуждения для остальных интервалов, получим диаграммы фазных напряжений на рис. 4.21,а и векторную диаграмму на рис. 4.21,б. Иногда вместо 180° коммутации используют 120° коммутацию, когда каждый ключ замкнут на протяжении двух интервалов. Нагрузка может быть при любой коммутации включена как в звезду, так и в треугольник. В этих вариантах будут несколько изменяться формы напряжений и их амплитуды, но принцип получения трехфазных (в общем случае - m -фазных) напряжений останется неизменным. При активно-индуктивной нагрузке останутся в силе рассмотренные ранее в однофазном варианте необходимые добавления - диоды, которые шунтируют ключи, и конденсатор, участвующий в процессе перекачки запасаемой в индуктивностях энергии на каждом такте работы схемы.

а) б)
Рис. 4.21. Диаграммы фазных напряжений
Изложенный принцип преобразования постоянного напряжения в переменное, основанный на использовании управляемых ключей, в различных модификациях и вариантах используется в подавляющем большинстве современных преобразователей частоты. В частности, он используется в автономных инверторах тока, когда на входе инвертора включен реактор, индуктивность которого достаточна для поддержания тока нагрузки практически неизменным в течение полупериода выходной частоты. Таким образом, в АИТ задается мгновенное значение тока, он питается от источника тока. Напряжение - зависимая переменная. Обычно нагрузка шунтируется конденсатором в целях создания условий коммутации ключей - тиристоров - и обеспечения нормальной работы при активно-индуктивной нагрузке.
|
|
|
Из изложенного следует, что управляемые ключи позволяют преобразовывать постоянное напряжение в m - фазное переменное напряжение нужной частоты, однако остался открытым вопрос об управлении амплитудой переменного напряжения. Принципиально есть несколько возможностей. Первая - и очевидная - использовать для связи с сетью управляемый выпрямитель взамен неуправляемого. Эта возможность используется обычно в АИТ и в последнее время в некоторых АИН для обеспечения рекуперации энергии в сеть и снижения вредного влияния инвертора на сеть. Вторая возможность - варьирование длительности импульса внутри каждого полупериода. Третья, повсеместно используемая в современных преобразователях частоты на основе АИН, - широтно-импульсная модуляция ШИМ.
Идею построения автономного инвертора напряжения с ШИМ проиллюстрируем на простейшей идеализированной однофазной схеме с чисто активной нагрузкой - рис. 4.16,а.
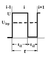
Для изменения амплитуды и формы напряжения на нагрузке раздробим каждый период Т на n равных частей (интервалов) с продолжительностью каждого
и будет коммутировать ключи 1,2 на каждом интервале положительного полупериода, а ключи 3,4 - на каждом интервале отрицательного полупериода как показано на рис. 4.22,а. Тогда на каждом интервале i к нагрузке будет прикладываться не полное напряжение U, а лишь его часть Uiср:
.

а) б)
Рис. 4.22. ШИМ на интервале (а) и на половине периода выходной частоты (б)
Меняя на каждом интервале относительную ширину импульса
,
можно легко управлять средним за интервал напряжением Uiср, т.е. формировать на каждом полупериоде любую нужную форму напряжения, как показано на рис. 4.22,б. С увеличением n будет уменьшаться t и ступенчатая кривая будет приближаться к заданной плавной.
Используя широтно-импульсную модуляцию, можно формировать любые нужные формы кривой тока, учитывая изменяющиеся в процессе работы параметры нагрузки. В современных хорошо сделанных преобразователях частоты ШИМ позволяет при любой требуемой выходной частоте преобразователя изменять нужным образом амплитуду напряжения, управляя магнитным потоком двигателя, и формировать при любой нагрузке на валу близкую к синусоидальной форму тока двигателя.
Полно реализовать широкие возможности ШИМ удалось лишь в последние 5 - 10 лет с появлением на рынке совершенных ключей, в частности, транзисторных модулей IGBT с напряжением до 1200 В, током до 600 А и частотой коммутации до 30 кГц, а также средств управления ими.
На рис. 4.23 в качестве примера показаны экспериментальные осциллограммы фазного напряжения и тока в одной из версий системы ПЧ-АД.

Рис. 4.23. Экспериментальная осциллограмма напряжения и тока в ПЧ с ШИМ
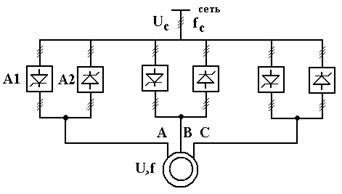
Наряду с рассмотренными выше преобразователями частоты с явно выраженным звеном постоянного тока иногда используются преобразователи частоты, в которых нет промежуточного звена постоянного тока, а питающая трехфазная сеть непосредственно связана с нагрузкой - статорными обмотками АД через группы управляемых выпрямителей - рис. 4.24,а,б. Такие ПЧ называют преобразователями частоты с непосредственной связью или циклоконверторами.
Каждая фаза двигателя (на рис. 4.24,б изображена фаза А) снабжена двумя комплектами встречно-параллельно включенных управляемых выпрямителей, выполненных на простейших полууправляемых ключах - тиристорах. Управляя выпрямителями, можно обеспечить условия, при которых на каждой фазе двигателя в положительный полупериод требуемого выходного напряжения (“+” на рис. 4.24,в) проводит один комплект тиристоров А1, а в отрицательный (“-”) другой - А2.

а) б)

в)
Рис. 4.24. Схемы (а) и (б) и диаграмма напряжений (в) преобразователя частоты с непосредственной связью
Из рис. 4.24,в следует, что период выходного напряжения Т и, следовательно, частота f= 1/Т зависят от момента переключения комплектов тиристоров и могут изменяться в некоторых пределах. Верхняя частота ограничена, поскольку при приближении Т к Тс (периоду сетевого напряжения) выходное напряжение оказывается сильно искаженным; на практике часто принимают f £ fc/2.
Амплитуда выходного напряжения может изменяться за счет изменения угла, как показано на рис. 4.24,в.
К преимуществам циклоконвертора следует отнести схемную простоту, реализуемость на простых, дешевых ключах, возможность двусторонней передачи мощности, малые потери в силовом канале. Однако, его недостатки - низкая верхняя частота, сильное искажение как питающего, так и выходного напряжения ограничивают пока его применение лишь отдельными специальными приводами.
Как следует из изложенного выше, преобразователи частоты являются одновременно и регуляторами напряжения, однако эта их функция имеет вспомогательный характер.
Вместе с тем, имеется специальная группа электрических преобразователей - регуляторы напряжения, единственной функцией которых является управление средней за полпериода величиной переменного напряжения.
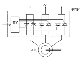
Типичная схема трехфазного тиристорного регулятора (преобразователя) напряжения ТПН, включаемого между сетью переменного тока и нагрузкой (АД), представлена на рис. 4.25,а.
Три пары встречно-параллельно включенных тиристоров управляются блоком управления БУ, представляющим собой любое устройство типа СИФУ (схема импульсно-фазового управления). СИФУ подает на тиристоры открывающие импульсы в моменты, сдвинутые на изменяемый угол a относительно момента естественной коммутации, благодаря чему напряжение меняется от U = Uн (a = 0) теоретически до 0 (a = 180°) (рис. 4.25,б). Закрывание тиристоров происходит естественно - при изменении полярности напряжения.


а) б)
Рис. 4.25. Тиристорный регулятор напряжения
Регуляторы напряжения, отличающиеся предельной простотой, доступностью элементной базы (тиристоры), малыми габаритами, высокой надежностью и низкой стоимостью, давно используются в мировой практике в качестве регуляторов скорости маломощных, обычно однофазных двигателей (доли кВт) и в качестве устройств плавного пуска трехфазных двигателей значительной (десятки - сотни кВт) мощности. Они же могут использоваться и для управления напряжением в целях энергосбережения при w» const, но сильно меняющейся нагрузке.
Как подчеркивалось ранее, эти устройства не должны применяться для регулирования скорости сколько-нибудь мощных АД, приводящих во вращение насосы, вентиляторы и другие машины, работающие в продолжительном режиме.






