9.1 Усилители переменного тока
Изобретение радиосвязи А.С.Поповым стало мощным стимулом для развития радиоэлектроники, так как появилась потребность в создании генераторов электрических колебаний высоких частот для радиопередатчиков и усилителей слабых сигналов, принимаемых радиоприемниками на расстоянии сотен и тысяч километров от передающих радиостанций.
Решение этих задач стало возможным с изобретением электронной лампы триода (Ли де Форес, США, 1906 г.). Отличие ее от известной двухэлектродной лампы диода состояло в том, что в нее был введен третий электрод – управляющая сетка, что позволило использовать триод как усилитель электрических сигналов. С этого времени развитие радиотехники пошло очень быстрыми темпами. Были разработаны усилители электрических сигналов, а на их основе и генераторы электрических колебаний высоких частот, а на их основе – радиопередатчики и радиоприемники, заработали передающие во многих странах Европы и Америки, в Азии и Африке.
До 1948 г. вся радиоаппаратура и электронно-вычислительные машины, появившиеся после Второй мировой войны, были разработаны на электронных лампах. Созданный в 1948 г. в США, а в 1949 в СССР полупроводниковый триод – транзистор стал заменять ламповый триод, и появилась полупроводниковая радиоаппаратура, которая оказалась гораздо меньше по габаритам, долее надежной и более богатой по функциональным возможностям.
|
|
|
Одним из главных устройств радиоэлектронной аппаратуры является усилитель слабых электрических сигналов.

Рис. 9.1. Принцип усиления электрических сигналов
Принцип усиления электрических сигналов показан на рисунке 9.1. он состоит в том, что источник входных сигналов (ИВС), имеющий э.д.с. еu и внутреннее сопротивление чвн создает на входе усилителя небольшое входное напряжение переменного тока ~Uвх. К усилителю подводится энергия от внешнего источника, которая при небольших затратах на входе направляется на выход к нагрузке (потребителю), которая обладает определенным сопротивлением RH , и на этом сопротивлении током нагрузки ~iH создается напряжение ~Uвых, которое оказывается значительно (во много раз) больше ~Uвх. Таким образом, усилитель является распределителем энергии источника питания и управляет ею в соответствии со входным сигналом. Это управление энергией источника питания осуществляется с помощью усилительного элемента – электронной лампы (триода, пентода и др.) или транзистора.

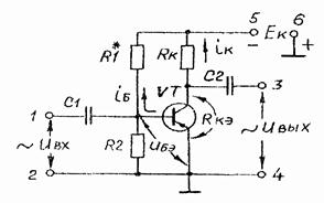
Рис. 9.2 Принципиальная схема усилителя
На рисунке 9.2 приведена принципиальная схема усилителя на транзисторе. «Транзистор VT, включенный по схеме с общим эмиттером» является усилительным элементом, получающим энергию от источника энергии EK в цепи коллектора.
|
|
|
В цепь коллектора включен резистор Rk, с помощью которого можно снять изменяющееся напряжение ~Uк с коллектором транзистора. Конденсаторы С1 и С2 определяют источник входного сигнала и нагрузку от усилителя по переменному току называются разделительными. Особенностью транзистора является то, что сопротивление его RКЭ между коллектором и эмиттером может изменяться под действием напряжения между базой и эмиттером Uбэ в широких пределах (от нескольких Ом до десятков килоом), что вызывает изменение тока коллектора iК также в широком интервале значений. Если RКЭ → 0 транзистор «открыт», ток iК максимален, а напряжение Uк минимально, и наоборот при RКЭ → ∞ ток iК минимален, транзистор «закрыт», напряжение Uк минимально. Указание состояния транзистора характерны для его работы в «ключевом» режиме.
На изменение величины RКЭ, которое практически соответствует (т.е. пропорционально напряжению на базе Uбэ), требуется незначительная мощность, а мощность в нагрузке изменяется во много раз, т.е. отношение
, (9.1)
где Кр – коэффициент усиления по мощности.
Изменение RКЭ при работе усилителя осуществляется входным сигналом, который изменяет напряжение на базе, обозначенное как ∆Uб. соответствующее изменение напряжения на коллекторе будет ∆Uк.
Отношение
(9.2)
называют коэффициентом усиления по напряжению.
Отношение
(9.3)
Называют коэффициентом усиления по току. Нетрудно показать, что произведение Kp = Ku · Ki (9.4)
Для усиления плавно изменяющихся сигналов, например, гармонических, необходимо подать на базу небольшое постоянное напряжение Uбэо, чтобы задать некоторое начальное значение сопротивлению RКЭ, и следовательно току коллектора Iпо, относительно которого будут изменения ∆iК от входного сигнала ~Uвх.
Начальное значение Uбэо называют начальным напряжением смещения, которое можно подать либо от отдельного источника э.д.с., либо от источника питания Ек. в нашем случае смещение подается с помощью делителя напряжения R1-R2.
Надо отметить, что сопротивление транзистора RКЭ (его называют внутренним сопротивлением усилительного элемента) изменяется под действием входного напряжения практически мгновенно, так что ток и напряжение на коллекторе изменится с такой же быстротой, поэтому транзисторы могут усиливать периодические сигналы с частотой от единиц герц до сотен миллионов герц.
Рассмотренная схема усилителя позволяет усиливать сигналы переменного тока в определенной полосе частот, так как на входе и выходе усилителя стоят конденсаторы С1 и С2.
Частотная характеристика усилителя переменного толка показана на рисунке 9.3.

Рис. 9.3 Частотная характеристика усилителя переменного тока
Она представляет собой зависимость коэффициента усиления от частоты входного сигнала при неизменной его амплитуде. На низких и высоких частотах усиление уменьшается, а на средних частотах усиление максимально. Область приблизительно равномерного усиления оценивают полосой пропускания усилителя, которого определяют на уровне 0,7 КUmax (или на уровне -3-х децибелл) по нижней fH и верхней fB частотам. Диапазон частот от fH до fB и есть полоса пропускания. Чем шире полоса пропускания, тем сложнее по форме сигналы может усиливать усилитель.
9.2 Усилители постоянного тока
На практике встречаются не только сигналы переменного тока высоких частот, но и медленно меняющихся сигналы, например сигналы, пропорциональные изменению температуры в печи для закалки деталей, или сигналы, пропорциональные освещенности в теплице. Такие сигналы очень часто встречаются в устройствах автоматики. Для усиления их применяют усилители медленно меняющихся сигналов или усилители постоянного тока (УПТ).
|
|
|
В схемах таких усилителей отсутствуют элементы с частотно-зависимым сопротивлением – катушки индуктивности и конденсаторы.
Вид частотной характеристики УПТ приведен на рисунке 9.4.

Рис. 9.4 Частотная характеристика УПТ
В отличие от усилителей переменного тока в области низких частот нет ослабления усиления вплоть до частоты fH=0, т.е. постоянного тока, а в области высоких частот fB усиление ограничивается только частотными свойствами усилительных элементов.
По принципу построения УПТ делятся на усиление прямого усиления и усилители с преобразованием.
В многокаскадных усилителях прямого усиления применяют непосредственную связь между каскадами, соединяя выход предыдущего каскада со входом последующего, а для согласования каскадов используют резисторы активного сопротивления.
Недостатки усилителей прямого усиления является появление ложного сигнала при Uвх = 0, т.е. уход «нуля» или «дрейф нуля», который усиливается и приводит к ложным срабатываниям различных устройств. Появление «дрейфа нуля» связано с изменением свойств усилительных элементов и резисторов при изменении температуры, а также при старении элементов.
Для уменьшения «дрейфа» применяют специальные схемы усилительных каскадов. Наиболее употребительны схемы дифференциальная и мостовая.
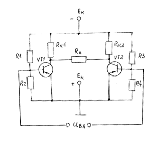
Схема дифференциального каскада показана на рисунке 9.5.

Рис. 9.5 Схема дифференциального каскада УПТ
Каскад состоит из двух усилительных элементов VT1 и VT2. нагрузка коллекторов Rk разделена на две части. Питание Ек подключено между ними. Резисторы R1, R2 и R3 и R4 обеспечивают необходимое напряжение смещения на базы транзисторов. Входной сигнал подается одновременно на базы транзисторов.
Для уменьшения «дрейфа нуля» схему выполняют на однотипных транзисторах с одинаковыми коэффициентами передачи тока и с наименьшим разбросом сопротивлений резисторов. Для одинаковости транзисторов промышленность выпускает транзисторные сборки по два транзистора в одном корпусе, что при одинаковой технологии дает минимальные отличия в их свойствах при эксплуатации усилителей.
|
|
|
Мостовая схема каскада УПТ приведена на рисунке 9.6.

Рис. 9.6 Мостовая схема каскада УПТ
Мостовая схема по принципу действия мало отличается от дифференциальной, но нагрузка RН, которую нельзя разделить пополам, включена между коллекторами транзисторов VT1 и VT2.
Лекция 10