Основными причинами, вызывающими необходимость усиления оснований являются
- изменение гидрогеологических условий участка, на котором расположен реконструируемый объект;
- изменение с течением времени физико-механических свойств насыпных грунтов;
- влияние на грунты основания транспортных и технологических динамических нагрузок;
- изменение нагрузок на основание вследствие надстройки или изменения функционального назначения реконструируемого здания.
Для усиления оснований применяются методы цементации, силикатизации, битумизации, смолизации, термозакрепления и глубинного уплотнения грунтов (наклонные набивные сваи).
Перечисленные методы широко применяются при подготовке территории под застройку при новом строительстве. В условиях их применения для укрепления основания под существующими фундаментами необходимо учесть их наличие. Дело в том, что нагнетаемые под подошву фундамента реактивы активно распространяются в сторону от фундамента, перемещая и некоторое количество частиц грунта (своего рода «вторичная суффозия»). Чтобы избежать временного ухудшения физико-механических характеристик грунтов основания под подошвой фундамента, рекомендуется заблаговременно устраивать «завесы» из закрепленного грунта по обеим сторонам от фундамента, препятствующие вторичной суффозии (рис.4.1).
|
|
|

Рис. 4.1. Поэтапное укрепление грунта основания:
1- инъекторы для формирования завес; 2 – то же для укрепления грунта под подошвой фундамента; 3 - фундамент
При увеличении нагрузок на существующие фундаменты рекомендуется также устройство ограждающей конструкции из свай или шпунтов, при этом не допускается отрыв подошвы фундамента от основания. (См. рис.4.2).

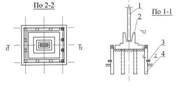
Рис. 4.2. Усиление основания ограждающими сваями:
1 – колонна; 2 – фундамент; 3 – обвязочная балка;
4 – сваи усиления
При устройстве по периметру фундамента ограждающей конструкции из свай или шпунтов несущая способность основания существенно возрастает. Это происходит за счет трения между грунтом и ограждением, в результате часть вертикальной нагрузки от грунтового ядра передается на сваи (шпунты). Последние, в сою очередь, вовлекают за счет трения по боковой поверхности массы грунта окружающий стенки, причем зона вовлекаемого в работу грунта возрастает с глубиной. При устройстве ограждения следует стремиться к тому, чтобы расстояние между сваями (шпунтом) и обрезом фундамента, под которым усиливается основание, было минимально возможным из условия производства работ. При усилении основания контурным ограждением рекомендуется устройство по верху ограждения обвязочной балки.