В результате выполнения практического задания студент должен. -конструктивные решения основных элементов железобетонного каркаса

знать:

-конструктивные решения основных элементов железобетонного каркаса;

- конструктивные решения основных элементов стального каркаса.

уметь:

- выполнять чертежи узлов сопряжения элементов железобетонного и стального каркасов.

Исходные данные:

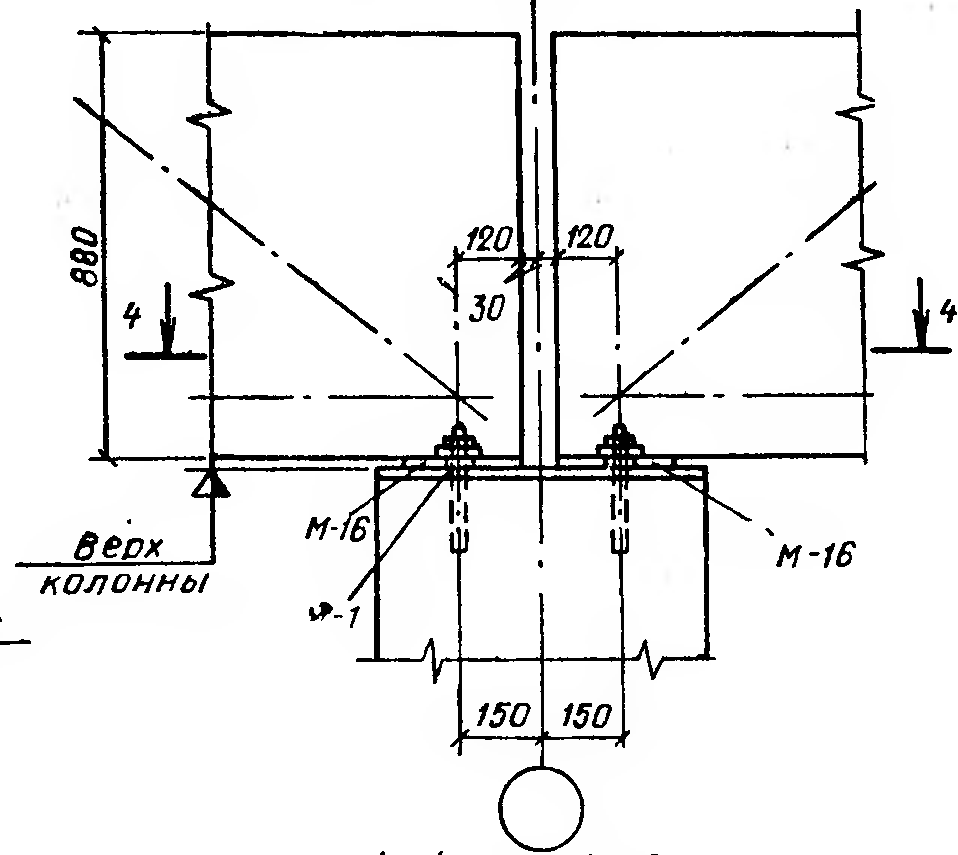
1. Приложение 1 Узлы сопряжения элементов железобетонного и стального каркасов

2. Таблица выбора варианта

Таблица Выбор варианта

№ варианта 1-6 7-12 13-18 19-24 25-30
№ узла 1, 6 2, 7 3, 8 4, 9 5, 10

Примечание: Номер варианта определяется по номеру в журнале группы

Приложение 1

№ узла Узел
 
 
 
 
 
 
 
 
 
 

Порядок выполнения практического задания:

1. В соответствии с вариантом, определить сопряжение каких элементов и какого каркаса изображено на узле.

2. Вычертить узлы

3. Указать элементы и недостающие размеры.

Литература:

1. Вильчик Н.П. «Архитектура зданий» М ИНФРА-М 2010

2. Трепененков Р.И. «Альбом чертежей конструкций и деталей промышленных зданий» - М.: Стройиздат, 1980

3. Шерещевский И.А. «Конструирование промышленных зданий и сооружений» - М.: Стройиздат,2005





Подборка статей по вашей теме: