Приспосабливающиеся (адаптивные) системы – системы, у которых управляющие параметры или алгоритмы управления адаптируются к возмущающим воздействиям с целью оптимального управления системой. В условиях, когда другие системы с заранее заданными входными параметрами и структурой не могут обеспечить требуемое управляющее воздействие из-за изменения динамических характеристик объекта управления, применяются адаптивные системы.
По способу управления адаптивные системы подразделяются на:
-самонастраивающиеся системы
-самоорганизующиеся системы
-самообучающиеся системы
Самонастраивающиеся системы – системы, желаемое управляющее воздействие которых достигается изменением параметров управляющего устройства в зависимости от данных о внешнем возмущении, данных о изменении динамических характеристик объекта управления в процессе управления.

Рис. 15. Структурная схема самонастраивающейся системы управления
УУ – управляющее устройство, ОУ – объект управления,
ДО – датчик отклонений
|
|
|
Датчик отклонений (ДО) вырабатывает сигнал, позволяющий определить изменение параметров соответствующего звена или внешнего возмущения и в соответствии с этим оптимизировать управляющее воздействие.
Экстремальные системы применяются для автоматического поиска экстремума управляемого параметра, и, в зависимости от изменения его положения, автоматически меняющие алгоритм действий.
Приспосабливающиеся системы в большинстве случаев являются оптимальными системами, т.к. в процессе работы находятся в автоматическом поиске оптимальных параметров. Существуют пассивные и активные методы адаптации систем.
При пассивном методе адаптации взаимосвязанность звеньев системы и ее настроек с меняющимися внешними возмущениями задается на основе аксиоматических данных и существующего опыта. В случае, если объект нестационарен и известны закономерности изменения величин его параметров, то возможно применение указанного метода.
Активный метод адаптации применяется в случае изменения параметров объекта по неустановленной закономерности, в виде изменения звеньев и их настроек в зависимости от текущих данных, поступающих в процессе управления.
В зависимости от применяемого метода адаптации самонастраивающиеся системы управления подразделяются на поисковые и беспоисковые.
Поисковые системы вносят пробное изменение в параметры управляющего устройства, контролируя при этом отклик системы на данное изменение. При улучшении управляющих параметров системы, система продолжает изменение параметров управляющего устройства в том же направлении, при ухудшении качества управления, система меняет направление изменения параметров.
|
|
|
Беспоисковые системы регулируют управляющие параметры на основе сравнения параметров заданной эталонной модели и фактических выходных параметров.
Самоорганизующиеся системы – системы, в которых изменяются управляющие параметры, структура системы (могут включаться дополнительные звенья) и могут изменятся параметры звеньев системы.
Самообучающиеся системы – системы, у которых могут изменяться управляющие параметры, структура и параметры самой системы, кроме того, данные системы способны улучшать качество управления на основании ранее полученного опыта, т.е. запоминать и изменять алгоритм своей работы в направлении улучшения качества.

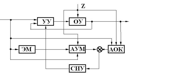
Рис.16. Структурная схема беспоисковой системы.
УУ – управляющее устройство, ОУ – объект управления,
ЭМ – эталонная модель, АУМ – анализатор качества управления эталонной
Модели, АОК - анализатор основного контура системы,
СИУ – самонастраивающееся исполнительное устройство
По своим параметрам системы могут подразделяться на стационарные и нестационарные.
Принадлежность источника энергии, создающего управляющие воздействия, характеризует системы прямого и непрямого действия. В системах прямого действия объект управления использует свою энергию, в системах непрямого действия – энергию из другого источника.