![]() |
Рисунок 1. − Общая классификация измерительной техники
На рисунке 1 представлена классификация измерительной техники как по методам измерений, так и по областям применения. Штриховые линии отражают условность границ между измерительной техникой того или иного применения, т.е. возможности использования одной и той же аппаратуры в различных условиях эксплуатации и для решения различных задач [11].
Под прецизионной измерительной техникой понимают средства, предназначенные для выполнения различных метрологических исследований и экспериментов. Они включают разработки и усовершенствования методов воспроизведения и передачи размеров единиц измерения, а также определения значений природных констант с максимально возможной точностью.
Под измерительной техникой лабораторного применения понимают средства, предназначенные преимущественно для экспериментов при проведении научно-исследовательских работ и определения количественных значений соответствующих величин, а также параметров и характеристик различных процессов.
|
|
|
Измерительная техника промышленного назначения охватывает средства, имеющие отношение к технологическим процессам производства различных видов продукции. Характерным для этих средств является непрерывный режим работы, но используются и средства, которые работают с прерыванием во времени.
Измерительная техника специального применения отличается в основном конструктивным исполнением, что обусловлено спецификой окружающей среды соответствующих областей измерения.
По виду выдаваемой информации различают аналоговые и цифровые приборы. Аналоговый прибор −измерительный прибор, показания которого являются непрерывной функцией изменения измеряемой величины. Цифровой прибор − измерительный прибор, автоматически вырабатывающий дискретные сигналы измерительной информации, показания которых представлены в цифровой форме.
По способу выдачи измерительной информации измерительные приборы делятся на показывающие и регистрирующие. Показывающий прибор −измерительный прибор, допускающий отсчитывание показания, регистрирующий −прибор, в котором предусмотрена регистрация показаний. Регистрирующий прибор, в котором предусмотрена запись показаний в форме диаграммы, называют самопишущим, а печатание показаний в цифровой форме − печатающим. Самопишущие приборы снабжены ленточной или дисковой диаграммой для автоматической записи во времени значений измеряемой величины. Дисковые диаграммы обычно служат для записи значений измеряемой величины, в течение суток, ленточные диаграммы (свернутые в рулон) используются более длительное время.
|
|
|
Комплекс приборов, включающий автоматические потенциометры, автоматические уравновешенные мосты и миллиамперметры, имеет общее условное обозначение (КС) − комплекс самописцев и предназначается для измерения, записи и регулирования (позиционного) температуры и других величин, которые могут быть преобразованы в постоянный ток, напряжение или активное сопротивление. Система построена на ряде взаимозаменяемых узлов-блоков.
Автоматические потенциометры
Потенциометры являются наиболее распространенными вторичными приборами, работающими в комплекте с термоэлектрическими термометрами. Автоматические потенциометры промышленного назначения выпускаются более высокого класса точности, чем милливольтметры.
Потенциометры предназначены для измерения компенсационным методом напряжения, поступающего с датчика (например, термопары или радиационного пирометра).
Принцип потенциометрического (компенсационного) метода измерения основан на уравновешивании измеряемой э.д.с. и известного падения напряжения на калибровочном сопротивлении. Принципиальная схема потенциометрического метода измерения показана на рисунке 2. Уравновешивающее напряжение в этой схеме создается с помощью стабилизированного источника питания, падение напряжения от которого на сопротивлении (реохорде) Rp поддерживается с э.д.с. источника.
Для поддержания неизменного по величине тока в цепибатареи служит реостат R1. Присоединив к клеммам 1 источник питания Еt, таким образом, чтобы измеряемая э.д.с. была направлена навстречу напряжению, снимаемому с реохорда, можно, передвигая движок реохорда, добиться такого положения, когда напряжение между точкой а и подвижным элементом bбудетравно измеряемой э. д.с. В этом случае токв цепи источника измеряемой э. д.с. Будет равен нулю, и стрелка гальванометра Г установится на нулевую отметку шкалы.

Рисунок 2 − Схема потенцио- Рисунок 3 − Упрощенная схема
метрического метода измерения электронного потенциометра
В любой точке реохорда соблюдается равенство

или

Воспользовавшись законом Ома, можно преобразовать последнее уравнение:
.
Таким образом, по положению движка b (при нулевом положении стрелка гальванометра) можно определить измеряемую э.д.с.
На заводах для измерения э.д.с. применяются электронные автоматические потенциометры.
Автоматизация процесса компенсации измеряемой э.д.с. сводится к тому, что разбаланс между измеряемой э.д.с. и э.д.с, поступающей от источника питания, усиливается электронным усилителем и поступает на двигатель, который перемещает подвижной контакт реохорда до тех пор, пока этот разбаланс не станет равным нулю.
Упрощенная схема электронного потенциометра показана на рисунке 3. Падение напряжения на участке реохорда ab сравнивается с измеряемой э.д.с. Et. Если они неравны, балансирующая система потенциометра, которая состоит из вибропреобразователя 1, электронного усилителя 2 и балансирующего электродвигателя 3, перемещая движок реохорда 4, стремится ликвидировать возникший разбаланс. Питание измерительной схемы осуществляется стабилизированным источником питания 5.
Типовой промышленный потенциометр состоит из следующих легкосменяемых блоков и модулей: блока фильтров, модуля измерительной схемы, модуля реохорда, блока источника питания ИПС, блока вибропреобразователя, усилительного блока и модуля выходных преобразователей. Обычно блоки и модули соединяются между собой с помощью штепсельных разъемов.
Отечественная приборостроительная промышленность выпускает следующие типы автоматических потенциометров системы ГСП: КСП3-П, КСП2, КСП, КВП1, КСП1 и КПП1.
|
|
|
Приборы типа КСПЗ-П выпускаются одноточечными для измерения и записи на дисковой диаграмме, рассчитанной на 24 часа; типа КСП4 − на 1,3,6,12 точек измерения с записью на складывающейся ленточной диаграмме (скорость продвижения диаграммы можно изменять в пределах от 20 до 54000 мм/ч); типа КСП2 − на 1,3,6 или 12 точек с записью на ленточной диаграмме, размещаемых на барабанах лентопротяжного механизма (скорость продвижения диаграммы можно менять от 20 до 3600 мм/ч); типа КСП1 и КТШ1 − одноточечными.
Потенциометры подразделяют на лабораторные и автоматические электронные.
Автоматические электронные потенциометры
В основу работы электронных автоматических потенциометров типа КСП положен компенсационный метод измерения напряжения (термоЭДС термопары). Термопара (рисунок 3) включена последовательно с усилителем У1 в диагональ СД измерительного моста, состоящего из сопротивления RM, R2,R3 и R4. В другую диагональ моста − АВ − включен источник стабилизированного питания ИПСЗ, обеспечивающий постоянство рабочего тока в измерительной схеме, сопротивление моста RM сделано из меди, оно размещено около свободных концов термопары и имеет одинаковую с ним температуру, следовательно мост АВСД служит для автоматической компенсации температуры свободных концов термопары, напряжение на его выходной диагонали СД складывается с термоЭДС термопары, компенсируя влияние изменений температуры ее свободных концов.
При изменении термоЭДС термопары в усилитель подается сигнал разбаланса, где он преобразуется и усиливается до значения, достаточного для приведения в действие реверсивного асинхронного конденсаторного двигателя РД. Ось двигателя РД с помощью шкива и тросиков связана с кореткой К, на которой закреплены движок потенциометра, указатель температуры на шкале и чернильное перо, движущееся поперек прямоугольной ленточной диаграммы ЛД.
Ротор реверсивного двигателя вращается до тех пор, пока существует сигнал, вызванный разбалансом измерительной схемы. В момент равновесия измерительной схемы положения указателя на шкале прибора и пера на диаграммной ленте определяют значение измеряемой температуры.
|
|
|
Для устранения влияния поперечных и продольных помех, возникающих в цепи термопары, на вход прибора подключены фильтры. Синхронный двигатель СД приводит в действие лентопротяжный механизм, а в многоканальных приборах − и цветной печатающий механизм. Скорость движения ленты может меняться с помощью редуктора от 20 до 240 и от 600 до 2400 мм/ч, скорость ленты у многоканальных приборов от 40 до 360 мм/ч. Успокоение прибора регулируется регулятором чувствительности усилителя. Нормально указатель прибора при резких изменениях измеряемой температуры должен сделать не более 1 − 2 колебаний около положения равновесия.
Быстродействие прибора 10 с (имеется модификация с быстродействием 2,5 с), основная погрешность 0,5%.
В прибор на выходе может быть встроено реостатное устройство − дополнительный потенциометр с подвижным, контактом, связанный с основным, что позволяет осуществлять дистанционную передачу показаний. Усилитель переменного тока питается от сети переменного тока 220 В, 50 Гц, его коэффициент передачи напряжения не менее 2,2∙105, потребляемая от сети мощность 15ВА.
В усилителе У1 сигнал рассогласования постоянного тока преобразуется с помощью модулятора в сигнал переменного тока и поступает на первичную обмотку входного трансформатора, который гальванически разделяет цепь датчика прибора и общую точку схемы усилителя, которая может быть соединена с корпусом прибора. Переменное напряжение вторичной обмотки входного трансформатора усиливается двумя каскадами усиления на микросхемах. Питание каскадов усиления осуществляется от выпрямителя с фильтрами и стабилизацией, выпрямленного напряжения. Усиленное напряжение поступает на вход каскада конечного усиления, выполненного на транзисторах.
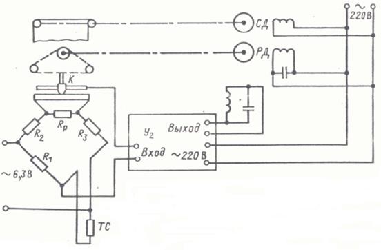
Автоматический прибор КСМ
КСМ − уравновешенный мост переменного тока, питаемый стабилизированным напряжением 6,3 В. Он представляет собой мостовую схему (рисунок 4), состоящую из трех постоянных резисторов R1-R3 и преобразователя сопротивления ТС. В схему моста включен также потенциометр Rp. В целях уменьшения влияния сопротивления проводов, идущих от моста к термопреобразователю сопротивления, последний включен по трехпроводной схеме.

Рисунок 4 − Принципиальная схема автоматического моста
переменного тока
При изменении температуры объекта изменяется сопротивление термометра сопротивления ТС и нарушается равновесие измерительной схемы. В результате в выходной диагонали моста появляется напряжение разбаланса, которое подается на вход усилителя У2, усиливается и приводит в действие реверсивный асинхронный конденсаторный двигатель РД. Двигатель с помощью шкива и троса перемещает каретку К, на которой закреплен движок потенциометра, указатель шкалы и чернильное перо.
Ротор реверсивного двигателя вращается до тех пор, пока существует сигнал, вызванный разбалансом схемы.
