
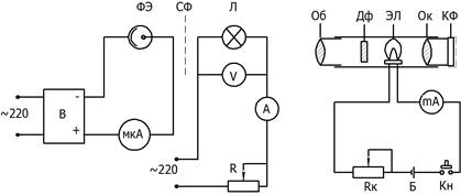
Рис. 2
В комплект установки входят (см. рис. 2):
1) исследуемая лампа Л, в цепь которой включены вольтметр V, амперметр А и реостат R;
2) фотоэлемент ФЭ, микроамперметр мкА, подключенные к высоковольтному выпрямителю В;
3) оптический пирометр и аккумулятор Б.
В электрическую схему пирометра входят: эталонная лампа ЭЛ, миллиамперметр мА, проградуированный в градусах Цельсия по излучению абсолютно черного тела; кольцевой реостат Rк, с помощью которого регулируют ток в лампе.
Электрическая цепь замыкается нажатием кнопки Кн, укрепленной в нижней части корпуса.
Миллиамперметр установлен на вертикальной стенке в верхней части корпуса, а кольцевой реостат – в крышке корпуса.
Оптическую схему пирометра составляют объектив Об, окуляр ОК, дымчатый фильтр ДФ, красный светофильтр КФ. Между объективом и окуляром установлена нить эталонной лампы ЭЛ, изогнутой в форме дуги.
Дымчатый фильтр вводится поворотом рукоятки, укрепленной в верхней части корпуса пирометра. Красный светофильтр укреплен в поворотной обойме окуляра.






