вхідної;
+ керуючої;
програмної;
вихідної;
129. Підсилювачі використовують з метою:
підсилення рівня автоматизації с.-г. виробництва;
+ підсилення слабких сигналів;
зменшення дії підсилених сигналів;
розв’язання електричних кіл;
На який сигнал реагує фоторезистор?
температурний;
електричний;
+ світловий;
сигнал фотоапарата;
За якою формулою визначається вихідна напруга у подільнику напруг?
+ ; ; ; ; ; | |
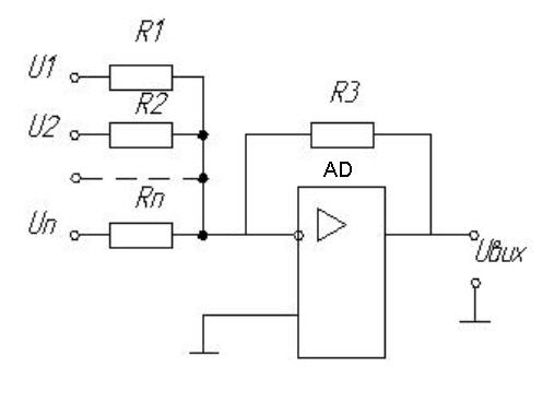
Схема якого автоматичного пристрою показана на рисунку?
| інвертованого підсилювача; + інвертованого суматора; інтегруючий підсилювач; диференціюючий підсилювач; | |
Яку функцію виконує логічний елемент?
| + АБО; НІ; І; АБО-НІ; | |
;
;
;
;
;






