Тяго - дутьевые системы котельных установок
Устройство тяго–дутьевой системы определяется принятым в котельной способом тяги и дутья и зависит от вида сжигаемого топлива, типа, мощности и количества котлов. В состав тягодутьеых систем в общем случае входят вентиляторы, дымососы, каналы для движения воздуха и газов (газовоздуховоды) и дымовые трубы.
Для создания дутья и тяги применяются котельные центробежные дутьевые вентиляторы и дымососы.

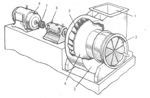
Рис. 62. Тягодутьевая машина.
1 – выход газа; 2 – лопатки осевого направляющего аппарата; 3 – корпус (улита); 4 – диск колеса; 5 – лопатки колеса; 6 – корпус выносного подшипника; 7 соединительная муфта; 8 – электродвигатель.
Они имеют одинаковую конструктивную схему и состоят из следующих основных элементов (рис.62):
– улитообразного кожуха 3, прикрепленного к фундаменту;
– рабочего колеса 4 с лопатками5. Для создания повышенного напора при пониженной подаче и к.п.д. порядка 0,7 применяются лопатки загнутые вперед. При пониженном напоре, но повышенной подаче при к.п.д. около 0,82 используются лопатки загнутые назад;
|
|
|
– вала тягодутьевой машины, на консольную часть которого насажено рабочее колесо;
– корпус подшипников 6, в которых закреплен вал. В нижней части корпуса расположена ванна с маслом, которое используется для смазки и охлаждения подшипников. В дымососах масло охлаждается водой, которая проходит через змеевик, уложенный в масленой ванне;
– муфты 7, соединяющей вал машины с валом электродвигателя 8;
– электродвигателя 8, который, как правило, является асинхронным с короткозамкнутым ротором;
– опорной рамы, на которой установлены корпус подшипников и электродвигатель. Рама крепится к фундаменту анкерными болтами;
– направляющего аппарата 2, состоящего из восьми лопаток, которые, поворачиваясь одновременно, меняют проходное сечение всасывающего патрубка от его закрытия и до полного открытия. Тем самым производится регулирование производительности машины.
Рассмотренное устройство имеют котельные дутьевые вентиляторы и дымососы типа ВД и Д. После буквенного обозначения следует цифра, обозначающая диаметр рабочего колеса в дециметрах, например, ВД- 12, Д-15,5 и др. Для небольших котлов применяются вентиляторы общепромышленного назначения типа ЭВР, Ц4-70 и др.






