МИКРОПРОЦЕССОР 8086(88)

Структурная схема микропроцессора

- ZF - флаг/признак нулевого результата (Zero), устанавливается в 1, если получен нулевой результат, иначе (ZF)=0.
- CF - флаг переноса (Carry) устанавливается, если в результате выполнения операции из старшего бита переносится или занимается 1 при сложении или вычитании, иначе (CF)=0. На CF влияют также команды сдвига и умножения.
- SF - флаг знака результата (Sign) равен единице, если результат отрицательный, т.е. он дублирует старший знаковый бит результата.
- PF - флаг четности (Parity). (PF)=1, если сумма по модулю два всех битов результата равна нулю (число единичных битов - четное).
- AF - флаг дополнительного переноса (Auxiliary) устанавливается, если есть перенос из старшего бита младшей тетрады (бит D3) в младший бит старшей тетрады (бит D4). Используется в операциях над упакованными BCD числами.
- OF - флаг переполнения (Overflow) устанавливается, когда результат операции превысит одно- или двухбайтовый диапазон чисел со ЗНАКОМ, а также в некоторых других случаях. Другое определение: (OF)=1, если перенос/заем в старший бит результата не равен переносу/заему из старшего бита.

|
|
|
Организация памяти и вычисления адреса

Процессорный блок

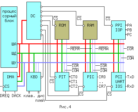
Микропроцессорная система с шинным интерфейсом

стек

Программный ввод-вывод

Прямой доступ к памяти (ПДП) и транзакции






