ЛИТЕРАТУРА
ВОПРОСЫ К ЗАЧЕТУ
1. Особенности, основные понятия и школы в этике Древней Индии.
2. Особенности, основные понятия и школы в этике Древнего Китая.
3. Особенности и основные представители древнегреческой этики (Сократ, сократические школы, Платон, Аристотель).
4. Евангельская моральная доктрина.
5. Этика Августина Блаженного.
6. Основные проблемы в этике Нового времени.
7. Теория морали И.Канта.
8. К.Маркс и социологизм в этике.
9. Иррационализм в этике XIX века: А.Шопенгауэр.
10. Иррационализм в этике XIX века: Ф.Ницше.
11. Этические идеи ХХ века: экзистенциализм.
12. Этические идеи ХХ века: этика ненасилия.
13. Социальная регуляция при родовом строе: обычай и мораль.
14. Традиционная нравственность и ее принципы.
15. Нравы средневековья.
16. Буржуазная мораль.
17. Мораль советского общества.
18. Свойства морали.
19. Антиномии в морали.
20. Структура морали.
21. Функции морали.
22. Понятие нравственной свободы: «свобода от…» и «свобода для…».
23. Концепции смысла жизни в этике.
24. Антиномии счастья.
1. Авторский курс лекций.
2. Гусейнов А.А., Апресян Р.Г. Этика. – М., 1998.
3. Гусейнов А.А., Иррлитц Г. Краткая история этики. – М., 1987.
4. Зеленкова И.Л. Основы этики. – Мн., 2001.
5. Зеленкова И.Л. Этика. – Мн., 2003.
6. Зеленкова И.Л. Этика: тексты, комментарии, иллюстрации. – Мн., 2001.
7. Зеленкова И.Л., Беляева Е.В. Этика. Учебное пособие. – Мн., 2001.
8. Золотухина-Аболина Е.Н. Современная этика. – М., 2000.
9. История этических учений. – М., 2003.
10. Кондрашов В.А. Этика. Чичина Е.А. Эстетика. – Ростов-на-Дону, 1998.
11. Мишаткина Т.В. Этика. Практикум. – Мн., 2003.
12. Основы этических знаний. – СПб., 1998.
13. Прикладная этика. Под. ред. Зеленковой И.Л. – Мн., 2002.
14. Широкова И.Г. Этика. Конспект лекций. – М., 2000.
15. Шрейдер Ю.А. Лекции по этике: Учеб. пособие. – М., 1998.
16. Этика. Под ред. Гусейнова А.А. – М., 2000.
17. Этика. Под ред. Мишаткиной Т.В. – Мн., 2002.
18. Этическая мозаика (под ред. Зеленковой И.Л.) – Мн., 2001.
Учебное издание
Система открытого образования
| Забруднювальна речовина | Джерела забруднення | |
| Гази | Вуглекислий газ | Вулканічна діяльність, дихання живих організмів, спалювання викопного палива |
| Чадний газ | Двигуни внутрішнього згорання, процеси горіння | |
| Метан | Анаеробна ферментація сміття | |
| Вуглеводні | Бактерії, двигуни внутрішнього згорання | |
| Органічні сполуки | Хімічна промисловість, спалювання відходів | |
| Сірчистий газ та інші похідні сірки | Вулканічна діяльність, бактерії, спалювання викопного палива | |
| Похідні азоту | Бактерії, процеси горіння | |
| Радіоактивні речовини | Об’єкти атомної енергетики, ядерні вибухи | |
| Тверді частинки | Важкі метали і мінеральні сполуки | Вулканічна діяльність, промисловість, металургія, двигуни внутрішнього згорання |
| Органічні речовини (природні і синтетичні) | Лісові пожежі, хімічна промисловість, спалювання відходів, сільське господарство (пестициди) | |
| Радіоактивні речовини | Об’єкти атомної енергетики, ядерні вибухи |
Основними джерелами забруднення атмосфери в Україні є важка промисловість (30%), автотранспорт (40%), теплоенергетика (30%).
Заходи для запобігання забруднення повітря шкідливими викидами. Для запобігання забруднення атмосферного повітря шкідливими викидами застосовують такі заходи:
- створення санітарно-захисних зон (СЗЗ) між промисловими підприємствами та житловою забудовою. Розміри СЗЗ встановлюють в межах від 50 до 3000 м – залежно від потужності підприємства, особливостей технологічного процесу виробництва, характеру і кількості шкідливих речовин. Підприємства з технологічними процесами, що не викидають в атмосферу забруднювальних речовин, розміщуються в межах житлових районів. Поблизу підприємств із великою кількістю викидів шкідливих речовин СЗЗ формується у вигляді аеродинамічної системи, що складається із захисних смуг з зеленими насадженнями і відкритих просторів між ними.
- архітектурно-планувальні заходи, пов'язані з вибором місця для будівництва промислового підприємства, взаємним розташуванням підприємства і житлових кварталів, взаємним розташуванням цехів підприємства, розташуванням зелених зон. Промисловий об'єкт повинен бути розташований на рівному, підвищеному, добре провітрюваному місці, бажано поза населеними пунктами і з підвітряної сторони від житлових масивів (враховуючи середню розу вітрів теплого періоду року, щоб викиди рухалися убік від житлових кварталів). Цехи, що викидають у повітря найбільшу кількість забруднювальних речовин, варто розташовувати скраю виробничої території з протилежного до житлового масиву боку. Розташування цехів повинно бути таким, щоб при напрямку вітру в бік житлових кварталів їхні викиди не поєднувалися.
- використання зелених насаджень. Зелені насадження є ефективними біофільтрами. При проходженні запиленого повітря крізь крони дерев і чагарників, а також крізь трав'янисту рослинність, воно очищається від пилу завдяки осадженню аерозольних частинок на поверхні листя і стебел рослин. Зелені насадження можуть поглинати і газоподібні домішки. Наприклад, 10 кг листя дерева (у перерахуванні на суху масу) за період із травня до вересня поглинають таку кількість сірчистого газу: тополя — 180 м3, липа — 100 м3, береза — 90 м3, клен — 20—30 м3. Якщо концентрація забруднювальної речовини перевищує ГДК, вона стає шкідливою для життєдіяльності рослин і може привести до їх загибелі. Найбільш стійкими до забрудників є акація, дуб, верба, клен.
- інженерно-організаційні заходи. До них належать, зокрема, зниження інтенсивності та організація руху автотранспорту. Для цього ведеться будівництво об'їздних та окружних доріг навколо міст і населених пунктів, використовуються «розв'язки» перетинань доріг на різних рівнях, організація на основних міських магістралях руху «зелених хвиль». До інженерно-організаційних заходів належить також збільшення висоти димарів (якщо димар висотою 100 м розсіює шкідливі речовини в радіусі до 20 км, то висотою 250 м збільшує радіус розсіювання до 75 км).
- застосування маловідходних технологій: перехід підприємств теплоенергетики з твердого палива на природний газ, що дозволяє суттєво знизити рівень забруднення атмосферного повітря пилом і сірчистими сполуками; оптимізація процесу спалювання палива з метою зниження викидів оксидів азоту в атмосферу - двохступеневе спалювання палива (спочатку з недостачею кисню, а потім з його надлишком); рециркуляція продуктів згорання; зниження енергоємності виробництва і використання як вторинних енергоресурсів гарячої води і гарячих газів).
- застосування технологій очищення газодимових викидів. Згідно з Законом України «Про охорону атмосферного повітря» кожне підприємство, заклад або організація, діяльність, яких пов’язана із викидами в атмосферу забруднювальних речовин, повинні бути оснащені відповідними спорудами, обладнанням та устаткуванням для очищення від цих викидів і засобами контролю за кількістю та складом викинутих в атмосферу забруднювачів.
Класифікація і характеристика методів очищення викидів в атмосферу. Очищення повітря від шкідливих домішок здійснюється за 3 основними групами методів: механічними, фізико-хімічними та хімічними:
![]() |
При виборі системи пиловловлення враховують кількість і хімічний склад відхідних газів, швидкість газового потоку, концентрацію пилу та його фізико-хімічні властивості, розмір частинок та наявність водяної пари. Отримані з газодимових викидів речовини, як правило, є або готовим продуктом або вторинною сировиною. Для забезпечення оптимального вибору технології і конструкції апарата проводиться техніко-економічне оцінювання.
Механічні методи застосовують для очищення вентиляційних та інших газових викидів від грубодисперсного пилу. Основними механізмами осадження завислих частинок є дія сил гравітації, інерції, дифузії, а також відцентрових сил та сил зчеплення.
Осадження під дією сил гравітації (седиментація) зумовлено вертикальним осіданням частинок внаслідок дії сили ваги при переміщенні їх через газоочисний апарат.
Осадження під дією відцентрової сили відбувається при криволінійному русі аеродинамічного потоку, коли виникають відцентрові сили, під дією яких частинки пилу відкидаються на внутрішню поверхню апарата.
Інерційне осадження відбувається у випадку, коли маса частинок або швидкість руху є відносно великими, що вони вже не можуть рухатися разом з газом за лінію течії, що охоплює перешкоду. Намагаючись за інерцією продовжувати свій рух, частинки пилу стикаються з перешкодою і осаджуються на ній.
Дифузійне осадження відбувається внаслідок того, що дрібні частинки пилу зазнають безперервної взаємодії з частинками газів, які знаходяться в броунівському русі. В результаті цієї взаємодії відбувається осадження частинок на поверхні обтічних тіл або стінок пиловловлювача.
Осадження частинок за рахунок зчеплення спостерігається тоді, коли відстань від частинки, що рухається у газовому потоці до обтічного тіла, не перевищує її радіуса.
Існує два види пиловловлення: сухе і мокре. З економічного погляду доцільними є сухі пиловловлювачі. Вони дають змогу повернути у виробництво вловлений пил, тоді як при мокрому утворюються водяні суспензії, переробка яких потребує додаткових матеріальних затрат. Недоліком сухого пиловловлення є те, що воно забезпечує високий ступінь очищення лише за умови малої запиленості відхідних газів. Ці методи використовуються в основному для попереднього (грубого) очищення газів перед обладнанням другої та третьої груп методів.
Механічне сухе пиловловленняздійснюють в пилоосаджувальних камерах, інерційних пиловловлювачах, циклонних сепараторах, механічних та електричних фільтрах. В пилоосаджувальних камерах очищують гази з грубодисперсними часточками пилу розміром від 50 до 500 мкм (рис. 5.1 ).
Площа поперечного січення Нк пилоосаджувальної камери є значно більшою від площі поперечного січення газоходу і внаслідок цього швидкість руху газу в камері різко знижується. За таких умов частинки пилу, що містяться у газі, під дією сил гравітації випадають на дно камери.
За конструкцією пилоосаджувальні камери бувають порожнисті (рис. 5.1), з горизонтальними полицями (рис. 5.2, а), з вертикальними перегородками (рис. 5.2, б,в), з ланцюговими чи дротяними завісами (рис. 5.2, г). Продуктивність пилоосаджувальної камери визначається площею поперечного перерізу та швидкістю осідання пилу.
|




Рис.5.1. Принципова конструктивна схема
пилоосаджувальної камери:
1 – корпус; 2 – бункер; 3 – штуцер для видалення пилу
Для того, щоб частинка пилу встигла осісти на дно камери, довжина камери LK повинна дорівнювати:
LK = HK ( ωг / ωш ),
де HK- висота камери, м;
ωг – швидкість руху газів в камері (звичайно 0,2...1,5 м/с);
ωш– швидкість осідання частинок пилу, м/с.
Наявність ланцюгової чи дротяної завіси, вертикальних чи горизонтальних відхиляючих перегородок до гравітаційного ефекту додає ефект інерційного осадження при обтіканні газовим потоком різних перешкод та збільшує ефективність роботи пилоосаджувальних камер.
Інерційні пиловловлювачі застосовують для грубого очищення сухих газових викидів від частинок пилу розміром 30…100 мкм. Принцип дії інерційних апаратів ґрунтується на використанні інерційних сил. Якщо в апараті за напрямком руху газу встановити перепону, то газовий потік огинає її, а тверді частинки за інерцією зберігають попередній напрямок руху. Наштовхуючись на перепону, вони втрачають швидкість і випадають з течії.
|






|
|
|

Рис.5.2. Конструкції пилоосаджувальних камер:
1 – полиці; 2 – перегородки; 3 – ланцюгова або дротяна завіса
Перевагою інерційних пиловловлювачів є невеликі габарити, що забезпечують швидкість руху газів 10...15 м/с. Достатньо високий гідравлічний опір 200...300 Па забезпечує ступінь вловлення до 65-80% частинок розмірами менше 25...30 мкм. За конструкцією найпростіші інерційні пиловловлювачі (рис. 5.3) бувають з вертикальною перегородкою (а), з центральною трубою (б), з боковим штуцером (в) та з горизонтальними елементами (г).
Зверху апарати можуть зрошуватися водою. Тоді пил з них видаляється у вигляді шламу.
Серед засобів сухого інерційного очищення газових викидів від пилу найбільш поширені циклони (циклонні сепаратори), які застосовуються для виділення з газового потоку частинок порівняно великого розміру. Залежно від якостей пилу і його дисперсного складу та вимог до очищення газу циклони застосовуються як апарати першого ступеня очищення або в сполучені з іншими пиловловлювачами. Вони ефективно вловлюють з газу частинки пилу діаметром 25 мкм і більші.

Рис. 5.3. Конструкції інерційних пиловловлювачів:
1 – перегородка; 2 – центральна труба; 3 – боковий штуцер;
4 – горизонтальні елементи
Суть циклонного процесу полягає в тангенціальному поданні потоку газу, що підлягає очищенню, крізь вхідний патрубок 1. Завдяки тангенціальному введенню і наявності центральної вивідної труби 4 потік починає обертатися навколо неї, здійснюючи при проходженні крізь апарат декілька оборотів. Під впливом відцентрової сили зважені частинки забрудненого газу відкидаються на стінки внутрішньої поверхні корпусу 7, і далі під дією сили тяжіння потрапляють в конічне дно і видаляються через нижній патрубок. Циклонні сепаратори ефективно очищають гази, що містять часточки розміром не менше ніж 25 мкм. Коефіцієнт корисної дії циклонів залежить від концентрації пилу і розмірів його часточок. Середня ефективність знепилення газів у циклонах становить 78-86 % для пилу розміром 30–40 мкм. Основним недоліком циклонів є значне абразивне спрацювання частин апарата пилом. Тому ці частини вкривають синтетичними матеріалами або стійкими до стирання сплавами, а це підвищує вартість конструкції апарата.

Рис. 5.4. Циклон типу УЦ-38:
1 – патрубок подачі забрудненого газу; 2 – патрубок для видалення очищеного газу; 3 – кришка; 4 – центральна труба;
5 – циліндр; 6 – опора; 7 – конус.
Фільтрування – процес розділення неоднорідних сумішей за допомогою пористих перегородок різної щільності і товщини, які затримують дисперсну фазу і пропускають суцільну фазу. Апарати, які використовуються для цього процесу, називаються фільтрами. Основним елементом фільтрів є фільтрувальні перегородки; від них залежить продуктивність фільтра та чистота фільтрату.

Рис. 5.5. Конструктивна схема зернистого фільтра з нерухомим фільтрувальним шаром: 1 – корпус, 2 - насипні фільтрувальні шари, 3 - вібратор,4 – пружини, 5 – бункер для пилу, 6 – вхідний патрубок запиленого газу,7 – продувний патрубок, 8 – камера очищеного газу, 9 – вихідний патрубок для очищеного газу
Очищення від грубодисперсного пилу здійснюють у зернистих фільтрах (рис.5.5), заповнених коксом, піском, гравієм.

Рисунок 5.6. Конструктивна схема рукавного фільтра:
1 – корпус, 2 – верхня решітка, 3 – рукав, 4 – газохід запилених газів,
5 – колектор, 6 – клапан, 7 – продуктивний колектор, 8 – патрубок очищених газів, 9 – струшувальний пристрій
В промислових умовах застосовують рукавні фільтри (рис. 5.6). Вони мають форму тканинних мішків або кишень, що працюють паралельно, і їх очищують струшуванням або продуванням повітря. Такі фільтри використовуються для очищення неагресивних, не схильних до злипання й утворення вибухонебезпечних сумішей та конденсату газопилових сумішей від твердих частинок при температурі до 300°С. Як фільтрувальний матеріал використовуються бавовняні, шерстяні й лавсанові тканини, що мають високу міцність та підвищену хімічну й теплову стійкість.
Суміш повітря, пилу та дрібних фракцій матеріалів всмоктується у нижню частину фільтра. Грубодисперсні частинки і пил збираються в приєднаних до цієї системи ящиках чи пластикових мішках для частого і швидкого видалення. Тонкодисперний пил збирається у верхній частині фільтрувальних рукавів.Чисте повітря виходить крізь вентиляційні отвори. Головною перевагою рукавних фільтрів є висока ефективність очищення – вона досягає 99 % для всіх розмірів частинок.
Для тонкого очищення застосовують також керамічні, пластмасові або скляні фільтри: ефективність пиловловлювання в них може досягати 99,99 %, а температура очищуваного газу – 500 °С.
У волокнистих фільтрах як фільтрувальну поверхню використовують шари волокнистого матеріалу різної товщини: папір, картон, полімерні смоли тощо. Фільтри бувають тонко- та грубоволокнисті та глибокі.
Волокнисті фільтри тонкого очищення використовуються в промисловості мікробіології, в хімікофармацевтичній та радіоелектронній галузях, атомній енергетиці; вони дозволяють очищати значні об’єми газів від твердих частинок розміром 0,05...0,5 мкм та радіоактивних аерозолів. Ступінь очищення 99%, швидкість фільтрування 0,01...0,15 м/с.
Конструктивна схема рамного волокнистого фільтра тонкого очищення представлена на рис. 5.7. Фільтрувальний матеріал у вигляді стрічки вкладається між П-подібними рамками, які при складанні чергуються відкритими та закритими сторонами в протилежних напрямках. Між сусідніми шарами встановлюють гофровані роздільники.
Грубоволокнисті фільтри використовуються для грубого або попереднього очищення.
Глибокі багатошарові фільтри застосовуються для очищення технологічного газу й вентиляційного повітря від радіоактивних частинок. Конструктивно вони виконуються з глибокого шару грубих волокон. Після 10 – 20 років експлуатації такі фільтри захоронюють.
Одним із досконалих методів очищення газів від завислих частинок пилу й туману є очищення за допомогою електричних фільтрів (рис. 5.8), які дають можливість вловити до 99% частинок. Пиловловлення в електрофільтрах є складним фізичним процесом, який включає в себе гравітаційне, інерційне, дифузійне та електростатичне осадження.

Рис. 5.7. Конструктивна схема волокнистого фільтра:
1 – бокова стінка, 2 – фільтруючий матеріал, 3 – роздільник,
4 – рамка П-подібна.
Основними елементами електричного фільтра є коронувальний 1 та осаджувальний 2 електроди, які утворюють неоднорідне електричне поле 3 (рис. 5.9). Коронувальні електроди 1 ізольовані від землі, а осаджувальні електроди 2 заземлені. До коронувальних електродів підводиться випрямлений струм негативної полярності напругою 50–80 кВ, а осаджувальні електроди підключені до позитивного полюсу. Коронувальні електроди виконуються у вигляді тонкого дроту, а осаджувальні електроди виготовляють у вигляді циліндричних або шестигранних труб та профільованих пластин.

Рис.5.8. Конструктивна схема електрофільтра:
1 – корпус; 2 – газорозподільна решітка; 3 – система коронувальних електродів;
4 – осаджувальні електроди.
Очищення газів в електричних фільтрах відбувається таким чином. Забруднені гази пропускають крізь неоднорідне електричне поле 3, що утворюється між коронувальним 1 та осаджувальним 2 електродами. Внаслідок дії електричного поля вільні електрони і позитивно заряджені молекули починають переміщуватися в напрямку силових ліній поля.

Рис. 5.9. Принцип роботи електрофільтра:
1 – коронувальний електрод; 2 – осаджувальний електрод;
3 – електричне поле; 4 – заряджена зона; 5 –шар пилу
Напрямок руху кожного заряду залежить від його знаку. Іони та електрони при стиканні з нейтральними газовими молекулами іонізують їх;внаслідок цього вони рухаються до протилежно заряджених електродів і осідають на них.

Рис.5.10. Конструктивна схема форсункового протиструминного скрубера:
1 – корпус; 2 – патрубок подачі запиленого газу; 3 – водопровід;
4 – патрубок відводу очищення газу; 5 – форсунки для розпилення води;
6 – газорозподільна решітка; 7 – бункер для шламу
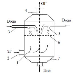
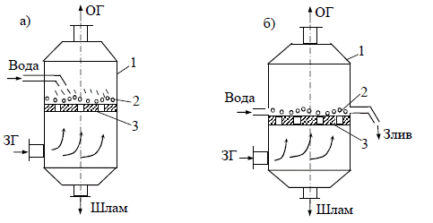
У мокрих пиловловлювачах запилений газ зрошується рідиною або контактує з нею. До апаратів такого типу належать скрубери (рис. 5.10) – циліндричні башти з металу, цегли чи залізобетону.
Скрубери працюють за принципом протитечії: газ рухається знизу вгору, а поглинальна рідина (найчастіше вода) розпилюється форсунками згори вниз. Швидкість газу в скруберах дорівнює 0,6…1,2 м/с. Ефективність очищення газів залежить від змочуваності пилу і досягає 96–98 %. Для вловлювання важкозмочуваного пилу, наприклад вугільного, у воду додають поверхнево-активну речовину (ПАР). Скрубери можна застосовувати для холодних і гарячих газів, які не містять токсичних речовин (кислот, хлору тощо), оскільки вони видаляються в атмосферу разом з очищеним газом у вигляді туману.
У барботажно-пінних пиловловлювачах (рис.5.11) запилений газ пропускають крізь рідину (воду). Їхдоцільно використовувати для очищення гарячих газів з частинками пилу розміром понад 5 мкм. Барботаж використовують також у пінних апаратах. Для створення піни у воду дадають ПАР. Ефективність очищення в цих апаратах досягає 97–99 %.

Рис.5.11. Конструктивні схеми барботажно-пінних пиловловлювачів:
1 – корпус, 2 – шар рідини та піни; 3 – решітка
Конструктивна схема ударно-інерційного газопромивача типу скрубера Дойля подана на рис. 5.12. Контакт газу з рідиною здійснюється внаслідок удару газового потоку об поверхню рідини. Газ подається по трубі зі швидкістю 15–20 м/с, яка при виході з конічного сопла досягає 35–55 м/с. Відстань між соплом та поверхнею рідини не перевищує 10–20 мм. Спінена газорідинна суспензія, що утворилася внаслідок удару, пропускається крізь отвори різної конфігурації.
Недоліком мокрого очищення газів є те, що вловлений пил перетворюється на мокрий шлам. Для видалення останнього потрібно будувати шламову каналізацію, а це здорожує конструкцію. Під час очищення деяких газів можлива лужна або кислотна корозія. Значно погіршуються умови розсіювання через заводські труби відхідних газів, зволожених під час охолодження в апаратах цього типу.

Рис. 5.12. Конструктивна схема ударно-інерційного скрубера Дойля:
1 – корпус; 2 – труба для подачі забрудненого газу; 3 – конічне сопло;
4 – перегородки; 5 – штуцер для подачі рідини
До фізико-хімічних методів очищення газових викидів належать абсорбція і адсорбція. Абсорбція – це процес хімічного осадження або зв'язування забруднювальних речовин під час пропускання очищуваного газу крізь рідкий поглинач. Апарати для такого очищення називають абсорберами. В цих апаратах очищуваний газ і абсорбувальна рідина рухаються назустріч один одному. Контактування газу з рідиною відбувається на змоченій поверхні насадки, по якій стікає зрошувальна рідина (рис. 5.13).



Рис. 5.13. Конструктивна схема насадкового адсорбера:
1 – корпус; 2 – опорна решітка; 3 – насадка; 4 – зрошувальний пристрій
Абсорбцію застосовують для очищення повітря і відхідних газів, що містять токсичні забруднення – кислотні тумани, оксиди карбону (II) і (IV), ціанідну або ацетатну кислоти, сірчистий газ, оксиди нітрогену, різні розчинники тощо. Як поглинач використовують суспензії, що містять оксиди магнію і кальцію або вапняк:
СаО + СО2 → СаСО3;
Мg0 + SО2 → МgSО3;
СаО + SО2 → СаSО3;
СаСО3 + 2НС1 → СаС12 + Н2О + СО2 ↑.
Адсорбційний метод очищення газів – це поглинання газоподібних речовин на поверхні або в об'ємі мікропор твердого тіла. Апарати, в яких здійснюється процес очищення за допомогою цього методу, називаються адсорберами. На практиці використовують адсорбери з нерухомим шаром адсорбенту, з рухомим шаром адсорбенту та з киплячим шаром (рис. 5.14). Тверду речовину, на поверхні або в об'ємі пор якої відбувається концентрування очищуваних речовин, називають адсорбентом. Забруднювальні речовини, що перебувають у газовій або рідкій фазі, називають адсорбтивом, а після переходу в адсорбований стан – адсорбатом. Для адсорбційного очищення газів використовують активоване вугілля, силікагелі, цеоліти, глинисті мінерали, пористе скло тощо. Найважливішими властивостями адсорбенту є його вибірковість, адсорбтивна ємність (активність); пористість структури, об’єм пор. Вилучені з очищуваних газів речовини – адсорбтиви, які в подальшому видаляють шляхом десорбції, можуть бути використані для тих чи інших цілей. Цей процес називають регенерацією адсорбента і здійснюють здебільшого нагріванням перегрітою парою. Адсорбцією на активованому вугіллі очищають відхідні гази від гідрогенсульфіду у виробництві штучного волокна. За допомогою адсорбції на силікагелі очищають газові викиди від оксидів нітрогену.
Хімічні методи очищення викидних газів засновані на хімічному зв'язуванні шкідливих забруднювальних речовин. Поширеним методом є хемосорбція, коли очищуваний газ промивають розчином речовин, що реагують із забруднювальними домішками. Так, для вловлювання оксидів нітрогену застосовують торфолужні композиції з гідроксидом кальцію або аміаком. У результаті хемосорбції утворюється добриво з 6–8 %-м вмістом зв'язаного азоту у вигляді нітратів кальцію і амонію.
Метод хемосорбції базується на поглинанні газів твердими і рідкими поглиначами з утворенням слаболетючих або слабозрочинних хімічних сполук, які в результаті побічних перетворень дозволяють отримати корисний кінцевий продукт (наприклад при вилученні із газів сірководню отримують сірку за допомогою миш’яколужного розчину).


Рис. 5.14. Конструктивна схема адсорбера з киплячим шаром.
1 – циліндричний корпус з конусом унизу;
2 – розподільча решітка; 3 – патрубок для введення адсорбенту; 4 – циклонний пристрій; 5 – киплячий шар адсорбенту; 6 патрубок для виведення адсорбенту; 7 – штуцер для подачі забрудненого газу
Термічне знешкодження газів ґрунтується на високотемпературному спалюванні горючих домішок, тобто окисненні знешкоджуваних компонентів киснем. Перевагою методів термічного знешкодження є невеликі розміри установок та простота їх обслуговування, можливість автоматизації, висока ефективність знешкодження при низьких затратах коштів.
Однак при виборі термічного методу необхідно враховувати властивості речовин, що утворюються внаслідок реакції окислення. Наприклад, при спалюванні газів, що містять фосфор, галогени та сірку, утворюються продукти реакції, які за токсичністю у декілька разів перевищують вихідні газові викиди.
Необхідно також враховувати, що сполучення горючих речовин з киснем утворює вибухонебезпечну суміш. Для запобігання цьому концентрацію газових викидів зменшують додаванням повітря.
Суттєве значення в організації процесу термічного знешкодження газових викидів має підготовка газів до реакції, а саме нагрівання суміші до необхідної температури і забезпечення змішування горючих газів з окислювачем. Ефективність процесу термічного знешкодження сумішей визначається температурою, часом перебування газу в зоні реакції та турбулентністю газових потоків в камері згорання.
Залежно від умов спалювання та технологічного оформлення процесу використовують два методи: в топкових та факельних пристроях.
У багатьох випадках для очищення відхідних газів застосовують каталітичні процеси окиснення, відновлення та розкладання. Наприклад, вихлопні автомобільні гази очищають від оксиду карбону (II) шляхом його окиснення до вуглекислого газу на купрум-мангановому каталізаторі, що являє собою суміш оксидів мангану і купруму:
2CO+O2
2CO2
Каталітичне відновлення оксидів нітрогену до N2 здійснюють за допомогою відновників — водню, метану або аміаку за наявності платино-паладієво-родієвих каталізаторів.
Каталітичні методи використовують для перетворення токсичних компонентів промислових викидів у нешкідливі чи менш шкідливі речовини.
Лекція 6. Очищення виробничих стічних вод.
Нормативні вимоги до якості води.
Умови скидання стічних вод у водойми.
Класифікація забруднювальних речовин.
Методи очищення стічних вод.
Нормативні вимоги до якості води. Під забрудненістю розуміють такий стан водного об’єкта в офіційно встановленому місці його використання, за якого спостерігається відхилення від норми в бік збільшення вмісту тих чи інших компонентів. Основною нормативною вимогою до якості води у водоймі є збереження встановлених гранично допустимих концентрацій (ГДК) забруднювальних речовин.
Склад і властивості води у водоймах мають відповідати нормативам у контрольному створі (контрольний створ – поперечний перетин водотоку, в якому здійснюється контроль за якістю води), закладеному на водотоках, на відстані одного кілометра вище від найближчого за течією пункту водокористувача.
Встановлено два види нормативів якості води - санітарно-гігієнічні (для потреб населення) та рибогосподарські. Лімітуючими показниками шкідливості забруднювальних домішок є санітарно-токсикологічні, загальносанітарні, органолептичні та бактеріологічні показники.
Органолептичні показники визначають за запахом, смаком, кольором, кількістю завислих речовин, рН, загальною твердістю, сухим залишком, вмістом заліза, хлоридів, сульфатів, нафтопродуктів тощо.
Важливим показником є прозорість води, оскільки від неї залежить інтенсивність фотосинтезу, глибина проникнення світла у товщу води.
Санітарно-токсикологічні показники води визначають за вмістом азоту (аміаку, нітратів, нітритів), фтору, поверхнево-активних речовин, фенолу, ціанідів, міді, свинцю, хлору, цезію-137 і стронцію-90.
Загальносанітарні показники оцінюють за вмістом розчиненого кисню, хімічним споживанням кисню (ХСК) та біологічним споживанням кисню (БСК).
Бактеріологічні показники визначають за вмістом бактерій, які поділяють на сапрофітних (нешкідливі для людини, інколи навіть корисні) та патогенних (хвороботворних). Оскільки патогенні бактерії виділити з усієї маси мікроорганізмів складно, тому для оцінювання якості води користуються мікробним числом (загальне число бактерій в 1 см3 води) і колі-індексом (кількість кишкових паличок в 1 см3 води) або колі-титром (об’єм води в см3 , що припадає на одну кишкову паличку).
Для води культурно-побутового та господарсько-питного призначення в основу нормування покладено переважно санітарно-токсикологічні, загальносанітарні та органолептичні обмеження, а для води рибогосподарського призначення – токсикологічні та частково органолептичні.
Умови скидання стічних вод у водойми. Загальні вимоги до складу та властивостей води господарсько-питного призначення при скиданні у водойму стічних вод такі:
1. Водойма не повинна мати на поверхні плівок будь-якого характеру.
2. Вміст завислих речовин не повинен перевищувати 15 мг/л.
3. Вода не повинна мати запахів і присмаків інтенсивністю понад 2 бали. Інтенсивність запахів і присмаків за балами розподіляється так:
| Інтенсивність запаху або присмаку | Ніякого | Дуже слабкий | Слабкий | Помітний | Виразний | Дуже сильний |
| Бал |
Як правило, виокремлюють такі види запахів: ароматний (квітковий, огірковий), землистий, болотний, гнильний, деревинний, цвільовий, хлорний, нафтовий, фенольний, сірководневий, непевний (не схожий на жоден із перелічених запахів). Смак розрізняють гіркий, кислий і солоний. Усі інші смакові відчуття кваліфікують як присмаки.
4. Вода не повинна мати забарвлення при розгляданні її в стовпчику заввишки 20 см. Кольровість води за платино-кобальтовою шкалою або імітувальною шкалою не повинна перевищувати 20 град.
5. Температура води в результаті скидання стічних вод не повинна підвищуватися влітку більш як на 3 оС, взимку – більш як на 5оС порівняно з максимальною природною температурою в цю пору року.
6. Реакція води має залишатися в межах рН=6,5…8,5, тобто бути слабкокислою, нейтральною або слабколужною.
7. Мінеральний склад за сухим залишком не повинен перевищувати 1000 мг/л (в окремих випадках допускається 1500 мг/л), загальна твердість – 7–10 ммоль·екв/л.
8. Вміст розчиненого кисню має становити не менш як 4 мг/л у будь який період року в пробі, відібраній до 12-ї години.
9. Біохімічне спожєивання кисню (БСК) при 20оС не повинно перевищувати 15 мг О2/л. У чистих водоймах БСК не перевищує 2 мг О2/л, у забруднених – може досягати 50 О2/л.
10. ХСК для побутового водокористування не повинно перевищувати 80 мг О2/л.
11. У воді не повинно бути збудників хвороб. Стічні води перед скиданням слід знезаражувати.
12. Отруйні речовини не повинні міститись в концентраціях, які можуть завдати шкоди здоров’ю людини.
Класифікація забруднювальних речовин. Згідно з класифікацією, запропонованою Л.Кульським, забруднювальні речовини за їх фазово-дисперсним станом і відношенням до дисперсійного середовища поділяють на 4 групи:
До першої групи належать нерозчинні у воді зависі, бактерії і планктон. У завислому стані вони підтримуються динамічними силами водяного потоку, а в стані спокою – осідають. Їхній розмір становить 10-3–10-7м;
Друга група домішок поєднує мінеральні та органо-мінеральні колоїдні часточки ґрунтів, недисоційовані і нерозчинні форми високомолекулярних гумусових речовин. До цієї групи належать також віруси і мікроорганізми. Розмір частинок – 10-7–10-9м.
До третьої групи домішок належать молекулярно-розчинні сполуки розміром менше ніж 10-9м. Це – розчинені гази, органічні речовини біологічного походження та інші домішки, що можуть міститися у складі промислових і господарсько-побутових стоків.
До четвертої групи домішок належать електроліти – речовини з іонним або сильно полярним зв’язком, які під впливом полярних молекул води дисоціюють на іони.
Методи очищення стічних вод. Для виконання вищезазначених вимог до скидання стічних вод у водойми, їх необхідно очищати. Всі методи очищення поділяють на такі основні групи: механічні (проціджування, відстоювання, фільтрування), фізико-хімічні (флотація, електрохімічні методи, аерація), хімічні (нейтралізація, коагуляція, флокуляція, іонообмінні методи) та біохімічні. Вибір методу очищення стічних вод залежить від фазово-дисперсного стану забруднювальних домішок.
Очищення стічних вод, як правило здійснюється у кілька стадій. Послідовність розміщення очисних споруд визначається розміром частинок, які необхідно видалити; спочатку видаляють грубодисперсні домішки (куски дерева, залишки синтетичних матеріалів, волокон, битого скла, пісок, нафтопродукти). У схемі очисної станції споруди механічного очищення можуть розміщуватись як до, так і після споруд біологічного очищення. Для глибокого очищення можуть бути використані механічні фільтри.
Механічне очищення – це видалення зі стічних вод нерозчинних грубодисперсних домішок мінерального та органічного походження.
· проціджування – затримання забруднювальних частинок найбільшого розміру і частково зважених частинок на решітках і ситах;
· відстоювання – видалення зі стічних вод зважених частинок під впливом сили тяжіння у піскопастках (для видалення мінеральних домішок), відстійниках (для затримання дрібних домішок, що осідають або спливають), а також нафто-, жиро- і смоловловлювачах. Різновидом методу є відцентрове відстоювання, що здійснюється в гідроциклонах і центрифугах;
· фільтрування – розділення суспензії з дуже дрібними частинками забруднювальної речовини у зваженому стані за допомогою сітчастих і зернистих фільтрів.

Рис. 6.1. Схема решітки
Проціджування здійснюється за допомогою решіток та решіток-дробарок. Відходи, що містяться у стічних водах, в процесі транспортування по каналізаційних мережах адсорбують значну кількість жиру, органічних сполук та піску. При цьому утворюються багатокомпонентні органо-мінеральні складові, які ускладнюють роботу піскопасток, відстійників та інших очисних споруд. Для попереднього очищення стічних вод застосовують решітки (рис.6.1). Основним елементом решіток є рама з рядом металевих стержнів, розташованих паралельно на відстані 3–16 мм. Товщина стержнів (пластин) становить 3–10 мм. Решітки встановлюються в розширених каналах – камерах.

Рис. 6.2. Горизонтальна піскопастка з круговим рухом води
1 – кільцевий жолоб; 2 – осаджувальний конус;
3 – канал для підведення води; 4 – канал для відведення води.
Для попереднього видалення із стічних вод нерозчинних мінеральних домішок (піску, шлаку, склобою) під дією сили тяжіння застосовують піскопастки. Їх використовують у системі очисних споруд при продуктивності понад 100 м3/добу. За напрямком руху води піскопастки бувають горизонтальні, вертикальні, з обертальним рухом рідини (тангенціальні та аеровані) (рис. 6.2).

Рис. 6.3. Вертикальний відстійник
1 – центральна труба; 2 – зона відстоювання; 3 –зона осаджування;
4 – відбивальний щит; 5 – периферійний збірний лоток; 6 – кільцевий лоток;
7 – видалення осаду
Відстоювання є найпростішим, найменш трудомістким і дешевим методом видалення з води грубодисперсних домішок.Відстоюванняздійснюють у вертикальних (рис.6.3), горизонтальних та радіальних відстійниках. Великі горизонтальні відстійники будують із залізобетону завдовжки до 36 м, завширшки від 6 до 18 м і глибиною до 5 м. Радіальні відстійники мають діаметр від 18 до 60 м і глибину до 6 м. Тривалість відстоювання становить ~ 1,5 год. Горизонтальні відстійники застосовують у разі витрати стічних вод, що становить до 20 тис.м3 на добу, радіальні – понад 20 тис.м3 на добу.
Конструкція нафтовловлювачів (рис. 6.4) аналогічна до конструкції відстійників радіального типу. Невелика швидкість руху рідини сприяє спливанню дрібнодисперсних частинок нафтопродуктів розміром до 50 мкм.

Рис. 6.4. Радіальний нафтовловлювач
1 – подача стічної води; 2 – збірний лоток; 3 – скребковий механізм;
4 – нафтозбірна труба; 5 – направляючий циліндр; 6 – видалення осаду
Фільтруванням називають процес розділення неоднорідних систем (суспензій) за допомогою пористих перегородок і шарів, які затримують одну (тверду) фазу цих систем і пропускають іншу (рідку). Апарат, у якому здійснюють цей процесс, називають фільтром. Фільтри, завантажені однорідним шаром фільтрувального матеріалу, називають одношаровими. Фільтри, завантажені неоднорідним за щільністю й розміром зерен фільтрувальним матеріалом, називають багатошаровими (рис.6.5). В двохшарових фільтрах використовують верхній шар кварцового піску з розміром зерен 1,2 – 2 мм (товщина шару дорівнює ~ 0,5 м,) та шар кварцового піску з розміром зерен 0,7–1,6 мм (товщина шару ~ 0,7 м). Час фільтрування – 24 год.
Суть процесу флотації полягає полягає у злипанні частинок домішок з бульбашками тонкодиспергованого у воді повітря за рахунок міжмолекулярної взаємодії з наступним утворенням на поверхні води шару піни. Тонкодисперсні частинки розміром, меншим ніж 5–10 мкм флотуються погано, тому їх необхідно попередньо укрупнювати, наприклад за допомогою коагуляції або флокуляції. Утворення агрегатів «частинка – бульбашка повітря» залежить від частоти їх зіткнення один з одним, від хімічної взаємодії речовин, що знаходяться у воді, від наявності флокулянтів, що сприяють утворенню великих агрегатів. Агрегати, що утворюються в стічній воді, яка очищується, з частинок домішок і бульбашок повітря, мають меншу густину, ніж початкова маса флотаційних частинок, тому спливають і накопичуються у верхньому шарі води, звідки їх безперервно видаляють за допомогою спеціальних пристроїв.

Рис. 6.5. Двохшаровий фільтр
1 – підведення води на очищення; 2 – відведення промивної води;
3 – відведення фільтрату; 4 – підведення промивної води;
5 – розподільча кишеня, 6 – жолоб для підведення води; 7 – шар антрациту; 8 – шар піску; 9 – підтримувальний шар (гравій)
Флотаційне очищення стічних вод здійснюють в апаратах двох типів, які відрізняються способом диспергування повітря:
- турбіною насосного типу. В установках цього типу повітря розпилюється біля дна. Бульбашки спливають і виносять із собою домішки забруднень. Піну із забрудненнями знімають з поверхні;
- напірною флотацією з добавлянням коагулянту. В установках напірного типу аерація води здійснюється під тиском. Флотацією очищають стічні води від твердих завислих речовин, нафтопродуктів, масел та інших емульгованих речовин, а також від окремих іонів розчинених речовин.
Видалення домішок другої групи (колоїдно-розчинні, високомолекулярні речовини тощо) здійснюють із застосуванням методів: коагуляції, сорбції, хімічної обробки (наприклад, нейтралізації); іонообмінних методів, електролізу, хлорування, озонування (при вірусних забрудненнях), магнітної обробки, екстракції, дистиляції.
Коагуляцію (процес агломерації дрібних частинок)застосовують для видалення зі стічних вод найдрібніших колоїднодисперсних глинистих часточок, білкових речовин та інших високомолекулярних сполук. Коагуляцію здійснюють шляхом додавання до води, яку необхідно очистити, незначної кількості електролітів (А12(SО4)з, FeSO4), які називають коагулянтами.
Al2(SO4)3 + 3Ca(HCO3)2 → 2Al(OH)3↓ + 3CaSO4↓ + 6CO2↑.
Адсорбцію застосовують переважно для видалення з води органічних сполук. Цей метод, як правило, використовують у комбінації з іншими, зокрема для початкового виділення грубодисперсних домішок механічними методами і коагуляцією. Потім молекулярно-розчинені домішки органічних речовин видаляють шляхом адсорбції на активованому вугіллі, яке, крім речовин, що погіршують смак і запах води, сорбує також гербіциди, інсектициди, віруси тощо. Відпрацьоване активоване вугілля регенерують відгонкою адсорбованих домішок парою, якщо вони повторно використовуватимуться, або деструктивною регенерацією – для їх знешкодження.
Застосування принципу завислого (киплячого) шару адсорбенту для сорбції забруднювальних органічних речовин дає змогу вирішити проблему безперервної заміни адсорбенту в установці, спрощує регенерацію відпрацьованого вугілля.
Метод нейтралізації використовують при очищенні стоків машинобудівних підприємств, зокрема гальванічних цехів, які містять концентровані розчини кислот (переважно сірчаної), лугів, солей та промивних вод і мають кислу або лужну реакцію. Для досягнення рН, що дорівнює 6,5–8,5, до стічних вод додають гашене вапно (як правило, у вигляді вапняного молока з вмістом активного вапна 5-10%).
З метою стерилізації води (тобто знищення у ній дизентерійних бактерій, паличок та вірусів) здійснюють хлорування, озонування, ультрафіолетове опромінення ртутними лампами, електроліз за допомогою Ag-анодів.
Стерилізуюча дія хлору зумовлена не безпосередньо Cl2, а хлорнуватистою кислотою HClO, яка утворюється в результаті взаємодії Cl2 з водою (Cl2 + H2O ↔ HCl + HClO – 25кДж).
Процес аерації полягає в пропусканні повітря крізь шар осаду.Він є досить ефективним для прискорення хімічних реакцій, тому що при цьому досягається активне перемішування осаду і стоків, а О2 створює умови для перебігу біохімічних процесів.
Процес дифузії крізь пористу перегородку під дією градієнта концентрації солі з розчину з більшою в розчин з меншою концентрацією називають діалізом. Щоб здійснити перенесення іонів з менш концентрованого в більш концентрований розчин, тобто проти градієнта концентрації, потрібно прикласти різницю потенціалів. Електродіаліз – це перенесення іонів електроліту крізь селективні іонообмінні мембрани під дією постійного електричного струму. Швидкість перенесення визначається силою електричного струму.
Електродіалізний апарат почергово розділяється на камери аніоно- і катіонообмінними мембранами. Відстань між ними становить 0,5 – 1,5 мм. Крізь іонообмінні мембрани мігрують аніони, крізь катіоно-обмінні – катіони. Останні переміщуються в напрямі електричного струму, тоді як аніони – в протилежному напрямі, тобто катіони рухаються до катода, а аніони – до анода. В одній камері здійснюється знесолювання розчину, в іншій – його концентрування. В промислових апаратах між електродами вміщують 250 – 500 комірок, які складаються з розсольних і дилюатних камер. На кінцях апарата розміщені електроди, на які подають постійний електричний струм.
Виділення з води молекулярно-розчинних домішок і газів, що належать за фазово-дисперсним станом до третьої групи, здійснюють десорбцією газів і відгонкою летких органічних сполук (феноли та ін.) у процесі аерації з використанням аераторів і дегазаторів різних типів.
Для видалення з води забруднювальних домішок, які належать за фазово-дисперсним станом до четвертої групи, застосовують гіперфільтрацію або зворотний осмос – процес розділення розчинів, що полягає у фільтруванні рідини крізь напівпроникні мембрани, які пропускають розчинник (воду) і затримують розчинені речовини (гідратовані іони та молекули органічних сполук). Процес зворотного осмосу як спосіб очищення води використовується з початку 60-х років ХХ століття. Спочатку він застосовувався для опріснення морської води. Сьогодні за допомогою цього методу отримують сотні тисяч тонн питної води на добу.
Трансформацію іонів на малорозчинні сполуки після утворення гідроксидів, карбонатів або летких сполук використовують у хімічних методах очищення. За допомогою хімічних методів здійснюють зм'якшення води з видаленням солей твердості содово-вапняковим та фосфатним методами, видалення кольорових і важких металів, силіцію, заліза, мангану та ін.
За допомогою електролізу із стічних вод вилучають кольорові, благородні та інші метали (мідь, цинк, нікель, хром, золото, срібло тощо).
Іонообмінний метод застосовуютьдля глибокого очищення стічних вод (що містять до 3–4 г/л солей) від іонів кольорових і важких металів, ціанідів, миш’яку, радіоактивних речовин. Іоніти – це тверді речовини (з матрицею R), що містять функціональні групи, здатні до іонізації та іонного обміну. Катіоніти – це іоніти з кислотними властивостями, здатні обмінювати свої катіони, як правило Н+, на катіони електроліту (RSO3H + Na+ ↔ RSO3Na + H+). Аніоніти – це іоніти з лужними властивостями, здатні обмінювати свої аніони, як правло ОН–, на аніони електроліту (ROH + Cl– ↔ RCl + OH–). Іоніти можуть бути природного походження та штучними. Це алюмінати, цеоліти(польові шпати), гідроксиди, силікагелі. сульфовугілля. Найширше застосовуються органічні штучні матеріали – іонообмінні смоли.
Іонообмінний спосіб забезпечує також пом'якшення і знесолення води. В основі катіонного процесу пом'якшення води лежать реакції обміну іонів натрію і водню (катіонів) на іони Са2+ і Мg2+ солей твердості, розчинених у воді:
Nа2[Кат] + Са(НСО3)2 ↔ Са[Кат] +2 NaHCO3;
Nа 2[Кат] + МgSО4 ↔ Мg[Кат] +Na2SO4;
Процес біологічного очищення базується на здатності мікроорганізмів використовувати розчинені органічні речовини стічних вод для живлення в процесі життєдіяльності. Частина органічних речовин перетворюється на воду, вуглекислий газ, нітрит- і сульфат-іони, інша частина утворює біомасу.
Методи біологічного очищення можна умовно поділити на два види:
- очищення за умов, близьких до природних;
- очищення за штучно створених умов.
Перша група методів реалізується за допомогою полів фільтрації та полів зрошення (земельних ділянок, в яких очищення відбувається шляхом фільтрування крізь шар ґрунту), а також біологічних ставків. Біологічні ставки облаштовують каскадом по 3–5 водойм глибиною 1–1,5 м. Оскільки процеси біологічного очищення відбуваються повільно, вода в ставках перебуває не менше ніж 20 діб.
Друга група методів реалізується шляхом використання біофільтрів та аеротенків. Біофільтр (рис.6.6) – це резервуар з фільтрувальним матеріалом, поверхня якого вкрита біологічною плівкою – колонією мікроорганізмів, здатних сорбувати і окиснювати органічні речовини із стічних вод. Біофільтри будують у вигляді залізобетонних резервуарів діаметром до З0 м і висотою: низькі – 1,5...2 м, високі – 2...4 м і баштові – 10...20 м. На дірчасте дно резервуара поміщують щебінь, гальку, керамзит або ґратчасті блоки з пластмаси.
Аеротенк – резервуар, в якому стічні води перемішуються з активним мулом (біоценозом (спільнотою) мікроорганізмів, які поглинають органічні речовини) в умовах аерації (рис.6.7).

Рис.6.6. Схема біофільтра
1 – підведення стічної води; 2 – водорозподілювальний пристрій; 3 – фільтрувальний шар; 4 – дренажний пристрій; 5 – очищена вода; 6 – розподілювач повітря
Аерація стимулює швидкий ріст аеробних бактерій. Аеротенки, як правило, буваютьдовжиною до 100 м, шириною до 10 м і глибиною до 5 м. Активний мул подається разом зі стічною водою в аеротенк. Отримана мулова суміш в умовах аерації переміщується до виходу з аеротенка і далі на вторинний відстійник, де відбувається її розділення на очищену воду і активний мул. Активний мул далі розділяється на надлишковий і циркуляційний; останній повертається в аеротенк. Приріст активного мулу (надлишковий мул) періодично видаляють з апарата і після знезаражувальної обробки використовують як добриво.

Рис.6.7. Одноступенева схема очищення в аеротенках
1 – стічна вода; 2 – аеротенк; 3 – вторинний відстійник; 4 – очищена вода; 5 и 6
– циркуляційний і надлишковий мул
Біоценоз активного мулу складається з бактерій, найпростіших, плісньових грибів, дріжджів, личинок комах, водорослей тощо. Руйнування оранічних забрудників стічних вод в основному здійснюється бактеріями. В 1 м3 мулу міститься 2·1014 бактерій. Бактерії представлені такими типами, как псевдомонас, бациллус, нітробактер, нітросомонас та ін. Процес руйнування складних оранічних сполук відбувається у певній послідовності і в присутності каталізаторів цих реакцій – ферментів, що виділяються бактеріями. Ферменти – це складні білкові сполуки (молекулярна маса досягає сотень тисяч і мільйонів), що прискорюють біохімічні реакції.
В біологічних фільтрах використовують і «чисті культури» – вирощені популяції мікроорганізмів, які живляться певними речовинами (наприклад, фенолом, роданідами і ціанідами).
Біологічне очищення є основним методом оброблення міських стічних вод. Існують аеробні та анаеробні методи біологічного очищення стічних вод. При аеробному очищенні мікроорганізми культивуються в активному мулі або біоплівці.
Сумарні реакції біохімічного окиснення в аеробних умовах можна схематично представити наступним чином:
CxHyOzN + O2
CO2 + H2O + NH3 + ΔH; (I)
CxHyOzN + NH3 + O2
C5H7NO2 + CO2 + H2O + ΔH; (II)
C5H7NO2+ O2
CO2 + H2O + NH3 + ΔH; (III)
NH3 + O2
HNO2 + O2
HNO3, (IV)
де CxHyOzN – органічні речовини стічних вод; C5H7NO2 – умовна формула клітинної речовини бактерій; ΔH – енергія.
Лекція 7. Утилізація твердих відходів виробництва і споживання.
Урбанізація та її негативні наслідки.
Класифікація твердих відходів.
Методи утилізації твердих відходів.
Проблема відходів особливо гостро постала в кінці ХХ століття. У зв’язку з різким зростанням кількості та небезпечних властивостей відходів, масштабами їх негативного впливу на довкілля і здоров’я людей, виникла потреба загального, на рівні ЄЕС, регулювання питань поводження з відходами. В зв’язку з цим держави-учасники ЄЕС прийняли програму зі зменшення кількості утворення відходів – на 20 % упродовж 2000-2010 років та на 50 % – до 2050 року. При цьому акценти ставляться саме на переробці та утилізації, на так званому принципі трьох R: Reduce (зменшення), Recycling (рециркуляція) та Recovery(утилізація).
Урбанізація та її негативні наслідки. Серед основних причин збільшення кількості відходів є зростання кількості населення. Забруднення навколишнього середовища у наш час особливо зросло у великих містах, зокрема у великих індустріальних центрах.
Урбанізовані території займають 1% площі земної кулі, але зосереджують понад 50% населення Землі. При цьому їхня частка у загальному обсязі продукування відходів становить понад 80%. Сьогодні на кожного жителя планети припадає ~1 т сміття/рік.
В Україні тільки столиця Київ є багатомільйонним містом, населення якого сягнуло трьох мільйонів. Сім міст вже перевищили або сягають одномільйонного рубежу: Харків, Дніпропетровськ, Донецьк, Одеса, Запоріжжя, Львів, Кривий Ріг. Переважна частина великих міст – це індустріальні комплекси, і серед основних їхніх проблем є продукування виробничих відходів та сміття. Як результат – ступінь поширення багатьох хвороб у великих містах набагато більший, ніж у малих містах чи селах. Така хвороба, як рак легенів, у великих містах нині реєструється у два – три рази частіше, ніж у сільських місцевостях. Тут набагато більше хворіють бронхітами, астмою, алергійними хворобами. Рівень інфекційних захворювань у містах також удвічі вищий.
Важливим є також той факт, що, за дослідженнями вчених, кількість відходів зростає набагато швидше, ніж кількість населення. Отже, причиною утворення великої кількості відходів є й спосіб життя людей, які використовують все більше пакувальних матеріалів, виготовляють і купують неякісні товари, що швидко виходять з ладу, викидають речі замість того, аби знайти їм інше застосування.
Вилучаючи з навколишнього середовища велику кількість речовин, людина змінює їх і повертає у вигляді сміття, яке тривалий час не розкладається. Наприклад, в природних умовах папір розкладається протягом 2 років, консервна бляшанка – понад 90 років, поліетиленовий пакет – понад 200 років, скло – понад 1000 років.
Отже, ознакою сучасності є загострення конфлікту між природним середовищем та суспільством: природа практично неспроможна самоочищатися та самовідновлюватися при потужному техногенному навантаженні.
Класифікація твердих відходів. Відходи – будь-які речовини, матеріали і предмети, що утворюються в процесі людської діяльності і не мають подальшого використання за місцем утворення чи виявлення та яких їх власник повинен позбутися шляхом утилізації чи видалення. Відходи бувають твердими, рідкими та газоподібними. Загалом відходи є неоднорідними за хімічним складом, складними багатокомпонентними сумішами речовин, які мають різні фізико-хімічні та фізико-механічні властивості.
Небезпечні відходи – відходи, що мають такі фізичні, хімічні, біологічні властивості, які створюють або можуть створити значну небезпеку (наприклад, внаслідок взаємодії речовин під час зберігання) для навколишнього природного середовища і здоров’я людини та які потребують спеціальних методів і засобів поводження з ними. Найбільшу небезпеку для людини та біоти становлять відходи, які містять хімічні речовини І і ІІ класу токсичності. Це відходи, до складу яких входять радіоактивні ізотопи, діоксини, пестициди, бенз(a)пірен, фурани, миш'як. До особливо небезпечних відходів належать, зокрема:
· пестициди (інсектициди, фунгіциди, гербіциди);
· Pa-відходи, які утворюються на підприємствах ядерного паливного циклу та підприємствах, які використовують радіонукліди;
· ртуть і її сполуки;
· миш’як і його сполуки, які містяться у відходах металургійного виробництва і теплових електростанцій;
· сполуки свинцю у відходах нафтопереробної та лакофарбної промисловості;
· невикористані медикаменти, отрутохімікати, фарби, лаки, клеї, залишки побутової хімії.
Відходи як вторинна сировина – відходи, для утилізації та переробки яких в Україні існують відповідні технології та виробничо-технологічні або економічні передумови.
Державний класифікатор відходів – систематизований перелік кодів та назв відходів, призначений для використання в державній статистиці з метою надання різнобічної та обґрунтованої інформації про утворення, накопичення, оброблення (перероблення), знешкодження та видалення відходів.
Залежно від джерела утворення відходи поділяють на відходи виробництва, відходи споживання, сільськогосподарські та радіоактивні відходи.
Відходи виробництва (або промислові відходи) утворюються в результаті виробничих циклів; це залишки сировини, матеріалів, напівфабрикатів, що утворилися пі
