Дифференциальные усилители
Предназначены для усиления разности двух входных напряжений. Находят широкое применение в прецизионных измерительных устройствах, кардиографах и других устройствах, где необходимо усиление разности двух напряжений на фоне сильных помех.
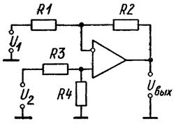
Построен на базе одного ОУ. Ниже приведено выражение, связывающее величину выходного напряжения Uвых и входных U1 и U2.


Если
, то 
Недостатки схемы:
· низкое входное сопротивление;
· низкий коэффициент подавления синфазного сигнала;
· неравенство входных сопротивлений для U1 и U2.






