Классификация здания по уровню молниезащиты
В зависимости от степени опасности, вызываемой ударами молнии, и значимости объектов, все здания и сооружения разделяются не три категории.
К первой категории относятся здания и сооружения, в которых длительно сохраняются или систематически возникают взрывоопасные смеси газов, паров и пыли с воздухом; длительно хранятся взрывчатые вещества в неметаллических упаковках или в открытом виде; имеются негерметично закрытые аппараты и оборудование с горючими жидкостями с температурой вспышки 450С и ниже. Сюда относятся все помещения классов В-I и B-II и здания категории А по ПУЭ. Взрыв таких объектов сопровождается разрушением зданий или человеческими жертвами.
Ко второй категории относятся здания и сооружения, в которых длительно сохраняются или систематически возникают смеси газов, паров или пыли с воздухом, способные взрываться от электрической искры без значительных разрушений или человеческих жертв. Сюда относятся здания категории В, в которых взрывоопасные концентрации возникают в момент аварии, хранилища взрывчатых веществ в прочной металлической упаковке, закрытые, герметизированные хранилища и аппараты, расположенные вне помещения, в которых хранятся ЛВЖ и горючие газы с температурой вспышки 450С и ниже, с толщиной стенок не менее 5 мм, имеющие дыхательные клапаны и газоотводные трубы (например, газгольдеры, цистерны); открытые хранилища ЛВЖ и здания, в которых находятся легко воспламеняемые вещества, загорание которых может вызвать разрушительные последствия (производство и хранение изделий из целлулоида, склады кинопленки и др.); здания, в которых изготовляются, применяются и хранятся бензин, бензол, толуол, ацетилен, сероводород, аммиак, спирты, здания нефтепереработки, топливоподготовки и топливоподачи, сушильные цехи, бензораздаточные колонки и др. Помещения классов В-Iа, B-Iг и В-IIа относятся ко второй категории.
К третьей категории относятся здания и сооружения, не вошедшие в первую или вторую категории, для которых прямой удар молнии опасен только в отношении пожара, механических разрушений и несчастных случаев с людьми. Сюда относятся все производственные сооружения, в которых отсутствует взрывчатые и ЛВЖ, жилищные сооружения, сельскохозяйственные постройки; металлургические, металлообрабатывающие, деревообделочные предприятия, общественные здания, трубы, башни и т.п.
Молниезащита зданий различных категорий имеет свои особенности. Здания и сооружения первой категории всегда защищаются от прямых ударов молнии, от вторичных проявлений молнии и от заноса высоких потенциалов. От прямых ударов молнии они защищаются при помощи молниеотводов, надземные и подземные токопроводящие элементы которых должны быть изолированы от частей защищаемого объекта и от любых металлических элементов, имеющих связь с защищаемым объектом. Невысокие сооружения (до 15 м) защищаются отдельно стоящими молниеотводами (рис.13.1) или молниеотводами, устанавливаемыми на самом сооружении, но изолированно от него. Сопротивление растекания заземлителя не должно превышать 10 см, а в условиях грунтов с большим удельным сопротивлением - 40-50 см.

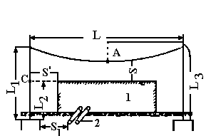
Рис. 13.1. Отдельно стоящий тросовый молниеотвод:
1 – защищаемый объект;
2 – металлические коммуникации.
Для высоких сооружений (30 м и более) неизолированные молниеотводы устанавливаются на самом объекте (рис. 13.2) с токоотводами, прокладываемыми по стенам, но с соблюдением следующих дополнительных мероприятий:
- импульсное сопротивление заземлителей не должно превышать 5 Ом. Заземлитель выполняется в виде контура, охватывающего все сооружения;
- на отдельных уровнях (этажах) выравнивают потенциалы между токоотводами и всеми металлическими деталями сооружения посредством замкнутого металлического контура, соединяющего все токоотводы, элементы конструкций и оборудование внутри зданий.

Рис. 13.2. Стержневой молниеотвод, изолированный от защищаемого объекта деревянной стойкой
Для защиты от вторичных проявлений молнии необходимо все находящиеся в здании металлические предметы и вводы в здание всех коммуникаций надежно заземлить, причем импульсное сопротивление не должно превышать 1 Ом. Если же заземление всех металлических предметов, находящихся в здании, невозможно, заземляется металлическая крышка здания либо накладывается сетка со сторонами ячеек 8-10 мм на непроводящую крышу и заземляется. Токоотводы от сетки или крыши здания устраиваются через каждые 15-20 мм по периметру здания. Переходные сопротивления мест соединения трубопроводов не должны превышать 0,3 Ом. Если же этого нельзя добиться, устраивают перемычки в местах соединения из медной проволоки сечением 16-35 мм. Все трубопроводы, кабельные линии и т.п. заземляются в начале, на концах, на ответвлениях и на вводах в здание. Использование в качестве токоотводов и заземлителей трубопроводов с ЛВЖ и газами не допускается.
Для защиты от заноса опасного потенциала запрещается ввод в здания и сооружения 1 категории проводов воздушных линий электропередачи связи. Энергию разрешается подводить лишь кабелями с заземлением оболочек на контур защиты от вторичных проявлений молнии. При наличии воздушных вводов устанавливаются специальные защитные мероприятия, которые здесь не рассматриваются.
Заземляющие устройства защиты от прямых ударов молнии выполняются, изолировано от заземлителя защиты от вторичных воздействий молнии, защитного заземления и подземных коммуникаций, кроме случаев неизолированной установки молниеотводов.
Сооружения второй категории от прямых ударов молнии защищаются молниеотводами, устанавливаемыми непосредственно на защищаемом объекте. При этом в качестве молниеприемника с установкой спусков к заземлению не реже чем через 15-20 м по периметру.
При больших высотах здания (8 м и более) через каждые два этажа устанавливаются выравнивающие контуры, соединенные с токоотводами. Защита от вторичных проявлений молнии осуществляется так же, как и здания 1 категории. Кроме того, допускается объединение заземлителя от прямых ударов молнии с заземлителем от ее вторичных проявлений, при этом величина импульсного сопротивления растеканию не должна превышать 10 Ом.
Для защиты от заноса высокого потенциала ввод воздушных линий в здания второй категории считается нежелательным. Рекомендуется применение кабельных подходов длиной 50 м, воздушных проходов длиной 150 м с заземленными штырями изоляторов и защитным разрядником на вводе здания.
Молниезащита зданий третье категории обязательна только для зданий большой высоты, зданий, представляющих особую народнохозяйственную, научную или культурную ценность и объектов с большим скоплением людей (школа, стадионы, больницы, театры и т.д.). В остальных случаях защита устраивается только в районах сильной и средней грозовой деятельности.
Молниеотводы устанавливаются непосредственно на зданиях. Токоотводы прокладываются по стенам. Общее сопротивление импульсному току не должно превышать 25 Ом.
Здания с металлической крышей не требуют установки молниеотводов, крыша заземляется через 25-30 м. Иногда используют сетчатые молниеотводы с ячейкой 6-9 м, накладываемые на крышу. Для защиты заноса высоких потенциалов на вводе в здания воздушных линий устанавливаются разрядники и заземляются штыри изоляторов с сопротивлением заземлителей 10-20 Ом. Все металлические коммуникации присоединяются на вводе в здания к контуру для защиты от прямых ударов молнии.
Каждый молниеотвод имеет определенную зону защиты – часть пространства, в пределах которого с достаточной степенью надежности (99%) обеспечивается защита зданий от прямых ударов молнии. Для защиты от прямых ударов молнии здания и сооружения должны вписываться в расчетные зоны защиты соответствующих молниеотводов, определяемые графоаналитическим методом.
Зона щиты одиночного стержневого молниеотвода высотой h<60 м представляет собой конус с образующей в виде ломаной линии и основанием с радиусом r=1,5h (рис.13.3).

Рис. 13.3. Зона защиты одиночного стержневого молниеотвода высотой до 60 м:
1 – граница зоны защиты на высоте hх; 2 –граница зоны защиты на уровне земли.
Методика расчета сводится к вычислению требуемой высоты молниеприемника h, обеспечивающего требуемую зону защиты объекта. Для этого по чертежам плана объекта устанавливают требуемый радиус защиты их на расчетной высоте защищаемого объекта hх с учетом требований минимально допустимого приближения к нему молниеотвода. Объект должен полностью вписываться в границы зоны защиты на высоте hх определенной конструктивными соображениями.
Расчетную высоту молниеотвода при предварительно установленных значениях hх и rх определяют по формулам:
при 0< hх<2/3 h, h=0,67(rx+1,85hx)
при 2/3< hх<h, h=1,34+hx
Зона защиты одиночного стержневого молниеотвода высотой от 61 до 100 м по форме аналогична зоне защиты при h<60 м; в ней основанием конуса на уровне земли принимается круг радиусом r=90 (рис. 13.4).

Рис.13.4. Зона защиты одиночного стержневого молниеотвода высотой от 60 до 100 м:
1- граница зоны защиты на высоте hх; 2 – граница зоны защиты на уровне земли.
Расчетная высота молниеотвода при предварительно установленных значениях hx и rx определяется по формулам:
при 0<hх<2/3 h, h=112,5
(а)
при 2/3< hх<100, h= 45
(б)
Как видно из формул (а) и (б) возможность применения одиночного молниеотвода высотой от 61 до 100 м ограничивается по допустимому радиусу защиты соответственно неравенствам:
rx<90 м и rx<45 м (в)
Таким образом, для протяженных защищаемых объектов, требуемые границы зоны защиты которых на высоте hх не отвечают условиям (в), необходимы не одиночные, а двойные стержневые или тросовые молниеотводы.
Зона защиты двойного стержневого молниеотвода одинаковой высоты не более 60 м при расстоянии между одиночными молниеотводами а представлена на рис..

Рис.13.5. Зона защиты двойного стержневого молниеотвода:
1 – граница зоны защиты на высоте hх; 2 –граница зоны защиты на уровне земли.
Торцовые области зоны защиты определяются как зоны одиночных молниеотводолв. Очертание зоны защиты в сечении О-О, посередине расстояния между молниеотводами, определяется по правилу построения зоны защиты одиночного стержневого молниеотвода высотой hо. Ширина зоны защиты в середине молниеотводами r соответственно будет равна на уровне земли 2r, а на высоте hх составит 2 rox.При расстоянии между единичными молниеотводасми а<5 h, величина ho>0. При а>5h общее защитное действие единичных молниеотводов нарушается (h-0), и они должны рассматриваться как одиночные.
Высоту молниеотводов h при предварительно установленных значениях hо и а можно определить по формуле:
h=0,57ho+
.