Задачи
Задача 1. Автоклав объемом 25 л наполнен жидкостью и закрыт герметически. Коэффициент температурного расширения жидкости a, её модуль упругости E.
Определить повышение давления в автоклаве при увеличении температуры жидкости на величину Т. Объемной деформацией автоклава пренебречь.
Задача 2 (рис. 2.1). Определить скорость υ равномерного скольжения прямоугольной пластины (а ´ b ´ с) по наклонной плоскости под углом a = 12°, если между пластиной и плоскостью находится слой масла толщиной d. Температура масла 30 °С, плотность материала пластины r.

Рис. 2.1.
Задача 3 (рис. 2.2). Зазор между валом и втулкой заполнен маслом, толщина слоя которого равна d. Диаметр вала D, длина втулки L. Вал вращается равномерно под воздействием вращающего момента М. Определить частоту вращения вала, если температура масла равна 40 °С.

Рис. 2.2.
Задача 4 (рис. 2.3). Закрытый резервуар заполнен дизельным топливом, температура которого 20 °С. В вертикальной стенке резервуара

Рис. 2.3. Рис. 2.4.
имеется прямоугольное отверстие (D ´ в), закрытое полуцилиндрической крышкой. Она может повернуться вокруг горизонтальной оси А. Мановакууметр MV показывает манометрическое давление р м или вакуум р в. Глубина топлива над крышкой равна H.
|
|
|
Определить усилие F, которое необходимо приложить к нижней части крышки, чтобы она не открывалась. Силой тяжести крышки пренебречь. На схеме показать векторы действующих сил.
Задача 5 (рис. 2.4). Вертикальная цилиндрическая цистерна с полусферической крышкой до самого верха заполнена жидкостью, плотность которой р. Диаметр цистерны D, высота ее цилиндрической части Н. Манометр М показывает манометрическое давление р м.
Определить силу, растягивающую болты А, и горизонтальную силу, разрывающую цистерну по сечению 1–1. Силой тяжести крышки пренебречь. Векторы сил показать на схеме.

Рис. 2.5. Рис.2.6.
Задача 6 (рис. 2.5). Круглое отверстие между двумя резервуарами закрыто конической крышкой с размерами D и L. Закрытый резервуар заполнен водой, а открытый – жидкостью Ж. К закрытому резервуару сверху присоединен мановакууметр MV, показывающий манометрическое давление р м или вакуум р к. Температура жидкостей 20 °С, глубины h и H.
Определить силу, срезывающую болты А, и горизонтальную силу, действующую на крышку. Силой тяжести крышки пренебречь. Векторы сил показать на схеме.
Задача 7 (рис. 2.6). Цилиндрическая цистерна наполнена бензином, температура которого 20 °С. Диаметр цистерны D, длина L. Глубина бензина в горловине h = 20 см, ее диаметр d = 30 см.
Определить силы давления на плоские торцевые стенки А и В цистерны в двух случаях: 1) когда цистерна не движется; 2) при движении цистерны горизонтально с положительным ускорением а.
|
|
|
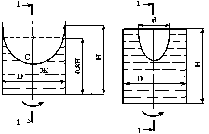
Задача 8 (рис. 2.7). Открытый цилиндрический резервуар заполнен жидкостью Ж до высоты 0,8 H. Диаметр резервуара D, температура жидкости 20 °С.
Определить:
1) объем жидкости, сливающейся из резервуара при его вращении с частотой n вокруг его вертикальной оси;
2) силу давления на дно резервуара и горизонтальную силу, разрывающую резервуар по сечению 1–1 при его вращении.

Рис. 2.7. Рис. 2.8.
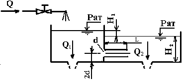
Задача 9 (рис. 2.8). Цилиндрический сосуд диаметром D и высотой H полностью заполнен водой, температура которой 20 °С. Диаметр отверстия сверху равен d.
Определить: 1) с какой предельной частотой можно вращать сосуд около его вертикальной оси, чтобы в сосуде осталось 75 % первоначального объема воды; 2) силу давления на дно сосуда и горизонтальную силу, разрывающую сосуд по сечению 1–1 при его вращении с определенной частотой.
Задача 10 (рис. 2.9). По сифонному трубопроводу длиной l жидкость Ж при температуре 20 °С сбрасывается из отстойника А в отводящий канал Б.
Какой должен быть диаметр d трубопровода (его эквивалентная шероховатость DЭ), чтобы обеспечить сбрасывание жидкости в количестве Q при напоре H? Трубопровод снабжен приемным клапаном с сеткой (x к), а плавные повороты имеют углы 45 ° и радиус округления R = 2× r.
Построить пьезометрическую и напорную линии. Данные в соответствии с вариантом задания выбрать из табл. 2.2.

Рис. 2.9. Рис. 2.10.
Задача 11 (рис. 2.10). Центробежный насос, перекачивающий жидкость Ж при температуре 20 °С, развивает подачу Q.
Определить допустимую высоту всасывания h в, если длина всасывающего трубопровода l, диаметр d, эквивалентная шероховатость DЭ, коэффициент сопротивления обратного клапана x к, а показание вакуумметра не превышало бы р 1.
Построить пьезометрическую и напорную линии. Данные в соответствии с вариантом задания выбрать из табл. 2.2.
Задача 12 (рис. 2.11). В баке А жидкость подогревается до температуры 50 °С и самотеком по трубопроводу длиной l 1 попадает в производственный цех. Напор в баке А равен Н.
Каким должен быть диаметр трубопровода, чтобы обеспечивалась подача жидкости в количестве Q при манометрическом давлении в конце трубопровода не ниже р м?
Построить пьезометрическую напорную линии. Данные для решения задачи в соответствии с вариантом задания выбрать из табл. 2.2.

Рис. 2.11.
Задача 13 (рис. 2.12). Из большого закрытого резервуара А, в котором поддерживается постоянный уровень жидкости, а давление на поверхности жидкости равно р 1 по трубопроводу, состоящему из двух последовательно соединенных труб, жидкость Ж при температуре 20 °С течет в открытый резервуар Б. Разность уровней жидкости в резервуарах равна Н. Длина труб l 1 и l 2, диаметры d 1 и d 2, а эквивалентная шероховатость DЭ.
Определить расход Q жидкости, протекающей по трубопроводу. В расчетах принять, что местные потери напора составляют 20 % от потерь по длине. Данные для решения задачи в соответствий с вариантом задания выбрать из табл. 2.2.

Рис. 2.12.
Задача 14 (рис. 2.13). Из большого закрытого резервуара А, в котором поддерживается постоянный уровень жидкости, а давление на поверхности ее равно р 1, по трубопроводу, состоящему из двух параллельно соединенных труб одинаковой длины l 1 но разных диаметров d 1 и d 2 (эквивалентная шероховатость DЭ), жидкость Ж при температуре 50 °С течет в открытый резервуар Б. Разность уровней жидкости в резервуарах равна Н.
Определить расход Q жидкости, протекающей в резервуар Б. В расчетах принять, что местные потери напора составляют 20 % от потерь по длине. Данные для решения задач в соответствии с вариантом задания выбрать из табл. 2.2.

Рис. 2.13.
Задача 15 (рис. 2.14). Из большого резервуара А, в котором поддерживается постоянный уровень жидкости, по трубопроводу, состоящему из трех труб, длина которых l 1, и l 2, диаметры d 1 и d 2, а эквивалентная шероховатость DЭ, жидкость Ж при температуре 20 °С течёт в открытый резервуар Б. Разность уровней жидкости в резервуарах равна Н.
|
|
|
Определить расход Q жидкости, протекающей в резервуар Б. В расчетах принять, что местные потери напора составляют 20 % от потери по длине. Данные для решения задачи в соответствии с вариантом задания выбрать из табл. 2.2.

Рис. 2.14.
3адача 16 (рис. 2.15). В бак, разделенный перегородкой на два отсека, подается жидкость Ж в количестве Q. Температура жидкости 20 °С. В перегородке бака имеется цилиндрический насадок, диаметр которого d, а длина l = 3× d. Жидкость из второго отсека через отверстие диаметром d поступает наружу, в атмосферу.
Определить высоты Н 1 и H 2 уровней жидкости. Данные для решения задачи в соответствии с вариантом задания выбрать из табл. 2.2.

Рис. 2.15.

Рис. 2.16.
Задача 17 (рис. 2.16). В бак, разделенный перегородками на три отсека, подаётся жидкость Ж в количестве Q. Температура жидкости 20 °С. В первой перегородке бака имеется коноидальный насадок, диаметр которого равен d, а длина l = 3× d; во второй перегородке бака – цилиндрический насадок с таким же диаметром d 1 и длиной l = 3× d. Жидкость из третьего отсека через отверстие диаметром d поступает наружу, в атмосферу.
Определить H l и H 2 и Н 3 уровней жидкости.
Задача 18 (рис. 2.17). В бак, разделенный на две секции перегородкой, в которой установлен цилиндрический насадок диаметром d и длиной l = 4× d, поступает жидкость Ж в количестве Q при температуре 20 °С. Из каждой секции жидкость самотеком через данные отверстия диаметром d вытекает в атмосферу.

Рис. 2.17.
Определить распределение расходов, вытекающих через левый отсек Q 1 и правый отсек Q 2, если течение является установившимся.
Приложения к задачам варианта 2
1. Средние значения плотности r и кинематической вязкости n некоторых жидкостей
Таблица 2.3.
| Жидкость | Плотность, кг/м3, при Т, °С | Кинематическая вязкость, Ст, при Т, °С | |||||
| Вода | — | 0,010 | 0,0065 | 0,0047 | 0,0036 | ||
| Нефть легкая | — | 0,25 | — | — | — | ||
| Нефть тяжёлая | — | 1,4 | — | — | — | ||
| Бензин | — | 0,0073 | 0,0059 | 0,0049 | — | ||
| Керосин Т-1 | — | 0,025 | 0,018 | 0,012 | 0,010 | ||
| Керосин Т-2 | — | 0,010 | — | — | — | ||
| Диз. топливо | — | 0,28 | 0,12 | — | — | ||
| Глицерин | — | 9,7 | 3,3 | 0,88 | 0,38 | ||
| Ртуть | — | 0,0016 | 0,0014 | 0,0010 | — | ||
| Масла: Касторовое Трансформаторное АМГ-10 Веретенное АУ Индустриальное 12 то же 20 » 30 » 50 Турбинное | — — — — — — — | — | 0,28 0,17 0,48 0,48 0,85 1,8 5,3 0,97 | 3,5 0,13 0,11 0,19 0,19 0,33 0,56 1,1 0,38 | 0,88 0,078 0,085 0,098 0,098 0,14 0,21 0,38 0,16 | 0,25 0,048 0,65 0,059 0,059 0,080 0,11 0,16 0,088 | |
Указание. Плотность жидкости при другой температуре можно определить по формуле
|
|
|
,
где ρt – плотность жидкости при температуре Т = Т 0 + D Т; D Т – изменение температуры; Т 0 – температура, при которой плотность жидкости равна ρ 0, a – коэффициент температурного расширения жидкости (в среднем для минеральных масел можно принять a = 0,00071 1/°С). Стокс Ст = см2/с = 10-4 м2/с.
Таблица 2.4.
| Температура Т, °С | |||||||||||
| Плотность r, кг/м3 |