Раздел 6
Список используемой литературы.
Охарактеризуйте схему управления приточной вентиляцией.
Охарактеризуйте схему управления системой кондиционирования с рециркуляцией.
Охарактеризуйте схему управления кондиционерами для нескольких помещений.
Охарактеризуйте схему управления кондиционером с регулятором температуры и влажности.
Охарактеризуйте схему кондиционирования помещения.
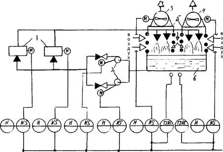
7.Охарактеризуйте схему управления воздушно – тепловой завесой.
8.Каков состав системы автоматизации управления рукавными фильтрами?
9.Каков состав системы автоматизации управления электрофильтрами?
10.Каков состав системы автоматизации управления скрубберами Вентури?
11.Каков состав системы автоматизации управления системой аспирации?
1.Киселёв А.Д. Повышение эффективности газоудаления дуговых сталеплавильных печей.- М.: Металлургия, 1992 – 220 с.
2.Марханд Д., Польтир К. Защита окружающей среды в электросталеплавильных печах//Чёрные металлы/№11,1980 г.
|
|
|
3.Осипенко В.Д. Отвод и обеспыливание газов дуговых сталеплавильных печей. М.; Металлургия, 1985. – 170 с.
4.Эльтерман В.М.Охрана окружающей среды на химических и нефтехимических предприятиях. – М.: Химия, 1985. – 160 с.
5.Лейкин И.Н. Рассеивание вентиляционных выбросов химических предприятий. – М.: Химия, 1982. – 224 с.
6.Швыдкий В.С., Ладыгичев М.Г. Очистка газов. М.: Теплотехник, 2006. – 790 с.
7.Беспалов А.В., Харитонов Н.И. Системы управления химико-технологическими процессами. – М.: ИКЦ «Академкнига, 2007. – 690 с.
8.Голубятников В.А., Шувалов В.В. Автоматизация производственных процессов в химической промышленности. – М.: Химия, 1985. – 352 с
Системы автоматизации очистки технической воды и других вспомогательных процессов
Предприятия потребляют воду в качестве хладо- и теплоносителей, для газоочистки, а также как средство пожаротушения в противопожарных устройствах.
Системы оборотного водоснабжения. Охлаждение большинства технологических аппаратов осуществляется водой, и потребление её на современных предприятиях достигает десятков и сотен тысяч тонн. Такие потребности не могут быть удовлетворены только за счёт водопроводной воды, поэтому нагретую в аппаратах воду вновь охлаждают атмосферным воздухом в специальных устройствах - вентиляционных градирнях (рис.6.26, а). 
а) б)
Вода с ТЭЦ (прямая теплосеть)
Вода на ТЭЦ (обратная теплосеть) горячая вода на производство
Рис.6.26. Схема управления системами оборотного (а) и горячего (б) водоснабжения: I - охлаждающие аппараты; 2 - циркуляционные насосы; 3, 4 - вентиляторы; 5 - корпус градирни; 6 - сборный бак
|
|
|
При управлении системой оборотного водоснабжения необходимо стабилизировать температуру в сборном баке 6 градирни, поскольку колебания её являются сильными возмущениями для охлаждаемых аппаратов 1. Поставленная задача решается следующим образом. При пуске электродвигателей охлаждаемых аппаратов автоматически включается один из электродвигателей рабочего насоса 2. Вода при движении через аппарат нагревается, и температура её в сборном баке 6 повышается. По достижению первого предельного значения температуры срабатывает один из позиционных регуляторов, и включается вентилятор 3, воздух просасывается через распыливаемую сверху градирни, нагретую воду и охлаждает её. Если включение одного вентилятора недостаточно и температура продолжает повышаться, срабатывает второй регулятор и включается второй вентилятор 4. Температура воды уменьшается, и происходит отключение вентиляторов в обратной последовательности.
Системы горячего водоснабжения. Эти системы используют для получения горячей воды - теплоносителя для многих технологических аппаратов. Как и при оборотном водоснабжении, управлять устройствами данной системы следует таким образом, чтобы температура поступающей в производство горячей воды была постоянной. Горячую воду на предприятиях получают, как правило, смешением воды из прямой и обратной линий теплосети. Это позволяет регулировать температуру горячей воды изменением соотношения расходов воды (рис.6.26, б).
Системы противопожарного водоснабжения. В случае повышенной пожароопасности сырья, полуфабрикатов и пр. в производственных помещениях предприятий устанавливают спринклерные автоматические системы противопожарного водоснабжения. Они представляют собой ряд трубопроводов, проложенных под потолком помещения, со спринклерами над пожароопасными участками. Спринклеры - разбрызгивающие устройства, соединённые между собой легкоплавким сплавом. При возникновении пожара и повышении температуры до 75-90°С сплав плавится, замок распадается, и начинает разбрызгиваться, так как трубопроводы постоянно находятся под давлением.
Системы очистки сточных вод. Очистка сточных вод на предприятиях с литейно-металлургическим циклом приобретает особое значение в случае мокрой очистки технологических и аспирационных газов, а также при ряде других процессов. Наиболее распространёнными видами очистки сточных вод является химическая (реагентная) и биохимическая. При реагентной очистке производится нейтрализация кислот и щелочей в сточных водах, выделение из них металлов, а также коагуляция тонкодисперсных взвесей за счёт добавления реагентов, при биохимической - очистка стоков от органических веществ.
Химическая очистка. Кислые и щелочные производственные стоки собираются раздельно в приёмных ёмкостях 1 и 2 (рис.6.27). Здесь происходит выравнивание состава стоков при перемешивании их (с помощью насосов). В реакторе 3 осуществляется взаимная нейтрализация кислых и щелочных стоков; образующиеся при этом газы (сероуглерод, сероводород, диоксид углерода) отводятся из верхней части реактора.
В реакторе 4 производится удаление солей металлов введением щелочного реагента (известкового молока), который переводит растворимые соли металлов в нерастворимые. Приготовление известкового молока осуществляется в известегасительном аппарате 5. Полученная суспензия стекает в ёмкость, откуда насосом подаётся через дозатор 7 в реактор 4.
Образовавшиеся в реакторе 4 нерастворимые соли коагулируются и сепарируются в отстойнике 3. Осадок из отстойника уплотняется и сепарируется в отстойнике 8. Осадок из отстойника уплотняется, обезвоживается и отправляется на утилизацию.
|
|
|
Осветлённая вода отстойника 3 имеет повышенную щёлочность, поэтому перед сбросом в канализацию её нейтрализуют до рН 7- 0,25 разбавленной серной кислотой в смесителе ершового типа. Разбавленную серную кислоту готовят поочерёдно в ёмкостях II смешением концентрированной кислоты и воды в за
данных соотношениях.






