Принято частоту электрического сигнала измерять через время, либо непосредственно. На практике необходимость в приборах для измерения частоты возникает при контроле работы линии токоприемников.
Методы сравнения.
Наиболее распространенный метод - использование осциллографа в качестве элемента индикации, т.е. результат (совпало, не совпало) выносится на основании визуального анализа субъекта изображения на экране осциллографа.
а) Фигуры Лиссажу.
Непрерывная замкнутая кривая, имеющая стабильность при целом отношении частот сигналов fх/fу = n

Рис.. Схема измерения частоты с
использованием фигуры Лиссажу.
Фигуры Лиссажу позволяют уверенно измерять при кратности частот (4-6), но при этом требуется стабильный генератор эталонной частоты. На низких частотах (10 Гц) таких приборов немного.
Погрешность измерения по этому методу оценивается погрешностью установки частоты измерительным генератором, индикатор, т.е. осциллограф не вносит погрешности. В лабораторных условиях метод дает хорошие результаты. В промышленности метод считается несколько громоздким. Преимущество диапазона равно тысячи Гц.
б) Метод круговой развертки - метод пунктирного колеса.
Суть метода: на экране осциллографа с помощью фазосдвигающей R-С цепочки, создается круговая развертка.

Рис.. Схема измерения частоты с
использованием метода пунктирного колеса.
В общем случае это эллипс, который можно преобразовать в круг подбором величин R и C. На модулятор трубки осциллографа подается измеряемый сигнал fx, если эталонная частота кратна fx, на экране наблюдается штриховая линия (f2 >> f1).
Основное условие получения пунктира является целое отношение величин частот. Если это не выполняется, то окружность как бы вращается по экрану, создавая впечатления простой линии. Метод позволяет измерять отношение частот до 10 - 15 уверенно.
Недостаток: требуется вход модулятора и усилитель для сигнала f2.
Оба рассмотренных метода - сравнение с нулевым отклонением.
Имеется второй метод - метод биений, когда результат сравнения не нулевой сигнал и известные частоты объединяются на сумматоре.

Рис.. Схема измерения частоты
с использованием метода биения.
Разницу f1-f2 называют биением. Поскольку биения можно прослушать через динамик, то, уменьшая или увеличивая частоту задающего генератора, по звуку добиваются нулевых биений - пропадания звука в динамике. Поскольку нижний порог слышимости порядка 20 Гц метод имеет погрешность, определяемую этим порогом (индикатор, наушники, динамик). Как правило, метод биений применяется на высоких частотах, когда Df/f1 << 20/f << 1.
Оценить частоту периодического сигнала всегда можно с помощью осциллографа.
Электромеханические методы.
Прямые измерения получают с использованием электромеханических частотомеров и электронных (цифровых) частотомеров. Электромеханические на основе приборов электродинамической системы либо вибрационные. Главный недостаток электродинамических приборов – ограниченный диапазон измерений. В то же время это и достоинство, т.к. эти приборы ориентированны на измерение номинального значения, когда стрелка-указатель должна находиться вблизи этого номинального значения. В таком приборе имеются две подвижные рамки и основная катушка. 1-2, 3-4 – обмотки подвижных рамок, а 5-6 – основная катушка.

Рис.. Схема измерения частоты с использованием электромеханических
частотомеров на основе приборов электродинамической системы.
При прохождении тока по обмоткам 1-2, 3-4, 5-6 между ними возникает сдвиг по фазе напряжений. В результате формируется два магнитных потока, удерживающих в состоянии равновесия. Параметры L и C поддерживаются так, чтобы при номинальной частоте стрелка располагалась по середине.
Другой тип электромеханических частотомеров – вибрационные. Имеются несколько катушек (электромагнитов) с резонансными частотами, близкими к номинальной. Катушки размещают слева направо, так чтобы частоты увеличивались. Возле каждой катушки размещают гибкую пластину, один конец которой закреплен, а другой свободно может вибрировать в случае резонанса. Против свободных концов пластин имеется шкала.
При подключении источника напряжения с определенной частотой пластина начинает вибрировать, причем максимальная амплитуда вибрации пластин у той катушке, собственная частота которой, совпадает с частотой генератора. Такие приборы используют для непрерывного контроля частоты.

Рис.. Схема измерения частоты с использованием электромеханических
частотомеров на основе вибрационных приборов.
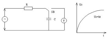
Конденсаторный метод измерения частоты.
Помимо электромеханических средств измерения, использовались ряд других: Например, конденсаторный метод. Конденсаторные частотомеры основаны на разном времени разряда и заряда конденсатора.

Рис.. Схема измерения частоты с использованием конденсаторного метода.
Напряжение на конденсаторе при разряде можно рассмотреть линейно изменяющимся во времени. Если поставить в зависимость время заряда и частоту коммутации (переключат SB), то показание вольтметра можно проградуировать в значениях частоты.
Основная погрешность прибора связана с нелинейностью характеристики напряжения во времени. Кроме этого измерительный механизм имеет класс точности, поэтому класс точности таких приборов порядка 2, диапазон измерения широк за счет переключения конденсатора.
Структурная схема цифрового частотомера. Измерение частоты следования и временных интервалов.
Электронные частотомеры основаны на использовании временного интервала.

Рис.. Измерение частоты следования и временных интервалов.
Если поставить в соответствии длительность измеряемого временного интервала периоду следования сигнала, мы можем «сосчитать» этот временной интервал. Этот принцип использовался в цифровых частотомерах. Для измерения временного интервала можно воспользоваться следующей схемой:

Рис.. Схема измерения временного интервала.
Погрешности таких измерений определяются стабильностью генератора (генератор кварцевый) и половиной периода следования частоты измерительного генератора. Технически частота генератора ограничена, поэтому такие измерители имеют фиксированную погрешность, но эта погрешность незначительна (при частоте n = 1 МГц погрешность 0,5*10-6).
Рассматриваемый способ дает очень хорошие результаты для очень малых частот в том числе, промышленных, а интегрированные схемы позволяют выполнить приборы с малыми габаритами. Основная погрешность вносит усилитель-ограничитель, который формирует из синусоидального сигнала прямоугольный. Точность таких измерений до сотых долей процента.
Метод цифрового измерения временного окна хорошо вписывается в цифровую обработку с применением ЭВМ, т.е. можно определить не только действующее средневыпрямленное значение, но и частоту следования.