Совместный расчет режима сетей
Автотрансформаторы
Для снижения стоимости ПС и уменьшения потерь электроэнергии при трансформации в сетях напряжением 110кВ и выше применяют автотрансформаторы (АТ) вместо трех обмоточных (Т) трансформаторов. При применении автотрансформатора 220/110/10кВ удельная экономия меди (кг/кВ×А) составляет примерно 15-25%, а его полный вес в 1,5 раза меньше, чем трансформатора. Суммарные потери энергии уменьшаются на 30-35%.
Задания для самостоятельной работы:
1. Расчет потерь в автотрансформаторах.
2. Анализ каталожных данных автотрансформаторов из справочных материалов и данных заводов-изготовителей.
В энергосистеме работают сети нескольких номинальных напряжений, связанных между собой трансформаторами и автотрансформаторами.

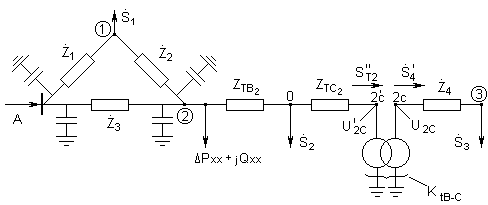
Схема сети.

Схема замещения.
Рассмотрим особенности расчета режима в таких случаях.
Идеальный трансформатор отражает наличие трансформации между цепями 110 и 35 кВ.
При этом сопротивления трансформатора учитываются элементами Zтв2, Zтс2 (Zтн2 нет т.к. D Sтн2 вошли в S2).
|
|
|
В узловых точках 1, 0 и 3 включены расчетные нагрузки подстанций 1, 2 и 3 (
).
В составе S1 кроме нагрузки потерь в трансформаторе учтены зарядные мощности половин линий Л1 и Л2, в S2 учтена нагрузка узла и потери в обмотке Zтн2, в S3 учтена нагрузка и потери в трансформаторе (зарядная мощность 1/2 линии ЛЧ не учитывается, т.к. U=35кВ).
Рассмотрим сначала последовательность расчета схемы «по данным конца». Расчет участка 3-2 выполняется аналогично приведенным ранее расчетам.
Результатом расчета будет определение напряжения
и мощности
. При коэффициенте трансформации k tb-c
, а мощность
, т.к. трансформатор - идеальный и он не имеет сопротивлений.
После определения
и
расчет выполняется применительно к схеме одного номинального напряжения.
Расчет «по данным начала» выполняется в два этапа, по аналогии с расчетом для сети с одним Uном.
На первом этапе определяется:
1. потери мощности;
2. значения мощностей во всех элементах схемы замещения, при условии, что напряжение во всех точках сети имеет номинальное значение.
Для линии ЛЧ Uном=35кВ, для остальных элементов схемы
Uном=110кВ.
На втором этапе определяется во втором приближении:
1. напряжения в узловых точках по заданному напряжению в точках питания А и найденных на первом этапе мощностям в начале каждого из элементов схемы.
Затем при последовательном переходе от одной узловой точки питания А к концу линии ЛЧ определяется приведенное напряжение
на шинах СН подстанции 2, а затем отвечающее ему действительное напряжение на этих шинах
.
Далее ведется расчет для линии ЛЧ, причем потери напряжения в ней определяется по найденному напряжению U2c, т.е.
|
|
|
.
При этом напряжение в т.3 U3= U2c-D U4
Еcли надо вычислить напряжение на шинах низкого напряжения (НН) подстанций, то расчет должен быть дополнен еще одним этапом. Должны быть учтены потери напряжения в сопротивлениях трансформаторов и автотрансформаторов и наличие магнитной связи между их обмотками.
|
Покажем последовательность расчета на примере подстанции 1 предыдущей схемы.
На рисунке показана схема соединения элементов, учтенных при определении расчетной нагрузки этой подстанции 1 и указаны мощности, которые должны быть найдены и просуммированы при вычислении
.
Так как напряжение U1 известно (определено на предыдущем этапе расчета), то потеря напряжения в сопротивлении трансформатора Zт1 может быть найдена по величине напряжения U1 и мощности
, протекающей по сопротивлению Zт1.
При этом потеря напряжения
,
а приведенные напряжения на шинах низкого напряжения подстанций
.
Искомое напряжение на шинах НН подстанции 1
.
Можно применять и способ, предусматривающий приведение параметров схемы и ее режима к одной ступени трансформации. В нашем примере целесообразно привести сопротивление линии ЛЧ к номинальному напряжению 110 кВ. В этом случае из схемы замещения исключается идеальный трансформатор, точки
объединяются, а сопротивления Z4 заменяется сопротивлением: 
Напряжение в точке 3 при расчете также следует принимать приведенным к той же ступени трансформации, что и
, т.е. считать, что
. Оба подхода к расчету равноценны.
Расчеты режима линий с двусторонним питанием при различающихся напряжениях источников питания (по концам)
Для расчета схем с несколькими независимыми источниками питания широко используется принцип наложения.
Согласно этому принципу токи и мощности в ветвях могут рассматриваться как результат суммирования ряда слагающих, число которых равно числу независимых источников напряжения.
Каждый из этих токов определяется действием лишь одного из источников напряжения при равенстве нулю напряжений других источников.
Линии с двусторонним питанием при различающихся напряжениях по концам относятся к числу электрических цепей с независимыми источниками мощности. Для её расчета также может быть применен принцип наложения.
![]() |
Заданы различные напряжения по концам линии, например U1 >U4.
Известны мощности нагрузок S2 и S3 и сопротивления участков линии Zkj, где k – узел начала участка линии, j – узел конца участка линии.
Надо найти потоки мощности Skj.
![]() |
В соответствии с известным из ТОЭ принципом наложения, линию можно представить двумя линиями (рисунок б) и в)).
![]() |
Потоки мощности в исходной линии можно получить в результате наложения (суммирования)
потоков в этих линиях. Потоки мощности в линии с равными напряжениями по концам (Uн.)
рисунок б) определяются известными выражениями:
где 
где 
В линии на рисунке в) в направлении от источника питания с большим напряжением к источнику с меньшим напряжением протекает сквозной уравнительный ток Iур. и уравнительная мощность Sур.


Соответственно в результате положения потоков, определенных по формулам (1), (2) и (3), определяются потоки мощности в линии с двусторонним питанием на рисунке а)
Определение потерь мощности DSkj осуществляется по формуле:

где k – узел начала участка линии;
j – узел конца участка линии;
Затем определяются напряжения.
Допустим точкой потокораздела является точка3,рисунок 2).Разрежем линию в узле 3, рис. д)
![]() |
![]() |
Теперь можно определить напряжения или падения напряжения (DUнб) в двух разомкнутых сетях, т.е. в линиях 1–3 и 4–31 т.к. U1 > U4, то DU1-3 > DU4-3 и DUнб = DU1-3
|
|
|











