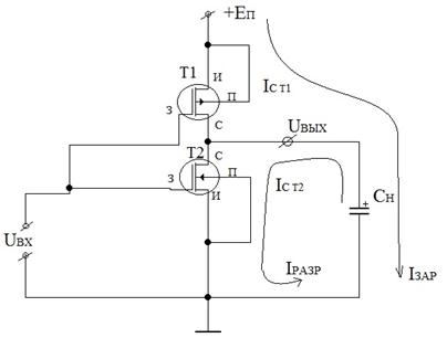
Структура цифрового ключа на комплементарной паре биполярных транзисторов.
(с дополнительной симметрией)

Кл1 – включен 
Кл2 – выключен
![]() |
Кл1 – выключен 
Кл2 – включен

Заряд – С*U=Iзар*tзар; 
Разряд - С*U=Iразр*tразр; 
Если Iзар=Iразр, то
=
, или
Если Rоткрт2=Rоткрт3, то
=
.
Uвх=+Еп
Uвых=+Еп
Uвх=0В
Uвых=0В

Т1 и Т2 – взаимодополняющие друг друга (комплементарные) транзисторы.
Е п выбирается из условия:
Е п ≤|Uзипорт1|+|Uзипорт2|,
То исключается сквозной ток.
Uзипорт1 и Uзипорт2 - пороговые напряжения транзисторов Т1 и Т2 соответственно.

Достоинства цифрового К-МОП ключа
1. Низкое потребление энергии от Е п в статических состояниях.
2. Высокая помехоустойчивость, обусловленная высокой
разницей напряжений на выходе при различных состояниях ключа:
открытое – единицы мкВ;
закрытое – почти +Е п.
3. Повышенное быстродействие, т.к. заряд и разряд конденсатора
Сн происходят через транзисторы Т1 и Т2 большими токами Iст1 и Iст2, соответственно. Чем больше Еп, тем большие отпирающий потенциал на затворах транзисторов, тем выше значения Iст1 и Iст2, а значит и выше быстродействие.
Эти достоинства и отработанность технологии изготовления являются причиной широкого использования К-МОП ключей в интегральной схемотехнике.







