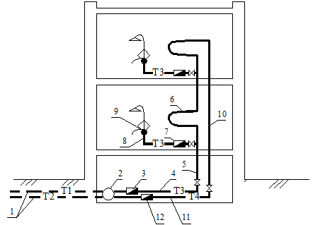
Элементы горячего водопровода Т3-Т4 рассмотрим на примере рисунка

1 - ввод теплосети в техподполье здания. Это не элемент горячего водопровода.
2 - тепловой узел. Здесь реализуется схема (открытая или закрытая) горячего водопровода.
3 - водомер на подающей трубе горячего водопровода Т3 у теплового узла.
4 - разводящая сеть подающих трубопроводов Т3 горячего водопровода.
5 - подающий стояк Т3 горячего водопровода. В его основании устанавливают запорный вентиль.
6 - полотенцесушители на подающих стояках Т3.
7 - квартирные водомеры горячей воды на поэтажные подводках Т3.
8 - поэтажные подводки горячей воды Т3 (обычно 15 мм).
9 - смесительная арматура (на рис. 8 показан смеситель общий для умывальника и ванны с душевой сеткой и поворотным изливом).
10 - циркуляционный стояк Т4 горячего водопровода. В его основании тоже устанавливают запорный вентиль.
11 - отводящая сеть циркуляционных трубопроводов Т4 горячего водопровода.
12 - водомер на циркуляционной трубе горячего водопровода Т4 у теплового узла.






