ГРП и ГРУ служат для дополнительной очистки газа от механических примесей, снижения давления и поддержание его на заданном уровне независимо от изменения расхода. Схемы их практически одинаковы, см. рис. 6.8.
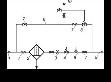
Рис. 6.8. Схема газорегуляторного пункта с одной регулирующей ниткой:
1 – газопровод, подводящий газ к ГРП; 2 – фильтр; 3 – расходомер; 4 – предохранительно-отключающий клапан; 5 – регулятор давления; 6 – обводная линия газа; 7 – запорно-отключающее устройство; 8 – предохранительно-сбросный клапан; 9 – газопровод, отводящий газ от ГРП; 10 – продувочная газовая свеча
Различают ГРП высокого (на входе 0,3-1,2 МПа) и среднего (до 0,3 МПа) давления. Центральные ГРП обслуживают группу потребителей. Они обычно размещаются в отдельных зданиях или шкафах на несгораемых опорах, но могут размещаться в пристройках. Объектовые ГРП обслуживают объекты одного потребителя. Газорегуляторные установки (ГРУ) обслуживают только одного потребителя (котел, печь и т.п.), размещаются в помещениях и монтируются непосредственно у объекта.
Давление газа на выходе ГРП поддерживается регулятором давления, а при его отказе – с помощью ручного управления запорно-отключающим устройством на обводной линии. При повышении давления за ГРП выше допустимого срабатывает предохранительно-сбросный клапан, а при необходимости – и предохранительно-отключающий запорный клапан.






