



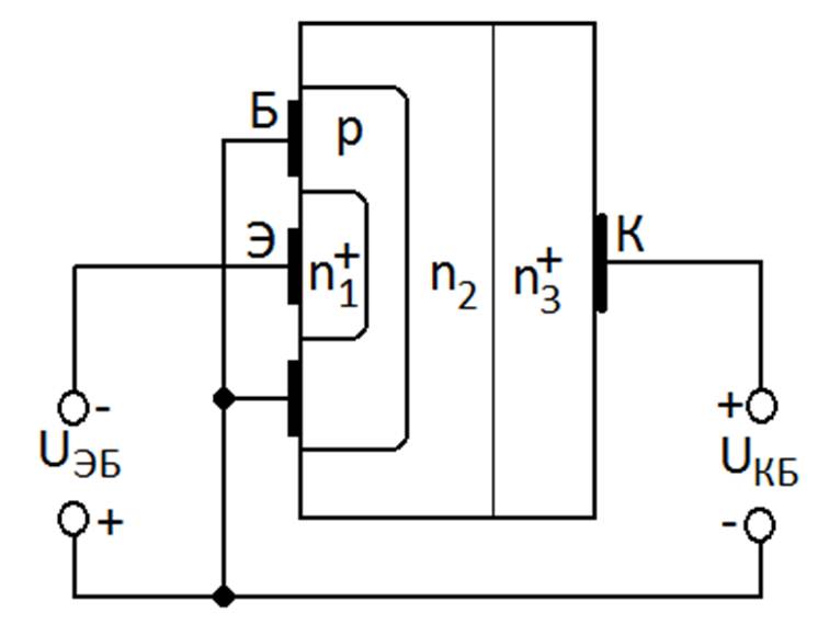
| Режим | Состояние эмиттерного перехода | Состояние коллекторного перехода |
| Нормальный активный (НАР) | открыт | закрыт |
| Двусторонней инжекции (насыщения)(РН) | открыт | открыт |
| Отсечки (РО) | закрыт | закрыт |
| Инверсный (ИР) | закрыт | открыт |

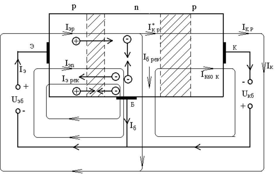
UЭБ = -UБЭ
UКБ = UКЭ + UЭБ
UКБ = UКЭ - UБЭ
UКБ = -UБК
UЭБ = UЭК + UКБ
UЭБ = UЭК - UБК






