Червяк.

Чаще всего применяется Архимедов червяк, который в осевом сечении представляет трапецию, а в сечении перпендикулярном оси – спираль Архимеда.

- делительный диаметр.
- коэффициент диаметра червяка.
- диаметр вершин.
- диаметр впадин.
- число заходов червяка.
- ширина нарезанной части червяка.
- стандартизованы.
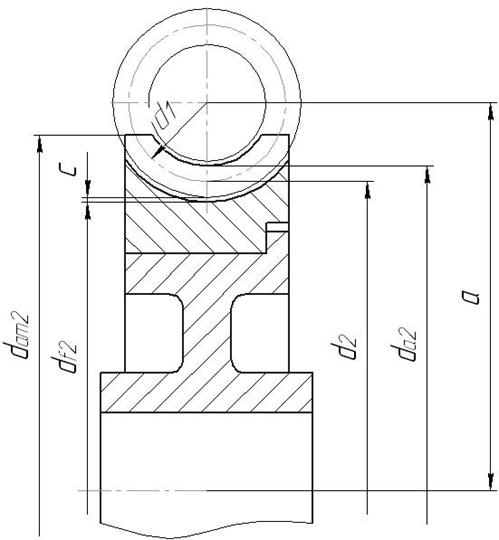
Червячное колесо.
- диаметр делительной окружности.
- диаметр окружности вершин.

- диаметр окружности впадин.
- межосевое расстояние.

при
,
при
.
- наибольший диаметр червячного колеса.
В тех случаях, когда требуется вписаться в заданное межосевое расстояние, червячную передачу выполняют корригированной (вводится коэффициент смещения х). Тогда геометрические параметры червячного колеса определяют по зависимостям:
- диаметр делительной окружности;
- диаметр окружности вершин;
- диаметр окружности впадин;
;
;
Коэффициент смещения выбирается из интервала
.






