Волновые передачи

Волновыми называют механические передачи, включающие контактирующие между собой гибкое и жёсткое звенья и обеспечивающие передачу и преобразование движения при циклическом деформировании гибкого звена.

В технике применяется несколько видов волновых передач:

1. винтовые волновые передачи, предназначенные для преобразо­вания вращательного движения в поступательное и/или для передачи этого движения в загерметезированное пространство;

2. фрикционные волновые передачи, предназначенные для преобра­зования (чаще всего сильного редуцирования) вращательного движения и/или для передачи этого движения в загерметезированное пространство, и

3. зубчатые волновые передачи, имеющие аналогичное фрикционным предназначение, но способные передавать существенно большие мощности.

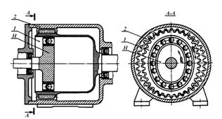
Рис. 16. Волновая зубчатая передача

Волновой механизм вращательного движения при соответствующем исполнении может использоваться в качестве редуцирующей передачи, мультипликатора или дифференциального механизма.

Наиболее широкое распространение получили зубчатые волновые редукторы. Кинематически волновая передача может быть отнесена к группе планетарных передач, то есть волновую передачу следует рассматривать как планетарную, у которой одно из центральных колёс выполнено в форме гибкого зубчатого венца.

Гибкое колесо в волновой передаче в зависимости от конструкции генератора волн может нести одну, две, три и более волн деформации. Но, поскольку передаточное отношение волновой передачи не зависит от количества волн деформации на гибком колесе, а увеличение числа волн способствует росту изгибных напряжений в теле гибкого колеса, чаще всего используется симметричная двухволновая схема деформации гибкого колеса, позволяющая исключить возможность возникновения поперечных нагрузок на валах передачи.

В большинстве известных конструкций гибким является колесо с внешним зубчатым венцом, а жёсткое колесо снабжено внутренними зубьями (рис. 16). Такая волновая передача включает 3 основных звена: гибкое 1 и жёсткое 2 колёса и генератор волн H. Обычно бывает наиболее удобным конструктивно входной вал редуктора соединить с генератором волн, а выходной с гибким колесом, в этом варианте конструкция редуктора получается наиболее компактной и технологичной. Однако при передаче вращательного движения через герметичную стенку удобнее гибкое колесо сделать неподвижным, а выходной вал связать с жёстким колесом.

В недеформированном состоянии гибкое колесо волнового редуктора имеет диаметр и количество зубьев, меньшие по сравнению с жёстким колесом. При деформировании волновым генератором гибкое колесо удлиняется в направлении длинной оси кулачка генератора так, что его зубья входят в контакт с зубьями жёсткого колеса, вместе с тем вдоль короткой оси кулачка генератора гибкое колесо сжимается, и его зубья в этом направлении не могут взаимодействовать с зубьями жёсткого колеса. При вращении кулачка генератора волн последние пробегают по окружности зубчатого венца гибкого колеса, заставляя тем самым часть зубьев то входить в зацепление с зубьями жёсткого колеса, то выходить из него.

Разность в числах зубьев жесткого и гибкого колёс с целью исключения интерференции зубьев должна быть пропорциональна числу волн волнового генератора.

КПД волновых передач относительно высок и также как в планетарных передачах падает с увеличением передаточного числа, а с увеличением нагрузки вначале растёт до максимально возможной величины, а потом, при дальнейшем возрастании нагрузки, начинает резко снижаться. При оптимальной нагрузке в пределах передаточного числа 80-250 коэффициент полезного действия 0,9-0,8.

Достоинства волновых передач:

1. большое передаточное число (до 320, а в некоторых случаях и более);

2. большое число зубьев, одновременно находящихся в зацеплении (обычно от 40 до 80%) и, как следствие этого, большая нагрузочная способность – масса волнового редуктора меньше массы планетарного той же мощности, а объём может составлять около 30% от объёма последнего;

3.высокая кинематическая точность вследствие многозонности и многопарности зацепления, кинематическая погрешность передачи в некоторых случаях не превышает 0,5 мин;

4. высокий КПД, при больших передаточных числах превышающий КПД планетарных передач;

5. отсутствие поперечных нагрузок на валах вследствие симметричности конструкции;

6. возможность передачи движения в герметизированное пространство;

7. низкий уровень шума;

8. возможность использования в качестве дифференциального механизма;

9. малое число деталей и относительно низкая стоимость;

10. высокая технологичность изготовления.

Недостатки волновых передач:

1. невозможность получения низких значений передаточных чисел (для стальных гибких колёс umin= 80);

2.необходимость специального инструмента и оснастки для изгото­вления гибкого колеса, что затрудняет индивидуальное производство и ре­монт передач;

3. относительно низкий срок службы (срок службы стандартных волновых редукторов составляет около 104 часов – чуть больше года непрерывной работы).





Подборка статей по вашей теме: