По требованию Регистра система возбуждения машин ГЭУ должна получать питание не менее, чем от двух преобразователей (возбудителей). Во всех электроходах морского флота возбудители генераторов и гребных двигателей имеют приводные электродвигатели, как правило, асинхронные с короткозамкнутыми роторами.
В случае работы гребного винта с частыми и большими перегрузками, надежная работа обеспечивается, если ГЭД обладает «экскаваторной» характеристикой, показанной на рисунке 5.2.

Рис.5.2. Идеальная «экскаваторная» характеристика
В режиме от малой нагрузки на валу до номинальной нагрузки ГЭД работает на жесткой части характеристики, а при перегрузке частота вращения резко падает, а винт сохраняет максимальный момент даже при заклинивании. Подобную механическую характеристику обеспечивает схема Г – Д с трехобмоточным возбудителем, которая показана на рисунке 5.3.

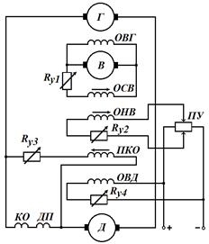
Рис.5.3. Принципиальная схема ГЭУ с трехобмоточным возбудителем
На полюсах возбудителя установлены катушки трех обмоток возбуждения: ОНВ – обмотка независимого возбуждения, ОСВ – обмотка самовозбуждения, ПКО – противокомпаундная обмотка. ОНВ питается от потенциометра поста управления ПУ.
На потенциометре напряжение и ток можно изменять от отрицательного (-) до положительного (+). При изменении направления тока в обмотке ОНВ изменяется полярность напряжения генератора и, соответственно, происходит реверс гребного винта. Для регулировки м.д.с. в обмотке ОНВ применяется резистор Rу2.