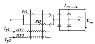
Магнитные усилители с внутренней обратной связью часто применяются в системах возбуждения и управления. Один из вариантов схемы простейшего однофазного магнитного усилителя (МУ) показан на рисунке 5.6.

Рис.5.6. Схема однофазного магнитного усилителя
Такой МУ включает рабочие обмотки РО и обмотки управления ОУ1 и ОУ2. МУ с внутренней обратной связью в каждый полупериод задерживает прохождение фазного тока на некоторый угол α=ωt. Эта задержка создается и регулируется током управления I у, который подмагничивает сердечники. Зависимость выпрямленного тока магнитного усилителя I МУ от тока управления имеет вид, показанный на рисунке 5.7.

Рис.5.7. Зависимость тока магнитного усилителя от тока управления
Трехфазные МУ имеют утроенное число рабочих обмоток и соответствующий выпрямитель. Изменяя угол α при помощи МУ можно изменять выходное напряжение U МУ, так как при работе на постоянное сопротивление UМУ ~ IМУ.
Магнитные усилители обладают высокой надежностью, но имеют массу и габариты, большие, чем тиристорные возбудители. Реверсивные МУ как правило не используются в качестве возбудителей, так как из-за необходимости применения балластных сопротивлений их КПД не превышает 50%.






