Требования к конструированию стальных цилиндрических аппаратов
Для стальных цилиндрических аппаратов, корпусы (обечайки) которых
выполняются из листового проката, за базовый принимается внутренний диаметр, выбираемый из ряда, определяемого стандартом (ГОСТ 9617-76).
Для стальных аппаратов, корпусы которых выполняются из готовых
труб, за базовый принимается наружный диаметр, выбираемый из ряда, определяемого стандартом (ГОСТ 9617-76).
Конструкция аппарата должна предусматривать возможность внутреннего осмотра, очистки, промывки и продувки. Внутренние устройства, препятствующие осмотру, должны быть съемными. Рубашки допускается выполнять приварными. Аппараты должны иметь люки-лазы для внутреннего осмотра, расположенные в удобных для обслуживания местах.
При наличии у аппарата съемных крышек или днищ и фланцевых штуцеров, обеспечивающих возможность внутреннего осмотра, лазы и люки в аппаратах не обязательны. Кожухотрубчатые теплообменники (за исключением испарителей с паровым пространством), а также аппараты с рубашкой для криогенных жидкостей допускается выполнять без лазов.
|
|
|
Для возможности проведения гидроиспытаний аппарат должен иметь
штуцера для наполнения и слива воды, а также для поступления и удаления
воздуха (можно использовать технологические).
На вертикальных аппаратах эти штуцера должны быть расположены с учетом возможности гидроиспытаний в горизонтальном положении.
Для подъема и установки аппарата на нем требуется предусмотреть
строповые устройства. Допускается для этих целей использовать имеющиеся
на аппарате элементы (горловины, штуцера, уступы и др.), если прочность их
при этом не вызывает сомнений, что должно быть проверено расчетом.
Специфические условия работы химического оборудования, характеризуемые широким диапазоном давлений (от вакуума до давлений 250 МПа и выше), большим интервалом температур при агрессивном воздействии среды, предъявляют высокие требования к выбору конструкционных материалов. Так, наряду с требованиями высокой коррозионной стойкости в заданных агрессивных средах, к конструкционным материалам одновременно предъявляют требования высокой механической прочности, жаростойкости и жаропрочности, сохранения пластических свойств при высоких и низких температурах, циклической прочности, малой склонности к старению и др.
Целью механического расчета химического и нефтехимического оборудования является определение размеров отдельных элементов, обеспечивающих безопасную эксплуатацию машин и аппаратов за счет достаточной механической прочности, плотности разъемных соединений, устойчивости к сохранению формы и необходимой долговечности.
|
|
|
Необходимо определить основные размеры цилиндрического аппарата с рубашкой и эллиптическими крышками, если: в аппарате давление 0,8 МПа и температура 80 °С; в рубашке давление 1,2 МПа и температура 180 °С.
Весь аппарат изготовлен из стали 12Х18Н10Т.
Дано, что патрубки имеют следующие размеры:
1 и 2 – стандартный диаметр 108 мм; d у=100 мм; p у=1 МПа;
3 – стандартный диаметр 108 мм; d у=100 мм; p у=1,6 МПа;
4 – стандартный диаметр 57 мм; dу=50 мм; pу=1,6 МПа.

Рис. 1. Конструкция цилиндрического аппарата
Пример решения: В соответствии с ГОСТ 14249-80 нормативные допускаемые напряжения для стали 12Х18Н10Т при температурах, близких к расчетным, будут равны [s]100=160 МПа; [s]200=140 МПа; модуль упругости Е =1,98・105 МПа.
Примем, что аппарат изготовлен автоматической сваркой под слоем флюса, поэтому j=1. Коррозионная проницаемость применяемого материала менее 1 мм в год, поэтому прибавка на коррозию и эрозию составит 1 мм. Все размеры приведены на рис.1.
Определим толщину стенки корпуса аппарата под действием внутреннего давления 0,8 МПа.

Примем толщину стенки аппарата 4 мм.
Определим толщину стенки рубашки от действия внутреннего давления

Примем толщину стенки рубашки 7 мм.
Определим приближенную толщину стенки аппарата под действием наружного давления, приняв запас устойчивости 1,1

Примем большее значение толщины стенки аппарата 0,0056.
Определим допускаемое наружное давление

Примем меньшее значение величины 0,974. Тогда


Таким образом, приходится принять толщину стенки аппарата 7 мм. Определим толщину эллиптических днищ, находящихся под внутренним
давлением 0,8 МПа и при температуре 80 °С,

SD =0,001+0,001=0,002
Толщина днища должна быть не менее толщины стенки аппарата, рассчитанного на внутреннее избыточное давление, поэтому примем толщину днища 4 мм.
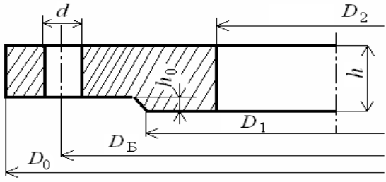
Подберем по стандарту фланцы к патрубкам в соответствии с конструкцией, показанной на рисунке 2.
Основные размеры фланцев сведем в табл. В
этой таблице Z – число болтов; d – диаметр болтового отверстия.
Диаметр болта принимается на 2 мм меньше диаметра отверстия.

Рис. 2 К выбору фланца
Таблица 1
Основные размеры подобранных фланцев к патрубкам
| Патрубок | D0 | Dб | D1 | D2 | H | h0 | d | Z |
| 1 и 2 | ||||||||