ОР-1 ОР-2
Рис. 1.1.

При нажатии на рычаг 12 толкатель 10 воздействует на втулку-нож 8, которая разрушает мембрану 7. Находящийся под давлением в корпусе 5 заряд огнетушителя по сифонной трубке 6, каналам 3 в рукоятке 2 подается к распылителю 1 (в огнетушителях типа ОР-2 - через резинотканевый рукав 13) и выбрасывается наружу. При отпускании рычага 12 втулка-нож 8 под действием пружины 4 "садится" верхним концом на уплотнение, и действие огнетушителя прекращается.
В случае повышения давления внутри корпуса огнетушителя до 2,85-3,15 МПа происходит разрыв мембраны 7, и заряд стравливается без нажатия на пусковой рычаг. При этом происходит полная разрядка огнетушителя. Заправка и контроль заряда огнетушителей производятся на специальных зарядных станциях.
ПЕННЫЕ ОГНЕТУШИТЕЛИ.
В зависимости от способа образования пены они подразделяются на химические и воздушно-механические.
Основное назначение химических пенных огнетушителей - ликвидация загораний и начинающихся пожаров жидких и твердых веществ. В связи с тем, что химическая пена электропроводна, тушение электроустановок, находящихся под напряжением, данными огнетушителями запрещено.
|
|
|
Огнетушители состоят из корпуса 1, кислотного стакана 2, предохранительной мембраны 4, спрыска 3, крышки 5, штока 7, рукоятки 8, пружины 9, горловины 6, клапана 10, боковой ручки 11, башмака 12. Кроме того, огнетушитель ОХВП-10 имеет дополнительно конфузор 15, корпус пенного насадка 16 с сеткой 14 и распылитель 13.
Для приведения огнетушителей в действие необходимо повернуть рукоятку 8 на 180°, перевернуть огнетушитель, встряхнув его для лучшего перемешивания кислотной и щелочной частей, и направить спрыском в сторону очага пожара.
Воздушно-пенные огнетушители предназначены для тушения загораний и начинающихся пожаров жидких и твердых веществ воздушно-механической пеной, образующейся в специальных устройствах - пеногенераторных насадках. Допускается применениеданных огнетушителей для тушения пожаров электроустановок, находящихся под напряжением до 380В. Различают два типа воздушно-пенных огнетушителей:
- ручные типа ОВПМ-8, ОВГГ-5, ВП-10;
- возимые типа ОВПМ-30, ОВП-100.
Принципиальное устройство всех ручных огнетушителей одинаково.
Устройство огнетушителя ОВПМ-8 показано на рис.1.3. Он состоит из стального цилиндрического корпуса-резервуара, крышки с баллоном 1 для рабочего газа (сжатый воздух), редукционного клапана 2. сифонной трубки 3 и пеногенераторной насадки 7.
Для приведения огнетушителя в действие необходимо направить насадку 7 на очаг пожара и поворотом маховика открыть запорный клапан баллона до отказа (1-2 оборота). При этом сжатый воздух из баллона через редукционный клапан поступает под дифференциальный поршень и через штуцер заполняет воздушное пространство резервуара. Одновременно сжатый воздух будет поступать в пространство над дифференциальным поршнем, при повышении давления в резервуаре до 0,6-0,8МПа дифференциальный поршень переместится вниз и прекратит подачу воздуха из баллона в резервуар.
|
|
|
С повышением давления в резервуаре рабочий раствор через сифонную трубку вытесняется из корпуса огнетушителя и поступает в камеру смешения 5 пеногенератора. Проходя через тангенциальные окна, раствор пенообразователя закручивается и через дозу камеры смешивания конусообразной струей входит в первый коллектор пеногенератора 6. Проходя через него, смесь эжектирует атмосферный воздух и более широкой струей входит во второй коллектор пеногенератора 7, где вновь эжектирует воздух и поступает на сетки раструба пеногенератора 4. На сетках смесь дробится на мелкие капли и образует воздушно-механическую пену с диаметром пузырьков до 7мм. В процессе работы огнетушителя давление в его корпусе все время поддерживается редукционным клапаном в пределах 0,6-0,8МПа.
Огнетушитель воздушно-пенный морской возимый ОВПМ-30 (рис.1.4), основные характеристики приведены в табл.3. Огнетушитель состоит из стального корпуса-резервуара 1, закрепленного на одноосной тележке 5 с ручкой 9; крышки, на которой закреплен воздушный рабочий баллон 2, сифонной трубки с гофрированным шлангом и отвесом 3, спускной пробки 4, тележки 5, пеногенератора 6, пистолетного пускового клапана 7, редуктора с предохранительным клапаном и запорным вентилем 8. Принцип действия огнетушителя аналогичен принципу действия огнетушителя ОВПМ-8.

Огнетушители воздушно-пенные ОВП-5 и ОВП-10 различаются только по массе и габаритам. Они состоят из стального цилиндрического корпуса 1, крышки 5, на которой закреплен баллон с рабочим газом 3 и запорно-пусковое устройство 6 с сифонной трубкой 2; напорной трубки 8, пеногенераторного насадка 9. Баллон для рабочего газа заполнен диоксидом углерода и закрыт мембраной 4. Выход из трубки 2 также закрыт защитной мембраной.
При нажатии на пусковой рычаг шток пробивает защитную мембрану баллона с рабочим газом, который через отверстие в штуцере выходит в корпус огнетушителя, вытесняя огнетушащее вещество в сифонную трубку. При достижении давления в корпусе 0,6-0,8МПа разрушается мембрана, закрывающая сифонную трубку, и огнетушащее вещество через напорную трубку подаётся в пенный насадок (пеногенератор). Насетке пеногенератора образуются пузырьки, заполненные диоксидом углерода, которые в виде пенной струи выходят из насадка.
Заправка огнетушителей ОВП-5 и ОВП-10 производится на специальных зарядных станциях. Контроль заряда производится не реже одного раза в год.
ПЕРЕНОСНЫЕ ПЕННЫЕ ГЕНЕРАТОРЫ.
Наиболее эффективным средством тушения пожаров твердых и жидких горючих материалов являются генераторы пены средней кратности. Принцип действия генераторов основан на эжекции пенообразователя и воздуха с последующим их смещением в специальных устройствах. Вода к генераторам подается от противопожарной водяной системы по пожарным выкидным рукавам.

Генератор УППС-100 предназначен для тушения пожаров твердых и жидких горючих материалов, кроме боезапаса и электроустановок, находящихся под напряжением. Генератор (рис.1.10) состоит из ранца 10, гибкого шланга 9, пенного ствола в сборе 4 и крепления 7. Ранец 10 сварной из листовой стали, на верхнем донышке которого имеется горловина 1 с крышкой 2 для заливки пенообразователя через сетку-фильтр. В крышке 2 имеется отверстие для выравнивания давления воздуха в ранце с атмосферным. На боковой стенке в нижней части ранца установлен проходной кран 6, к которому присоединен гибкий шланг 9 подачи пенообразователя к генератору 4. На верхней крышке ранца установлен кронштейн 3 крепления пеногенератора. Пеногенератор состоит из корпуса 14, запорного клапана 5 с ручкой 13, диффузора 8, турбинки 15, спрыска 12 и пенного ствола 11. К корпусу клапана крепится соединительная гайка с крышкой.
|
|
|

Принцип действия генератора. Вода из системы водяного пожаротушения по выкидному рукаву подается в корпус крана 14. При открытии клапана 5 она при движении с большой скоростью, создает в диффузоре 8 разрежение. Пенообразователь из ранца при открытом кране 6 через гибкий шланг поступает в область низкого давления диффузора, где смешивается с водой и поступает в турбинку 15. В турбинке раствор закручивается и через спрыск 12 в виде конического факела подается в пенный ствол 11, подсасывая через окна воздух. В пенном стволе раствор пенообразователя и воды, а также воздух попадают на сетки, где и образуется пена средней кратности.
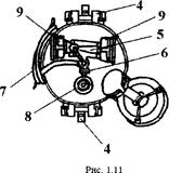
Генератор УППС-200 предназначен для тушения пожаров твердых и жидких горючих материалов, кроме боезапаса и электроустановок, находящихся под напряжением. Устройство генератора показано на рис.1.11. Он состоит из бака 1, смесителя 5, крана 6, гибкого шланга 7, пенного ствола 3 с креплением 2, крепления 10, ручек 4. На верхней части бака имеется горловина с крышкой 8 для заливки пенообразователя. Там же установлен смеситель 5 с гайками PC 9, трехходовой кран 6. соединенный со смесителем.
Принцип действия УППС-200. Вода поступает из системы пожаротушения к смесителю, где, проходя через насадок, создает разряжение и подсасывает пенообразователь. Во всасывающей камере смесителя обуется водный раствор пенообразователя, который по пожарному рукаву подается через запорный клапан в пеногенератор. Устройство пенного ствола не отличается от ствола УППС-100.
Рис.. Переносная пенная установка УППС-200: 1 - бак; 2 - ручка для переноски бака; 3 - гибкий шланг для забора пенообразователя из дополнительной емкости; 4 - гайка подсоединения рукава от противопожарной системы; 5 - эжектор; 6 - трехходовой кран; 7 - горловина для заливки пенообразователя; 8, 9-гайка подачи раствора пенообразователя; 10-клапан; 11 - пеногенератор.
|
|
|
Пенный ствол (рис.) состоит из: запорного клапана, смесителя, распылителя и ствола. Смеситель состоит из корпуса 3, клапана 5 с пружиной 6, нажимной втулки 7, ручки 17, диффузора 15 и насадка 8.
Ранец 10 сварной выполнен из листовой стали. На верхнем донышке ранца имеется горловина 1 с крышкой 2 для заливки пенообразователя через сетчатый фильтр 11. Крышка горловины имеет центральное отверстий для выравнивания давления воздуха в ранце с атмосферным. На боковое стенке в нижней части ранца установлен проходной кран 6, к котором} присоединен гибкий шланг 9. На передней стенке ранца находятся кольца, за которые крепятся заплечные ремни для переноски ранца. На боковой стенке ранца имеются кронштейн 3 и ремни с пряжкой для крепления пенного ствола.
Распылитель состоит из турбинки 14, поджимной втулки 10 и спрыска 12, смонтированных в передней части распылителя. На переднем конце диффузора 15 хомутиком 13 через разрезную втулку крепится пенный ствол 11. На заднем конце корпуса 3 крепится на резьбе через прокладку соединительная гайка 2 с крышкой 1. На корпусе клапана и диффузора имеются гнезда с резьбой, заглушённые пробками 9 и предназначенные для крепления манометров при испытании генератора.
Рис.. УТШС-100. Пенный ствол в сборе: 1,9 - заглушка (крышки); 2 - гайка PC; 3 - корпус клапана; 4 - гайка; 5 - клапан; 6 - пружина; 7 - втулка, 8 - насадок; 10 - втулка; 11 - пенный ствол; 12 - спрыск; 13 - хомутик; 14 - турбинка; 15 - диффузор; 16 - ось; 17 - ручка; 18 - резиновое кольцо.
Принцип действия генератора основан на эжекции пенообразователя и воздуха. Вода поступает по пожарному рукаву к смесителю, попадает в насадок 8, откуда выходит с большой скоростью, создавая во всасывающей камере диффузора 15 разряжение. Вследствие разряжения в диффузоре пенообразователь, находящийся под атмосферным давлением, поступает по шлангу в диффузор, где смешивается с водой и в виде водного раствора поступает в распылитель. Проходя через пазы турбинки 14, раствор приобретает вращательное движение и через спрыск 12 в виде конического распыленного факела поступает в пенный ствол 11, увлекая (подсасывая) за собой воздух. На сетке пенного ствола при взаимодействии водного раствора пенообразователя с воздухом происходит образование воздушно-механической пены, которая давлением воды выбрасывается из ствола на очаг пожара.
Для приведения генератора в действие необходимо:
- отсоединить пенный ствол от ранца;
- подсоединить к пенному стволу пожарный рукав;
- надеть ранец за спину;
- открыть кран на ранце;
- дать воду в пожарный рукав;
- -удерживая генератор обеими руками за специальные ручки, нажать ручку клапана пенного ствола и направить пенную струю на очаг пожара.
УГЛЕКИСЛОТНЫЕ ОГНЕТУШИТЕЛИ.
Предназначены для тушения электрооборудования под напряжением до 1140В, а также ДВС, топливных и гидросистем транспортных средств (где необходимо интенсивное охлаждение). Огнетушитель представляет собой баллон (резервуар), где в качестве огнетушащего вещества используется жидкая углекислота, находящаяся в корпусе под давлением до 5,7МПа. При использовании огнетушителя на выходе из раструба-насадки при резком снижении давления жидкая углекислота превращается в газ, увеличиваясь в объеме в 450 раз. При этом вместе с газообразным СО2 вылетают хлопья в виде снега - твердая ваза диоксида углерода, которые потом тоже испаряются. Огнетушители выполняются ручными, транспортируемыми и стационарными.

Наибольшее распространение получили ручные углекислотные огнетушители типа ОУ-2, ОУ-5, ОУ-8 (рис.1.6,а,б,в). Они состоят из стального баллона 1, в горловину которого на конусной резьбе ввернуто запорно-пусковое устройство (ЗПУ) с сифонной трубкой 5. раструба - "снегообразователя" 4. У огнетушителей ОУ-2 и ОУ-5 раструб непосредственно присоединен к корпусу ЗПУ шарнирно, а у ОУ-8 - с помощью гибкого резинотканевого рукава 6 высокого давления. Для переноски огнетушителей на горловине или корпусе баллона с помощью хомута закреплена рукоятка 2.
Огнетушитель ОУ (рис.1.6г) предназначен для установки на транспортных средствах и отличается от других типов тем, что его корпус 1 армирован стальной оплеткой для зашиты от осколков при разрыве баллона. Внутри корпуса находится сифонная трубка 5, через которую жидкая углекислота подается в раструб 3. Затвор ЗПУ огнетушителя пистолетного типа. Рис. 1.6
ПОРОШКОВЫЕ ОГНЕТУШИТЕЛИ.
Предназначены для тушения пожаров всех видов веществ, в том числе и электроустановок под напряжением до 1140 В. Запрещено их применение для тушения взрывчатых веществ и веществ, способных гореть без доступа кислорода воздуха. По конструктивному исполнению и особенностям применения порошковые огнетушители разделяются на три типа:
- ручные (переносные) ОП-1, ОП-2, ОП-2В, ОП-5, ШП-8,ОП-10.
Ручные (переносные) порошковые огнетушители состоят из стального цилиндрического корпуса (корпуса ОП-1 и ОП-2 изготовлены из полиэтилена), запорно-пускового устройства (головки), сифонной трубки и баллона, для рабочего газа, причем ОП-1 «Турист-2» и ОП-2В - огнетушители закачного типа, и баллона для рабочего газа не имеют.
Общий вид и разрез порошкового огнетушителя типа ОП-1 и ОП-2 представлен на рис.1.7. Принцип действия этих огнетушителей заключается в том, что при ударе (нажатии) по головке бойка прокалывается мембрана баллончика с рабочим газом, под действием давления которого порошок выбрасывается наружу через насадок.
На судах принят на вооружение огнетушитель самосрабатывающий порошковый ОСП. Он представляет собой герметичный стеклянный сосуд и заполняется огнетушащим порошком массой 1кг. Огнетушитель устанавливается в металлический держатель над местом возможного возгорания и срабатывает при температуре 100 или 200°С. Импульсный выброс огнетушащего порошка в защищаемый объем (до 8м3) приводит к высокоэффективномутушению. Область применения: электрические,складские, бытовые помещения, кабельные туннели, небольшие хранилища ЛВЖ и ГСМ, отдельные технологические установки.
К достоинствам ОСП можно отнести следующее: тушение пожара без участия человека; простота монтажа; срок службы не менее 5 лет; диапазон эксплуатационных температур от -50 до +50°С.






