ФОРМИРОВАНИЕ МАНИПУЛИРОВАННЫХ СИГНАЛОВ
Любая манипуляция (дискретная модуляция) несущей является частным случаем аналоговой модуляции, поэтому все способы и схемы получения аналоговых видов модуляции полностью пригодны и для формирования манипулированных сигналов, если последовательность стандартных элементов дискретного первичного сигнала ui(t) используется в качестве модулирующей функции. Если ui(t) – двоичный сигнал, то он может принимать два значения: (-U0, +U0) – двухполярный сигнал и (0, +U0) – однополярный сигнал. В аналоговых модуляторах следует применять двухполярную модулирующую функцию.
Исходя из дискретного характера модулирующей функции и модулированного сигнала, можно осуществить дискретные виды модуляции с лучшим качеством принципиально другим способом: сформировать специальными устройствами (например автогенераторами G1, …, Gm) дискретные сигналы s1(t), …, sm(t) и далее коммутировать их управляемыми ключами в соответствии с последовательностью дискретных элементов ui(t) (рисунок 19.1).
|
|
|

Рисунок 19.1 – Структурная схема устройства для получения дискретно-модулированных сигналов.
Ключевые схемы формирования манипулированных сигналов в настоящее время являются основными, так как позволяют получать с высокой точностью дискретные сигналы s i(t) с заранее заданными параметрами и свойствами. В качестве ключей применяются диоды, транзисторы, специальные микросхемы. Основное требование к ключам – неискажённая передача s i(t) со входа на выход и отсутствие прохождения управляющего сигнала ui(t) на выход, т.е. схема ключа должна быть балансной для ui(t). Как ключи в настоящее время широко используются двойные балансные (кольцевые) модуляторы.
19.2 Формирование ОФМ
Для получения ОФМ можно применить любую схему формирования ФМн. Однако перед фазовым модулятором в цепь модулирующей дискретной функции включается специальное перекодирующее устройство, обеспечивающее требуемое правило формирования ОФМ: изменение фазы несущей частоты происходит только при подаче единичных элементов дискретной последовательности. Это перекодирующее устройство называют относительным кодером.
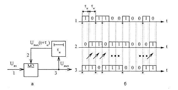
Функциональная схема относительного кодера для однополярной дискретной последовательности показана на рисунке 19.2, а. Кодер содержит два блока: сумматор по модулю два М2 и линию задержки на длительность дискретного элемента сигнала
. Работу схемы можно проследить по графикам рисунка 19.2, б, где цифрами отмечена форма сигналов в различных точках схемы. На вход 1 поступает последовательность дискретных однополярных сигналов, которые обозначены как 0 и 1.
|
|
|
Суммируя дискретные сигналы на входе 1 и выходе линии задержки 2, получаем выходной сигнал 3. Наклонными стрелками на графиках показана задержка выходного сигнала 3 на время
для получения сигнала 2.
Легко проследить, что если выходной сигнал относительного кодера 3 подать на фазовый модулятор, то фаза несущей частоты на его выходе будет меняться согласно правилу ОФМ. Заметим, что при ФМн фаза несущей меняется при переходе модулирующей функции от 0 к 1 и обратном переходе. На временной диаграмме звёздочкой отмечены моменты времени, где должна меняться фаза при ОФМ (график 1) и где она меняется, если на ФМ подать управляющий сигнал с выхода относительного декодера (график 3). Они совпадают.
При подаче сигнала с относительного кодера на фазовый модулятор необходимо учитывать, какой модулирующий сигнал (однополярный или двухполярный), требуется для ФМ. В необходимых случаях ставится согласующее устройство.

Рисунок 19.2 – Относительный кодер:
а) функциональная схема;
б) временные диаграммы, поясняющие работу.






