РАСЧЕТЫ ПОГРЕШНОСТЕЙ МЕХАНИЧЕСКОЙ ОБРАБОТКИ


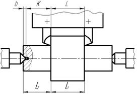
Рассмотрим схему, представленную на рисунке. Передний центр – жёсткий. Торцовые поверхности обрабатываются двумя резцами, причём К = const, L = const.
В этом случае погрешность базирования не окажет влияния на точность размера l1, но будет влиять на точность размера l2, отсчитываемого от левого торца валика, который служит измерительной базой для данного размера. Здесь l2 может изменяться в связи с погрешностью зацентровки, обусловленной неодинаковой глубиной сверления.
Погрешность базирования для размера l2 определяется разностью предельных значений размера b, т.е. (bmaх – bmin) от торца заготовки до вершины центра
![]() | |||
![]() | |||
вычислив (bmaх – bmin), а также преобразовав соотношение, получим
![]() |
TD - допуск на диаметр конической части центрового отверстия









