Операционный усилитель (ОУ) – это высококачественный усилитель, предназначенный для усиления как постоянных, так и переменных сигналов. Вначале такие усилители использовались в аналоговых вычислительных устройствах для выполнения математических операций (сложения, вычитания и т. д.). Это объясняет происхождение термина «операционный».
В настоящее время операционные усилители широко используются в виде полупроводниковых интегральных схем. Эти схемы содержат большое число (десятки) элементов (транзисторов, диодов и т. д.), но по размерам и стоимости приближаются к отдельным транзисторам. Операционные усилители удобно использовать для решения самых различных задач преобразования и генерирования маломощных сигналов, поэтому эти усилители очень широко применяются на практике.
Рассмотрим наиболее широко используемые разновидности операционных усилителей, для питания которых применяются два источника напряжения (обычно +15 В и –15 В). По-другому это называется питанием от источника с нулевым выводом или от расщепленного источника.
Условное графическое обозначение операционного усилителя показано на рис. 7.1.

Рис. 7.1. Графическое обозначение операционного усилителя
Обозначение общего вывода «0V» расшифровывается как «ноль вольт». Для пояснения назначения выводов на рис. 7.2 приведена типовая схема на операционном усилителе – схема инвертирующего усилителя.

Рис. 7.2. Инвертирующий усилитель на основе операционного усилителя
Если входное напряжение uвх достаточно мало по модулю, то выходное напряжение uвых определяется выражением
.
Часто на схемах выводы + U, – U и 0V не указывают (но подразумевают) и используют упрощенное условное графическое обозначение (рис. 7.3). При этом приведенная на рис. 7.2 типичная схема приобретает упрощенный вид (рис. 7.4).

Рис. 7.3 Рис. 7.4
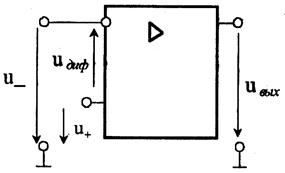
Обозначим напряжения на выводах операционного усилителя (рис. 7.5).

Рис. 7.5
Напряжение uдиф между инвертирующим и неинвертирующим входами называют дифференциальным напряжением (дифференциальным сигналом). Ясно, что
. Операционные усилители конструируют таким образом, чтобы они как можно больше изменяли напряжение uвых при изменении дифференциального сигнала (т. е. разности
) и как можно меньше изменяли напряжение uвых при одинаковом изменении напряжений
и
.
Пусть uдиф =0. Обозначим синфазное напряжение (синфазный сигнал)
. Операционные усилители конструируют таким образом, чтобы влияние синфазного сигнала на выходное напряжение было как можно меньше.
Передаточная характеристика. Операционный усилитель хорошо характеризует его передаточная характеристика – зависимость вида
,
где f – некоторая функция.
График этой зависимости для операционного усилителя К140УД1Б приведен на рис. 7.6. Эта конкретная характеристика не проходит через начало координат. Значение напряжения uдиф, при котором выполняется условие uвых =0, называют напряжением смещения нуля и обозначают через Uсм. Для операционного усилителя типа К140УД1 известно, что напряжение Uсм лежит в диапазоне от –10 мВ до + 10 мВ. А это означает, что при нулевом напряжении uдиф напряжение uвых может лежать в пределах от минимально возможного (около –7 В) до максимально возможного (около +10 В).

Рис. 7.6. Передаточная характеристика операционного
усилителя К140УД1Б
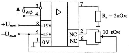
Для того, чтобы при нулевом сигнале на входе напряжение на выходе было равно нулю, т. е. для того, чтобы передаточная характеристика проходила через начало координат, предусматривают меры по компенсации напряжения смещения (балансировка, коррекция нуля, настройка нуля). В некоторых операционных усилителях для компенсации напряжения смещения предусмотрены специальные выводы. Типовая схема включения операционного усилителя типа К140УД8А, в котором предусмотрены такие выводы, представлена на рис. 7.7.

Рис. 7.7. Схема включения операционного усилителя К140УД8А
Через NC обозначены специальные выводы для балансировки. Цифрами обозначены номера выводов.
Диапазон выходного напряжения, соответствующий почти вертикальному участку передаточной характеристики, называется областью усиления. Соответствующий этому диапазону режим работы называют режимом усиления (линейным, активным режимом). В линейном режиме
,
где К – коэффициент усиления по напряжению (коэффициент усиления напряжения, коэффициент усиления дифференциального сигнала).
Обычно величина К лежит в пределах 104…105. Например, для операционного усилителя типа К140УД1Б К =1350…12000, для операционного усилителя К140УД14А К не менее 50000.
Диапазоны выходного напряжения вне области усиления называются областями насыщения. Соответствующий этим областям режим называют режимом насыщения.
Реальные электронные устройства на основе операционных усилителей практически всегда имеют коэффициент усиления значительно меньше К, так как в них используется отрицательная обратная связь (рис. 7.2).