Схема повторителя (рис. 10.4) легко может быть получена из схемы неинвертирующего усилителя при R1 →
, R2 → 0. Здесь предполагается, что операционный усилитель работает в режиме усиления (uдиф
0). Используя второй закон Кирхгофа, получаем uвых = uвх.

Рис. 10.4. Повторитель напряжения на основе ОУ
Сумматор напряжения (инвертирующий сумматор)
Рассмотрим схему сумматора, приведенную на рис. 10.5.

Рис. 10.5. Сумматор напряжения (инвертирующий сумматор)
Предположим, что операционный усилитель работает в режиме усиления, тогда uдиф
0. Учитывая, что i– = i+ = 0, получим
. При uдиф
0 получим uRj = uвхj, j = 1,…, n; uRос = uвых. На основании этих выражений после несложных преобразований получаем
.
Для уменьшения влияния входных токов ОУ в цепь неинвертирующего входа включают резистор с сопротивлением
Rэ = R1 // R2 //… // Rn // Rос .
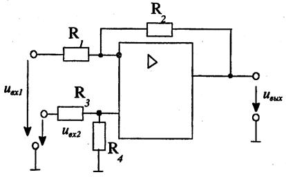
Вычитающий усилитель (усилитель с дифференциальным входом)
В вычитающем усилителе (рис. 10.6) один входной сигнал подается на инвертирующий вход, а второй – на неинвертирующий.

Рис. 10.6. Вычислительный усилитель с дифференциальным входом
Предположим, что ОУ работает в линейном режиме. Тогда все устройство можно считать линейным и для анализа принцип суперпозиции (наложения).
Если uвх2 = 0, тогда соответствующее выходное напряжение u'вых будет определяться выражением, соответствующим инвертирующему усилителю:
.
Если uвх1 = 0, определим напряжение на выходе u''вых. Для оценки воздействия напряжения uвх2 целесообразно на основе теоремы об эквивалентном генераторе преобразование цепи, подключенной к неинвертирующему входу (рис. 10.7).
Как следует из теоремы,
,
.

Рис. 10.7
В соответствии с принципом суперпозиции, общее напряжение на выходе uвых определяется из выражения
,
при R1 = R2 = R3 = R4
.