Классификация МС
![]() |


|
|
|
![]() | ![]() | ||
по технологическому назначению

по транспортному назначению
![]() |
по типу исполнительного механизма
![]() | |||||
|
|
Назначение МС определяется габаритами и массой изделия, конфигурацией и пространственным положением сварных швов:
- МИЗ-МС изделия применяются при сварке в основном поворотных стыков и на трубосварочных станах (роликоопоры, манипуляторы);
- МИН-МС сварочного инструмента. Данной системой оснащаются св.установки для сварки либо неповоротных стыков (орбитальные св.головки), либо при сварке крупногабаритных изделий (ЭШС) – многокоординатные суппорты.
Комбинированные системы. В настоящее время получили наибольшее распространение, т.к. позволяют осуществлять рациональную компоновку МС св. установки путем разделения функций. Так, при приварке фланца к донышку обечайки основные, вспомогательные и наладочные перемещения выполняет МИЗ (манипулятор), а наладочные и корректировочные – МИС (колонна с консолью и св.головка, оснащенная двухкоординатным суппортом).
|
|
|
Технологические МС предназначены для перемещения сварочного инструмента относительно изделия в пределах рабочей зоны установки во время всего цикла сварки. По назначению технологические МС делятся на 4 группы:
- основные – перемещения звеньев, выполняемые в процессе сварки и обеспечивающие движение рабочей точки, т.е. точки пересечение оси сварочного инструмента с поверхностью изделия в ее расчетном положении, вдоль расчетной линии соединения свариваемых элементов;
- вспомогательные – перемещения сварочного инструмента относительно изделия из исходного положения в точку в начале сварки, из конечной точки сварки в исходное положение, а также перемещения рабочей точки по изделию между отдельными отрезками шва, точками сварки, проходами, различными швами (переходами). При выполнении вспомогательных движений сварка не производится;
- корректировочные – перемещения, необходимые для компенсации случайных отклонений линии или точек соединения свариваемых элементов от их расчетного положения, заданного в той или иной форме программой основных перемещений. Корректировочные перемещения, совмещенные по времени с основными называют следящими, а совмещенные по времени с вспомогательными или выполняемыми в отдельное время – поисковыми;
- наладочные – перемещения, связанные с необходимостью перенастройки оборудования на другой типоразмер изделия, а также перемещения, компенсирующие неточность изготовления или износ сварочного инструмента. Наладочные перемещения выполняются с помощью простейших регулировочных устройств или механизмов с ручным приводом.
|
|
|
По транспортному назначению МС делятся в зависимости от их роли в формировании траектории и значений координат конечных звеньев МС.
- переносные (региональные) – перемещения, необходимые для переноса раб. точки по изделию в пределах всего рабочего пространства и которые реализуются с помощью как прямолинейных, так и круговых движений;
- ориентирующие (локальные) – перемещения, необходимые для обеспечения заданной взаимной ориентации сварочного инструмента и изделия в данной точке рабочего пространства; реализуется только круговыми движениями.
Тип исполнительного механизма зависит от задач, решаемых на сварочном оборудовании:
- горизонтальное перемещение и обычные условия работы – исполнительный механизм выполнен в виде колес или роликов – фрикционная связь за счет веса сварочного автомата;
- вертикальное перемещение - осуществляется посредством винтовой пары (при небольшой высоте подъема) или зубчатой –реечной передачей (ЭШС);
- высокая равномерность перемещения предполагает зубчато-реечную или винтовую передачу, предусматривающую жесткую кинематическую связь между направляющими и подвижной частью.
Оснащение установок системами ЧПУ однозначно определяет использование МС с жесткими кинематическими связями.
Такая связь относительно проста, силовая часть ее мало изнашивается. Передача винт-гайка, кроме того, позволяет повысить жесткость механизма и уменьшить люфты, накопленные в предыдущих передачах. Однако, все винтовые передачи в сварочных установках требуют защиты от воздействия вредной среды специальными кожухами.
СПОСОБ ОБОЗНАЧЕНИЯ КОМПОНОВОК МС.
Рассматриваемые МС характеризуются:
- количеством последовательно соединенных звеньев и, следовательно, количеством кинематических пар;
- видом движения звеньев: поступательного прямолинейного или вращательного движения;
- последовательностью расположения различных видов пар;
- положением в пространстве осей кинематических пар.
Под осью кинематической пары (осью движения звена) подразумевают:
- для пар поступательного движения – направление перемещения;
- для пар вращательного движения - ось, вокруг которой происходит вращение.
Каждый из манипуляторов МС представляет собой открытую (разомкнутую) кинематическую цепь, т.е. такую, у которой звенья входят только в одну кинематическую пару, причем одно крайнее звено неподвижно (базовое звено), а последнее несет изделие или инструмент.
Символы для обозначения звеньев по виду движения:
П – звено, совершающее поступательное движение;
К – звено, совершающее вращательное (круговое) движение;
О – звено, не совершающее движение (основание).
Символы для обозначения звеньев по ориентации осей, вдоль или вокруг которых происходит движение данного звена:
I/ для звеньев, перемещающихся относительно осей, которые при работе МС не меняют своего положения в пространстве по отношении к вертикали или горизонтали;
В – звено, совершающее движение относительно верт.оси;
Г – то же, относительно горизонтальной оси;
Н – то же, относительно наклонной оси, с указанием угла наклона между осью и горизонтальной осью плоскости, где a - угол наклона.
ТЕМА 7: СТРУКТУРНАЯ СХЕМА СВАРОЧНЫХ АППАРАТОВ
7.1 Общие сведения
В настоящее время в качестве источников питания сварочной дуги постоянным током применяются сварочные выпрямители и вращающиеся электромащинные преобразователи и агрегаты.
Сварочные однопостовые выпрямители — это статические преобразователи энергии трехфазной сети переменного тока в энергию выпрямленного тока, используемую для дуговой сварки. Они используются для питания дуги при ручной дуговой сварке штучными электродами, при механизированной сварке под флюсом и при сварке плавящимся электродом в среде углекислого газа.
|
|
|
Первые промышленные сварочные выпрямители с полупроводниковыми вентилями появились за рубежом в конце 30-х годов. Разработкой сварочных выпрямителей в СССР стали заниматься позже, что объясняется отсутствием в то время вентилей отечественного производства со свойствами, удовлетворяющими условиям работы в установках для дуговой сварки. В дальнейшем быстрое развитие производства полупроводников и, как следствие, снижение их стоимости создали возможности для увеличения выпуска сварочных выпрямителей. В настоящее время в СССР сварочаыелшпря-мители разработаны для всех основных способов дуговой сварки, включая сварку в среде защитного газа, при пониженном давлении среды, сварку сжатой и импульсной дугами.
7.2 Структурные блок-схемы
Типовая структурная блок-схема сварочного выпрямителя с падающими и жесткими внешними характеристиками для сварки плавящимся электродом приведена на рис. 3.1, а.


Рис. 3.1. Сварочный выпрямитель с падающими и жесткими внешними характеристиками:
а — типовая функциональная блок-схема; Т — силовой трехфазный понижающий трансформатор, РТ — регулятор тока, РН— регулятор напряжения, V — силовой выпрямительный блок, L — линейный дроссель; б — кривые изменения сварочного тока во времени при возбуждении дуги; / — без дросселя, 2 — с дросселем
Трансформатор Т предназначен для преобразования энергии, получаемой от силовой сети, в энергию, необходимую для процесса сварки. Кроме того, с помощью этого трансформатора осуществляется согласование величин напряжений сети с выходным напряжением. Обмотки трансформатора обладают малыми индуктивными сопротивлениями; внешняя характеристика трансформатора жесткая.
|
|
|
Регуляторы РТ (или РН) предназначены для формирования падающей или жесткой внешней характеристики выпрямителя. С их помощью устанавливается требуемый режим сварки и соответствующая величина сварочного тока.
Выпрямление переменного напряжения происходит в блоке V, схема выпрямления которого определяет частоту пульсаций выпрямленного напряжения.
В силовых выпрямительных блоках сварочных однофазных выпрямителей применяют трехфазную мостовую схему выпрямления, дающую шестифазные пульсации выпрямленного напряжения с частотой пульсации 300 Гц. Выпрямитель, собранный по этой схеме, равномерно загружает трехфазную силовую сеть и имеет достаточно высокие технико-экономические показатели. Однофазные одно-и двухполупериодные схемы выпрямления в силовых блоках сварочных однопостовых выпрямителей не применяются из-за значительных пульсаций выходного напряжения, которые отрицательно сказываются на качестве сварного соединения.
Сердечник линейного дросселя имеет воздушный зазор, предотвращающий его насыщение при значительных величинах сварочного тока. Дроссель снижает скорость нарастания сварочного тока и его максимальное значение (пик) при возбуждении дуги, уменьшает разбрызгивание металла при сварке плавящимся электродом, способствуя плавному переносу металла в ванну, а также выполняет роль индуктивного фильтра, сглаживая пульсации выпрямленного сварочного тока.

Рис. 3.2. Практически применяемые варианты типовой функциональной блок-схемы:
а — в схеме Т — блок трансформатора — регулятор тока (напряжения); б — в схеме Т — блок трансформатора — регулятор тока (напряжения) — выпрямитель (остальные обозначения см. рис. 3.1)
На рис. 3.1, б приведены кривые i=f(t) при возбуждении дуги с дросселем и без дросселя.
На рис. 3.2 приведены практически применяемые варианты типовой функциональной блок-схемы. Блок-схему (рис. 3.2, а) имеют сварочные выпрямители типов ВД (внешняя характеристика падающая) и ВС (внешняя характеристика жесткая). Блок-схему (рис. 3.2, б) имеет сварочный выпрямитель типа ВДГ, предназначенный для сварки в среде углекислого газа (при этом способе сварки вольт-амперная характеристика сварочной дуги возрастающая, а источник питания — сварочный выпрямитель-—должен иметь жесткую внешнюю характеристику).
Схема источника питания с выпрямителем, как правило, имеет еще блок защиты выпрямителя в аварийных режимах. Схема включения этого блока рассматривается при изучении схем конкретных типов сварочных выпрямителей.
Выбор схемы выпрямления и ее отдельных узлов зависит от способа сварки и свойств дуги, для питания которой предназначается данный выпрямитель.
Схема выпрямления в основном определяет технологические свойства всей установки.
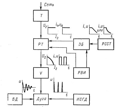
7.3 Типовая структурная блок-схема источника питания
На рис. 6.5 приведена схема источника для сварочных токов порядка 300—500 А. Такие источники выполняются в виде статических преобразователей с падающей внешней характеристикой для сварки неплавящимся электродом в среде защитного газа.
Определим функции отдельных блоков схемы: Т — силовой понижающий трансформатор, имеющий жесткую внешнюю характеристику; РТ — регулятор тока, формирующий внешнюю характеристику источника и обеспечивающий стабилизацию величины задаваемого тока; V —силовой выпрямительный блок; ЗБ — блок-источник регулируемых эталонных величин I и U, обеспечивающий заданные величины сварочного тока для каждого технологического процесса сварки; РВИ — регулятор временных интервалов (применяется в источниках питания, предназначенных для сварки импульсной дугой); ИСГД — импульсный стабилизатор горения дуги (см. выше); РССТ — регулятор снижения сварочного тока (см. выше); ВД — возбудитель дуги, который может работать как в осцилляторном режиме (импульсы затухающие знакопеременные), так и в стабилизаторном режиме.
Заметим, что в ряде источников бывает затруднительно выделить самостоятельные функциональные блоки (узлы), так как они конструктивно объединены.

Рис. 6.5. Упрощенная типовая функциональная блок-схема источника питания для сварки неплавящимся электродом в среде защитного газа.
Здесь в блок-схеме U=f(I), U2 =f(I2) —внешние характеристики блоков;
iэ, Uэ =f(t), i, U=f(t)—графики изменений выходных величин блоков во времени
Техническое нормирование эксплуатационной работы - важнейшее средство дорог, отделений, станций и других линейных предприятий, применяемое для рациональной организации перевозочного процесса с наименьшими материально-техническими затратами. Оно предусматривает выполнение следующих важнейших задач:
- обеспечение плана перевозок грузов всеми подразделениями железнодорожного транспорта в целом и по каждому планируемому грузу;
- более интенсивное использование перевозочных средств транспорта и прежде всего вагонов и локомотивов;
- правильное распределение вагонных парков по роду подвижного состава
- ускорения сроков доставки грузов;
- распределение локомотивного парка по дорогам, отделениям;
- установление потребности в топливе и электроэнергии по каждому депо, отделению и дороге в зависимости от плановой тонно-километровой работы.
Технические нормы эксплуатационной работы железных дорог включают в себя следующие основные показатели:
количественные: погрузка, выгрузка, сдача порожних вагонов из-под выгрузки, размеры передачи поездов и вагонов по внутридорожным и междорожным стыковым станциям, число отправленных поездов из узлов и сортировочных станций, грузооборот и вагонооборот;
качественные: оборот вагона, нормы времени нахождения вагонов на технических и грузовых станциях, скорости движения поездов, среднесуточные пробеги вагонов и локомотивов.
Кроме этого они устанавливают перевозочные средства: рабочий парк вагонов по структуре и роду и резервы их, локомотивный парк и лимиты топлива и электроэнергии.
Все перечисленные выше основные нормы и показатели эксплуатационной работы устанавливают расчетами на основе плана перевозок, графика движения и плана формирования поездов, а также действующих технологических процессов.
Основополагающими документами по управлению перевозочным процессом на железнодорожном транспорте являются: план перевозок грузов, который устанавливает объем и направление следования груза в соответствии с хозяйственными планами производства и снабжения, как правило, на квартальный и месячный периоды; технические нормы эксплуатационной работы железных дорог, являющиеся планом обеспечения перевозочными средствами дорог, отделений и станций для выполнения заданного объема перевозок исходя из технических возможностей каждого подразделения железнодорожного транспорта; план оперативного регулирования, представляющий собой комплекс организационно-технических мер по выполнению плана перевозок и технических норм и предупреждению возникновения возможных затруднений в эксплуатационной работе отдельных звеньев железнодорожного транспорта.











