Из уравнения баланса энергии можно найти зависимость скорости пара на выходе из сопла (или входа на лопатку) w1 от величины теплоперепада Hа, т.е. разности энтальпий пара h до и после сопла:
,
где j – коэффициент скорости, учитывающий потери на трение и вихреобразование.
На диаграмме h-s этот процесс для одной ступени имеет вид отрезка 1-2а (адиабатное истечение), а с учетом потерь – 1-2.
Как видно из диаграммы h-s, чем ниже давление в конденсаторе, тем больше теплоперепад, а значит, и мощность, развиваемая турбиной. Глубина разрежения определяется начальной температурой охлаждающей воды и кратностью охлаждения.
В конструкциях паровых турбин применяют такие ступени давления, в которых превращение перепада давления в скорость не заканчивается полностью в соплах, а частично продолжается и в лопаточном канале, где благодаря изменению скорости возникает реактивный эффект, повышающий окружную скорость колеса. Отношение теплоперепада на лопатках HЛ к теплоперепаду на всей ступени Hа называется степенью реактивности r. Паровые турбины, у которых r каждой из ступеней не превосходит 0,15, называются активными, а при условии r ³ 0,4 – реактивными.
|
|
|
![]() |
Паротурбинные установки (ПТУ), у которых весь пар проходит через конденсатор, называются конденсационными. Они предназначены для выработки электроэнергии. Давление на выходе из турбины и в конденсаторе обычно 3-5 кПа, а температура пара – 25-35 °С. Их к.п.д. с учетом термодинамических потерь, механических потерь и потерь в электрогенераторе составляет 29-39 %. Рассмотрим схему паросиловой установки с конденсационной турбиной:
![]() |
В современных ПТУ осуществляется цикл Ренкина, который позволяет избежать недостатков, связанных с использованием компрессора. Его предложил Уильям Джон Макуорн Ренкин (1820–1872) – шотландский физик и инженер, один из создателей технической термодинамики.
В 1849 г. независимо от Клаузиуса Ренкин получил общие уравнения термодинамики, выражающие соотношение между теплотой и механической энергией. Исследовал термодинамические свойства газов и пара в 1850 г. и составил таблицы водяных паров получивших широкое применение. В 1859 г. построил полную теорию паровой машины, в частности разработал идеальный термодинамический цикл парового двигателя, названного в его честь. «Руководство по паровым машинам» Ренкина (1859) – первый труд по технической термодинамике. Ренкин ввел ряд терминов: потенциальная энергия, адиабатический и изотермический процессы, адиабата.
Цикл Ренкина реализуется следующим образом: в паровом котле происходит испарение воды; в пароперегревателе – перегрев пара при постоянном давлении; в паровой турбине пар адиабатно расширяется, совершая работу; в конденсаторе – конденсируется при постоянном давлении; конденсат подается насосом в экономайзер, где он подогревается, а затем в котел, где испаряется. К.п.д. цикла Ренкина с сухим насыщенным паром составляет 29-36 %, а с перегретым паром – 34-46 %.
|
|
|
![]() |
На ТЭЦ распространены теплофикационные ПТУ для одновременного получения тепловой и электрической энергии. В таких установках осуществляют теплофикационный отбор пара при давлении 9¸17 МПа и температуре 480-570 °С. Они являются приводом электрогенераторов мощностью 17 и 22 МВт.
Переход на температуру 580-650 °С требует применения дорогостоящих аустенитных сталей.
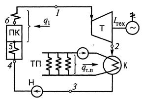
Рассмотрим схему установки для совместной выработки тепловой и электрической энергии:
ПК – паровой котел; Т – паровая турбина; К – конденсатор-подогреватель; Н – насос; ТП – тепловой потребитель. Цифры соответствуют точкам цикла в Т–s-диаграмме
Теплофикационный цикл в T–s-диаграмме:

Точки 3 и 4 на диаграмме T-s практически совпадают, поскольку в процессе адиабатного сжатия в насосе температура жидкости повышается ничтожно мало.
Рассмотрим схему турбины с нерегулируемым отбором пара для регенеративного подогрева питательной и нагрева сетевой воды:
![]() |
Как показывает опыт эксплуатации, применение таких тепловых схем особенно целесообразно на станциях, где котельные агрегаты работают с высоким подогревом воздуха. Регенеративный подогрев воды позволяет уменьшить поверхность водяного экономайзера котла и тем самым поднять температуру газов, поступающих в воздухоподогреватель.
Схемы с комбинированной выработкой электрической и тепловой энергии экономически более выгодны, чем схемы с чисто конденсационными турбинами.
Лекция 11










