Структурная схема системы управления СЭЭС
Классификация систем управления СЭЭС
Системы управления СЭЭС
ТИЧЕСКИМИ СИСТЕМАМИ
Управление СЭЭС во всех режимах работы судна обеспечивается системой управ-
ления,представляющей собой функционально и конструктивно законченное устройство или совокупность нескольких связанных подсистем, каждая из которых выполняет одну или несколько функций.
В настоящее время на транспортных судах применяют различные СУ СЭЭС, кото-
рые принято классифицировать по следующим признакам:
1. структуре - системы в виде двух автономных подсистем, одна из которых обес-
печивает автоматизированное дистанционное управление ПД генераторов, а другая выпол
няет синхронизацию генераторов, распределение нагрузки и др.; в виде единой СУ, обеспе
чивающей выполнение в полном объеме необходимых функций управления, контроля и защиты СЭЭС;
2. использованию ЭВМ - системы, в которых используется общесудовая управляю-
|
|
|
щая ЭВМ и системы, использующие функционально специализированные ЭВМ (возмож-
но использование обоих типов ЭВМ с разделением функций между ними);
4. элементной базе - системы, построенные на элементах релейно-контакторных,
полупроводниковых, микроэлектронных в виде больших интегральных схем (БИС), а также на основе ЭВМ и микропроцессоров (в СУ СЭЭС современных судов используется смешанная элементная база).
Обощенная структурная схема системы управления СЭЭС показана на рис. 7.1.

Рис. 7.1. Структурная схема системы управления СЭЭС
Построение СУ СЭЭС осуществляют по иерархическому принципу, в соответствии с которым более низкому уровню иерархии соответствует меньшее число однотипных решаемых задач или алгоритмов.
На структурной схеме подобной СУ СЭЭС (рис. 7.1.) можно выделить следую-
щие уровни иерархии:
верхний IV - уровень КСУ СТС, на котором обеспечивается управление судна в целом оператором (судоводителем). На этом уровне задается режим работы СЭЭС (ходовой, маневров и др.), от которого зависит количество используемых ГА, приоритет включения резервных ГА и мощных приемников электроэнергии и т. д. (в качестве АУУ КСУ СТС может использоваться общесудовая мини-ЭВМ);
групповой III -уровень отдельных технологических систем, одной из которых является СУ СЭЭС. На этом уровне выполняются следующие функции: изменение состава работающих ГА в соответствии с режимом работы судна, выбор очередности пуска резервных ГА и обеспечение программированного пуска мощных приемников, вывод судна из обесточенного состояния, защита СЗЗС от шкоь КЗ и др. В качестве АУУ СУ СЭЭС может использоваться специализированная микроЭВМ;
|
|
|
локальных СУ II, включающий системы управления отдельными ГА. На этом уровне обеспечиваются: управление приводными двигателями ГА (поддержание в состоянии резерва, пуск, остановка, контроль и защита) по сигналу от АУУ СУ СЭЭС или по команде оператора группового уровня III из ЦПУ, синхронизация и распределение нагрузки между параллельно работающими генераторами, регулирование частоты;
локальных средств автоматизации /, включающий регуляторы частоты и напряжения, устройства защиты, блокировки и др.;
воздействий 0, включающий исполнительные органы (серводвигатели топливных насосов и паровпускных клапанов ПД), датчики (частоты вращения, температуры и др.) управляемых объектов (дизелей, турбин и генераторов), органы ручного управления и др.
Рациональной по структуре системой управления СЭЭС считается такая, которая в случае отказа обеспечивает работоспособность СЭЭУ при помощи локальных средств автоматизации.
На судах со знаком автоматизации А2 объем автоматизации СЭЭС соответствует совокупности функций звеньев трех нижних уровней (0, I и II), а со знаком А1 - всех пяти уровней.
В качестве примера рассмотрим систему управления СЭЭС типа "Ижора-М".
1.3. Система управления СЭЭС типа "Ижора-М"
Система обеспечивает управление СЭЭС в следующем объеме:
1. автоматический пуск и остановка резервного ГА;
2. автоматическая синхронизация;
3. распределение нагрузки;
4. стабилизация напряжения и частоты ГА и др.
С помощью схемы (рис. 7.2) определим последовательность некоторых автомати-
ческих операций.

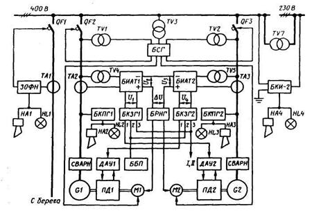
Рис. 7.2. Структурная схема автоматизированной СЭЭС типа «Ижора-М»
Предположим, что на шины ГРЩ включен базовый генератор G1, а в резерве нахо-
дится генератор G2. Выбор резервного генератора проводят путем установки переключа-
теля "Выбор резерва" на щите управления ЭЭУ в ЦПУ в необходимое положение (на схе-
ме не показан).
Резервный ГА находится в режиме «горячего резерва», при котором обеспечивает
ся поддержание дизеля в предпусковой готовности посредством автоматизированного по-
догрева масла в смазочной системе и охлаждающей воды.
При увеличении нагрузки на генераторе G1 до (0,85…0,90) Р
напряжение U
на одном из двух выходов блока измерителя активного тока БИАТ1, подключенного к генератору G1 при помощи трансформаторов напряжения ТV4 и тока ТА2, становится достаточным для появления на выходе 1 блока БКЗГ1 контроля загрузки генератора сигнала на включение резервного генератора.
Этот сигнал поступает в систему ДАУ2, которая обеспечивает автоматический пуск дизеля резервного ГА.
При достижении дизелем частоты вращения, близкой номинальной, автоматически включается блок БСГ синхронизации генераторов, который воздействует на серводвига-
тель М2 подачи топлива резервного ГА и подгоняет его частоту вращения к частоте враще
ния базового ГА.
Если разность частот и напряжений обоих генераторов находится в допустимых пределах, БСГ выдает сигнал на включение генераторного автоматического выключателя QF3, после чего отключается. Одновременно выходы блоков БИАТ1 и БИАТ2 обоих генераторов с напряжениями U
и U
соединяются последовательно, результирующий сигнал в виде напряжения ΔU = U
- U
определенной полярности поступает на вход блока БРНГ распределения нагрузок генераторов.
В зависимости от полярности напряжения на выходе блока БРНГ серводвигатель М2 резервного ГА включается в направлении на увеличение или уменьшение подачи топлива. Тем самым обеспечивается пропорциональное распределение активной нагрузки между параллельно работающими генераторами.
|
|
|
Система "Ижора-М" предусматривает включение резервного ГА не только при пе-
регрузке базового ГА, но и в других случаях: при обесточивании шин ГЭРЩ, снижении частоты вращения ГД или давления пара перед турбогенератором, по сигналу "Неисправ-
ность" из системы "Роса-М" работающего ДГ.
Если включение резерва мощности не предусмотрено, автоматическая разгрузка генераторов проводится путем отключения неответственных приемников. При увеличе-
нии нагрузки на любом из работающих генераторов до (1,0…1,1)Р
отключение проис
ходит в 2 ступени с выдержкой времени между ними. При нагрузке (1,3…1,5)Р
обе сту
пени отключаются без выдержки времени. Для этого используют выходы 3 блоков БКЗГ обоих генераторов.
Система управления СЭС обеспечивает автоматическую блокировку пуска из ходо-
вой рубки мощных приемников в случаях, когда электростанция не имеет запаса мощно-
сти (при работе одного генератора, при работе двух генераторов с нагрузкой свыше 0,7 Р
). Для блокировки пуска используются выходы 2 блоков БКЗГ1 и БКЗГ2 и блок ББП блокировки пуска мощных приемников. При этом в ходовой рубке загорается световое табло "Пуск запрещен". При необходимости пуска мощных приемников необходимо пред
варительно провести пуск резервного ГА из ЦПУ со щита управления СЭС, после чего включать мощные приемники (пожарный насос и др.) из ходовой рубки с промежутками времени 0,8-3,8 с между пусками.
Пуск мощных приемников не блокируется в следующих режимах: при работе трех и более генераторов, при работе двух генераторов с нагрузкой на каждом, не превышаю-
щей 70 % номинальной активной мощности.
При уменьшении нагрузки на каждом параллельно работающем генераторе до 30 % номинальной один из блоков БКЗГ (или оба одновременно) выдает сигнал в ЦПУ на свето
вое табло "Нагрузка 30 %". Решение об отключении одного из генераторов принимает опе
ратор.
На судах с двумя электростанциями непрерывность электроснабжения ответствен-
ных приемников обеспечивается путем их переключения с одной СЭС на другую при по-
|
|
|
мощи устройства типа УПП.
При электроснабжении судна с берега для защиты судовых приемников от обрыва фазы и сигнализации о снижении напряжения применяется устройство типа ЗОФН. При обрыве фазы ЗОФН выдает сигнал на отключение АВ питания с берега (QF1), а при сниже
нии напряжения до 85 % номинального включает световой и звуковой сигналы (НL1 и НА1).
Система самовозбуждения и автоматического регулирования напряжения СВАРН обеспечивает: в режиме холостого хода самовозбуждение генератора при достижении час-
тоты вращения 90-95 % номинальной, в режиме нагрузки автоматическое регулирование напряжения.
При параллельной работе генераторов СВАРН дополнительно обеспечивает пропор
циональное распределение реактивной нагрузки.
Визуальный контроль мощности, напряжения и частоты генераторов осуществляют при помощи узкопрофильных электроизмеритель-ных приборов на лицевой части ГРЩ.
Щитовые вольтметр и частотомер при помощи общего переключателя поочередно могут подключаться к каждому генератору и шинам ГРЩ, что позволяет уменьшить коли
чество щитовых приборов. При отклонении напряжения и частоты генератора от заданных значений блок БКПГ контроля параметров генератора с выдержкой в несколько секунд включает световой НL2 (НLЗ) и звуковой НА2 (НАЗ) сигналы.
Широкое внедрение малогабаритных и быстродействующих микропроцессорных средств обработки информации обеспечило создание принципиально новых СУ СТС.
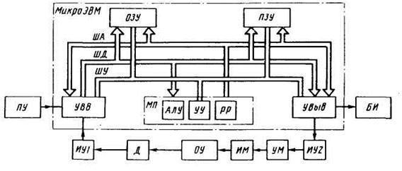
В общем случае в состав микропроцессорных СУ (рис. 7.3) входят: объект управ-
ления ОУ (например, ДГ или СГ); пульт управления ПУ; микро-ЭВМ;интерфейсные (сог-
ласующие) устройства ИУ1 и ИУ2; датчики Д; усилители мощности УМ; исполнительные механизмы ИМ; блок индикации БИ (в большинстве случаев он встроен в ПУ, но на рис. 7.3 показан отдельно с целью упрощения структурной схемы).
Помимо перечисленных компонентов, в состав таких СУ входят каналы передачи данных, контроллеры и др.
МикроЭВМ - вычислительная машина, представляющая собой совокупность микро
процессора МП, -устройств ввода УВв и вывода УВыв информации, запоминающих уст-
ройств ОЗУ и ПЗУ.
Процессором ЭВМ называется устройство для автоматической обработки цифро-
вой информации по заданному алгоритму.
Процессор, выполненный в виде одной или нескольких микросхем с высокой степе
нью интеграции, называется микропроцессором.
Микропроцессоры СУ обычно выполняют ограниченный объем арифметических операций, что позволяет упростить структуру и свести к минимуму размеры МП.
В состав МП входят: арифметико-логическое устройство АЛУ, устройство управле
ния УУ и рабочие регистры РР.

Рис. 7.3. Структурная схема микропроцессорной системы управления
Арифметико-логическое устройство предназначено для выполнения арифметиче-
ских и логических операций.
К первым из них относятся сложение, вычитание, преобразование двоичных чисел и др., ко вторым - инверсия, конъюнкция, дизъюнкция и др.
Это устройство построено на сумматорах, элементная база которых состоит из 1-разрядных сумматоров, регистров сдвига, инверторов и т. д. на основе интегральных мик-
росхем.
Устройство управления обеспечивает выполнение операций в определенной после
довательности, заданной алгоритмом, а также связи микропроцессора с ОЗУ, ПЗУ, УВв и УВыв.
Элементной базой УУ являются дешифраторы на основе интегральных микросхем.
Рабочие регистры, служащие для временного хранения и преобразования данных и команд, строятся на типовых элементах - триггерах и логических схемах И, ИЛИ, НЕ.
Запоминающие устройства реализуют прием, хранение и выдачу информации и программ ее обработки. Их подразделяют на постоянные (ПЗУ) и оперативные (ОЗУ).
Постоянные запоминающие устройства ПЗУ используют для хранения программ работы МЛ и констант, причем информация, заложенная в ПЗУ, не теряется при отключе
нии питания.
Оперативные запоминающие устройства ОЗУ применяют для хранения данных,.которые обрабатываются при помощи МП.
Для построения запоминающих устройств используют кольцевые ферритовые сер-
дечники или БИС.
Характерной особенностью микроЭВМ является наличие стековой памяти.
Стеком называют запоминающее устройство "магазинного" типа, ячейки которого заполняются последовательно (одна за другой). Аналогично, ячейка за ячейкой, происхо-
дит вывод информации из стека.
Таким образом, перемещение чисел внутри стека напоминает перемещение патро-
нов внутри магазина пистолета.
Стековая память позволяет упростить обработку программ и повысить быстродейст
вие АЛУ. В качестве стека может использоваться отдельная микросхема или просто часть ОЗУ.
В сложных микропроцессорных системах для хранения больших объемов информа
ции используют внешние запоминающие устройства, конструктивно не объединенные с блоками ЭВМ и реализуемые на магнитных лентах, дисках или барабанах.
Устройства ввода и вывода информации предназначены для ввода обрабатывае-
мой информации в МП, вывода и наглядного представления обработанной информации.
Для ввода информации используют пульты управления с клавиатурой, выключате
лями, переключателями и т. д., а также пишущие машинки и телетайпы с перфопристав
ками, оптические считывающие устройства и др. Для вывода информации применяют бумажные ленты с цифровым и бук-венно-цифровым текстом, графиками, а также дисплеи, экраны, табло, микрофильмы и др.
Совокупность информационных каналов микроЭВМ называется шинами.
Шины выполняют в виде пучка проводов или печатной схемы и подразделяют на 3 вида: адресные, данных и управления.
Шина адресная ША предназначена для передачи адреса ячейки памяти с данными или командой от микропроцессора к ОЗУ, ПЗУ, УВв и УВыв. С помощью ША открывается или выбирается правильный тракт для электрического соединения между собой отдель-
ных компонентов микропроцессорной системы. Эту шину называют 1-направленной, так как информация поступает в одном направлении - от МП к перечисленным выше компо-
нентам.
Для микропроцессоров типов 8080, 8085, применяемых в судовых СУ, характерна 16-разрядная ША, состоящая из 16 физических линий, выводы которых обозначают А
…
А
.
Шина данных ШД - это 2-направленная линия для обмена данными между отдель-
ными компонентами микроЭВМ.
Для микропроцессоров типов 8080, 8085 характерны 8-разрядные ШД, их выводы обозначают А
…А
.
Шина управления ШУ предназначена для передачи тактовых, синхронизирующих сигналов, а также информации о состоянии (статусе) компонентов микроЭВМ.
Часть линий ШУ является 1-направленной, часть - двунаправленной, поэтому на рис. 7.26 направленность этой шины не обозначена.
У микропроцессоров типов 8080, 8085 на этой шине действуют сигналы SYNC ("Синхронизация"), DBJN ("Ввод данных") и др.
Объединение различных компонентов микропроцессорной СУ должно проводиться с учетом характера и временных параметров сигналов на стыках между компонентами.
Чтобы сигналы были совместимыми, применяют вспомогательные устройства, называемые интерфейсными. Эти устройства можно разделить на 2 группы.
Первая группа обеспечивает подключение ОЗУ, ПЗУ, УВв и УВыв к шинам МП и решает задачи синхронизации и управления шинами, а также выборки компонентов, обес-
печивающих своевременную передачу данных между МП и выбранным компонентом.
Вторая группа обеспечивает «стыковку» микроЭВМ с внешними компонентами (например, с периферийными устройствами, каналами передачи данных, контроллерами) и преобразование внешних сигналов в сигналы, совместимые с сигналами на шинах, а так-
же обратное преобразование.
Так, если датчики Д имеют аналоговые выходные сигналы, интерфейсное устройст
во ИУ1 может представлять собой АЦП. В то же время для управления работой механиз-
ма ИМ (например, серводвигателем ПД генератора) могут использоваться аналоговые сиг-
налы. В этом случае интерфейсное устройство ИУ2 представляет собой ЦАП.
В общем случае совокупность унифицированных технических и программных средств, используемых для сопряжения компонентов в вычислительной системе или меж-
ду системами, называют интерфейсом.
В настоящее время на базе микроЭВМ разработаны и успешно эксплуатируются микропроцессорные СУ, обеспечивающие автоматическое управление комплексами судо-
вых систем и механизмов (например, энергетической и электроэнергетической установка-
ми).
В качестве примера рассмотрим устройство и работу микропроцессорнойсистемы управления СЭЭС типа АSА-S.