Коммутаторы сигнально-отличительных фонерей
Коммутаторы сигнально-отличительных фонарей работают по следующему прин-
ципу: при погасании фонаря вырабатывается звуковой и визуальный сигнал, позволяющий определить неисправный фонарь.
Отечественной промышленностью выпускаются унифицированные релейные ком-
мутаторы на 3,5,7 и 10 огней напряжениями 24, 110, 127 и 220 В. В то же время на судах применяются нестандартные релейные и бесконтактные коммутаторы и пульты управле-
ния фонарями.

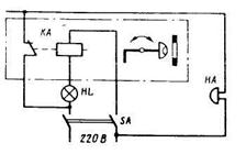
Рис. 17.9. Схемаподключения отличительного фонаря через контактный коммутатор
Принцип включения лампы одного отличительного фонаря (рис. 17.9) состоит в сле
дующем. При включении фонаря выключателем SА загорается лампа HL, расположенная в фонаре, и одновременно включается сигнальное реле КА. Его разомкнувшийся контакт обрывает цепь питания электрического звонка НА.
Одновременно якорем реле КА поворачивается сигнальное устройство и против смотрового окна устанавливается сигнализационный бленкер. При перегорании лампы HL реле КА теряет питание, его замкнувшийся контакт замыкает цепь питания звонка.
При этом поворачивается визуальное устройство, уводя из смотрового окна блен-
кер. Установив, какой фонарь погас, его выключают выключателем SА, прерывая цепь пи
тания звонка.
Каждый фонарь включается в коммутаторе по рассмотренной схеме, звонок являеn-
ся общим и включается при потухании любого фонаря.