Контрольный тест
1. Важнейший показатель экономичности ТЭС?
а) установленная мощность; б) выработка электроэнергии;
в) расход топлива; г) удельный расход топлива.
2. Значение удельного расхода топлива ТЭС, достигнутого в СССР к 1980 г. в кг у.т./кВт·ч?
а) 330; б) 0,328; в) 370; г) 0,28.
3. Какой праздник совпадает с днём принятия плана ГОЭЛРО?
а) день конституции; б) день энергетика; в) рождество.
4. План ввода мощностей на ТЭС в МВт по плану ГОЭЛРО?
а) 1,75; б) 1110; в) 640; г) 1750.
5. Какая электростанция введена в Челябинске по плану ГОЭЛРО? а) ТЭЦ-1; б) ЧГРЭС; в) ТЭЦ-2.
6. Какое номинальное напряжение имели ЛЭП горно-заводской зоны Челябинской области?
а) 220 кВ; б) 110 кВ; в) 35 кВ.
7. Самая мощная ТЭС в Челябинской области?
а) Челябинская ТЭЦ-3; б) Троицкая ГРЭС;
в) Южно-Уральская ГРЭС.
8. ЛЭП 220 кВ, работающая на напряжении 110 кВ, переведена на напряжение 220 кВ. Как изменится ток по линии при передаче той же мощности?
а) не изменится; б) уменьшится в 4 раза; в) возрастёт в 2 раза;
г) уменьшится в 2 раза.
9. Как при этом изменятся потери в ЛЭП?
|
|
|
а) снизятся в 2 раза; б) возрастут в 2 раза; в) снизятся в 4 раза;
г) не изменятся.
10. Суточный график имеет 4 одинаковых по времени ступени продолжительностью по 6 часов с нагрузкой 50, 125, 200 и 75 МВт для ступеней. Чему равна электроэнергия за сутки в МВт·ч?
а) 2400; б) 2700; в) 3000; г) 2500.
11. Чему равна среднесуточная нагрузка для этого графика?
а) 150; б) 120; в) 112,5; г) 175.
12. Чему равна продолжительность использования максимальной нагрузки?
а) 13,5; б) 6; в) 12; г) 24.
13. Чему равен коэффициент неравномерности графика?
а) 0,8; б) 0,5; в) 0,56.
14. По какому критерию распределяется нагрузка между электростанциями в системе?
а) по наименьшему расходу топлива; б) по минимальному расходу
воды на ГЭС; в) по минимуму затрат на топливо.
15. В какой части суточного графика можно использовать ГЭС, не имеющие водохранилища?
а) в базовой; б) в пиковой; в) в полупиковой.
16. Как повлияет на коэффициент заполнения суточного графика выработки электроэнергии электростанциями системы ввод ГАЭС?
а) не изменит; б) снизит; в) повысит.
17. Как повлияет снижение удельного расхода топлива ТЭС на себестоимость вырабатываемой электроэнергии?
а) не изменит; б) снизит; в) повысит.
18. Как изменится скорость вращения турбогенератора при увеличении впуска пара в турбину?
а) возрастёт; б) не изменится; в) уменьшится.
19. Как изменится частота в системе в момент подключения мощной нагрузки?
а) возрастёт; б) не изменится; в) уменьшится.
С позиций управления энергетические системы относятся к большим системам, для которых характерен ряд свойств, важнейшие из которых – управляемость и адаптация на основе обработки информации. Классическая схема управления в больших системах, искусственно созданных человеком, или естественным, функционирующим в природе, показана на рис. 9.1. Такое управление с обратной связью позволяет обеспечивать адаптацию природных систем к изменению внешней среды, а также организованность и работоспособность больших искусственных технико-экономических систем.
|
|
|

Рис. 9.1 Схема управления
Отметим некоторые особенности энергетической системы, учёт которых необходим при организации управления режимом работы:
1) высокие требования к обеспечению надёжности энергоснабжения потребителей тепловой и электрической энергией;
2) одновременность производства и потребления электроэнергии, что требует непрерывного поддержания баланса мощности в системе;
3) быстрота протекающих в электрической части аварийных переходных процессов с выделением больших объёмов энергии в местах повреждений;
4) необходимость обеспечения стандартов на качество отпускаемой потребителям электроэнергии;
5) необходимость обеспечения экономичности производства, передачи и распределения электроэнергии, что определяется большими затратами на топливо.
Учёт этих особенностей и требований можно организовать, обладая необходимой и разнообразной информацией о параметрах системы и параметрах режима работы её.
Параметры системы определяют структуру системы, т.е. состав включенных в работу блоков электростанций, линий электропередач, число включенных трансформаторов, а также сопротивления всех работающих элементов системы.
Режим системы характеризует технологические процессы производства, преобразования, передачи и распределения энергии и определяется значениями токов, напряжений, потоков мощности и других физических величин, называемых параметрами режима.
Источником информации об электрических параметрах, и в первую очередь о значениях токов и напряжений, являются измерительные трансформаторы тока и напряжения. Назначение измерительных трансформаторов состоит в том, чтобы изолировать низковольтные цепи приборов от высокого напряжения и обеспечить безопасность обслуживания. Измерительные трансформаторы позволяют использовать стандартные измерительные приборы на унифицированные номинальные токи 5 А (реже 1 А) и номинальные напряжения 100 В для измерения больших напряжений, токов и мощностей.
Первичную обмотку 1 трансформатора тока (рис. 9.2) включают последовательно в цепь измеряемого тока. Ко вторичной обмотке 3 последовательно подключаются токовые цепи измерительных приборов. К отдельной обмотке подключаются токовые цепи устройств релейной защиты и автоматики.

Рис. 9.2 Схема трансформатора тока
Первичная обмотка 1 трансформатора напряжения (рис. 9.3) включается параллельно в цепь измеряемого напряжения. Цепи приборов подключаются ко вторичной обмотке трансформатора параллельно. Номинальные коэффициенты трансформации определяются как отношения номинальных первичных токов и напряжений к номинальным вторичным.
На основе непрерывно замеряемых значений токов и напряжений формируются значения и остальных параметров режима – частоты, потоков мощности и энергии, которые используются для контроля нормального режима, а также для целей автоматики и защиты от повреждений.
Наиболее опасным видом аварии являются короткие замыкания, возникающие при повреждении изоляции, между обмотками разных фаз или между фазой и землёй. Причиной коротких замыканий могут быть обрывы проводов ЛЭП, схлёстывание проводов и многие другие. Короткие замыкания сопровождаются значительным увеличением токов в повреждённых цепях, что приводит к возникновению огромных механических усилий и значительному выделению тепла в токоведущих частях, и, как следствие, к разрушению электрических установок.
|
|
|

Рис. 9.3 Схема трансформатора напряжения
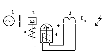
Для предотвращения необратимых разрушений используется специальная релейная защита, действующая на отключение повреждённых участков электрической цепи. Принцип работы простейшей максимальной токовой защиты поясняет рис. 9.4.
Источником информации о коротком замыкании является трансформатор тока. В нормальном режиме ток нагрузки, протекая по обмотке реле тока, создаёт небольшое механическое усилие, которого недостаточно для замыкания контакта реле.

Рис. 9.4 Принципиальная схема релейной защиты:
1–питающая система; 2–выключатель; 3– трансформатор тока;
4– токовое реле; 5–соленоид отключения.
При коротком замыкании ток в первичной цепи возрастает в несколько раз, что приводит к пропорциональному росту тока во вторичной обмотке ТТ и срабатыванию реле. Через замкнувшиеся контакты реле подаётся напряжение на катушку отключения выключателя, работа которого приводит к разрыву дуги и отделению повреждённого участка от питающих шин.
Кроме релейной защиты для повышения надёжности электроснабжения и обеспечения качества электроэнергии в энергосистемах широко используется специальная автоматика.
Автоматические регуляторы используются для обеспечения нормального режима путём непрерывного поддержания баланса мощности и частоты, а также уровня напряжения в системе.
Первая задача решается с помощью автоматических регуляторов скорости (АРС), путём изменения впуска энергоносителя в турбину в зависимости от изменения скорости вращения турбогенератора.
Вторая задача решается автоматическим регулятором возбуждения (АРВ), который изменяет ток в обмотке возбуждения синхронного генератора в зависимости от замеренного уровня напряжения на его шинах. Так при снижении напряжения на зажимах генератора регулятор действует на увеличение тока возбуждения.
Для обеспечения надёжной работы электрической системы при повреждениях в электроустановках и электрической сети широко применяются следующие средства противоаварийной автоматики.
|
|
|
Автоматическое повторное включение (АПВ). Значительное число коротких замыканий в воздушных линиях имеет неустойчивый характер и устраняется при снятии напряжения во время отключения повреждённой линии. Автоматическое повторное включение через 1-2 с после отключения в большинстве случаев приводит к восстановлению работы линии.
Автоматический ввод резерва (АРВ). Эта автоматика используется для подключения резервного питания в случае аварийного отключения основного рабочего питания.
Автоматическая частотная разгрузка (АЧР). При уменьшении в результате аварии генерирующей мощности на электростанциях нарушается баланс мощностей, что приводит к снижению частоты в системе и снижению качества электроэнергии. Автоматическое отключение части неответственных потребителей позволяет восстановить баланс мощности и сохранить достаточный уровень частоты в системе.
Наряду с автоматическими устройствами в каждой энергосистеме организовано круглосуточное оперативно-диспетчерское управление согласованной работой электростанций, электрических и тепловых сетей.
Задачами оперативно-диспетчерского управления являются:
· планирование и ведение режимов работы электростанций, сетей и энергосистем, обеспечивающих энергоснабжение потребителей в соответствии с условиями и положениями заключенных договоров;
· планирование и подготовка ремонтных работ;
· обеспечение надёжности функционирования энергосистемы;
· выполнение требований к качеству электрической и тепловой энергии;
· обеспечение экономичности работы энергосистем.
Для выполнения функций оперативно-диспетчерского управления во всех энергосистемах созданы центральные диспетчерские службы (ЦДС).
Первая диспетчерская служба (ДС) была создана в 1923 г. в Московской энергосистеме, затем в Ленинграде (1926 г.), в Донбасской энергосистеме (1930 г.). Первые ДС на Урале были созданы в Свердловском, Челябинском и Пермском районах. В 1932 г. создаётся Централизованное диспетчерское управление энергосистемой Урала при сохранении в работе ДС в районах. Таким образом, впервые диспетчерское управление энергосистемой Урала стало двухуровневым.
Работы по автоматизации системы диспетчерского управления получили развитие в 70-е годы, когда были приняты решения о создании отраслевой автоматизированной системы управления – ОАСУ «Энергия».
Упрощённая схема автоматизированной системы диспетчерского управления (АСДУ) показана на рис. 9.5. Здесь на участке сбора информации указаны устройства телемеханики (УТМ), без которых невозможна передача информации от объектов энергосистемы в диспетчерские службы.

Рис. 9.5 Схема АСДУ
Первые опыты использования телемеханики в системах Уралэнерго относятся к 1943–1945 гг. В 1944 г. в Челябэнерго работало несколько устройств телеизмерения на аппаратуре местного изготовления. К 1 января 1957 года в энергосистемах Урала имелось 19 телеуправляемых подстанций.
Сегодня объёмы телеметрии, поступающие на диспетчерские пункты энергосистем, составляют 600–1800 телеизмерений и 1000–2000 телесигнализаций.
Для обработки информации используются современные ЭВМ. Результаты обработки телеметрии в наглядной форме отображаются с помощью различных технических средств. Результаты анализа режимов работы, полученные с помощью ЭВМ, используются сегодня как советы диспетчеру для принятия обоснованных решений по управлению работой объектов энергосистемы.
Для расчёта режимов используются математические модели, которые формируются на основе методов анализа электрических цепей. В основе этих методов лежит известный закон Ома, которым будущий инженер должен уметь пользоваться уже сегодня на пороге освоения теоретических основ электротехники и специальных дисциплин.
Тест для самоконтроля
1. Что необходимо предпринять в системе при повышении частоты?
а) отключить часть потребителей;
б) увеличить ток возбуждения СГ;
в) уменьшить впуск пара в турбину турбогенератора.
2. Как повысить напряжение на шинах синхронного генератора?
а) увеличить впуск пара в турбину;
б) уменьшить впуск пара;
в) повысить ток возбуждения;
г) снизить ток возбуждения.
3. Ток в электрической цепи уменьшился в два раза. Как изменятся потери мощности в цепи?
а) уменьшатся в два раза;
б) возрастут в два раза;
в) уменьшатся на 75%.
4. Для электрической цепи, схема которой показана на рисунке, определить общее сопротивление цепи?

а) 55; б) 25; в) 15; г) 20.
5. Для цепи определить ток в А?
а) 2; б) 1; в) 0,5.
6. Определить напряжение на сопротивлении
?
а) 8; б) 10; в) 15.
7. Определить общую мощность, которая выделяется в двух сопротивлениях
и
?
а) 10; б) 20; в) 60; г) 40.
8. Определить общую мощность всей цепи?
а) 100; б) 80; в) 60; г) 75.
9. Какой ток будет протекать по цепи, если в результате короткого замыкания сопротивление
станет равным
?
а) 3,5; б) 1,5; в) 3,33; г) 1,8.
10. Назначение АСДУ?
а) автоматизация диспетчерского управления;
б) автоматическое управление режимами;
в) автоматическое отключение аварий.