Акустический метод определения уровня жидкости основан на формировании акустического импульса на границе раздела жидкость—воздух в вертикальном звукопроводе, выполненном в виде тонкого металлического стержня. Уровень жидкости рассчитывается исходя из времени распространения ультразвукового сигнала от излучателя, расположенного внутри поплавка на поверхности жидкости, до приемника, установленного в верхнем конце стержня.
Для подачи питания и синхронизации формирователя ультразвукового импульса используется непосредственно звукопровод, являющийся одновременно частью витка первичной обмотки трансформатора, вторичная обмотка которого расположена в поплавке. Формирование акустического импульса осуществляется излучателем, представляющим собой пьезокерамическое кольцо, коаксиально охватывающее стержень.

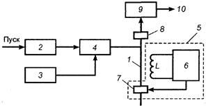
Рис. 106. Принципиальная схема акустического уровнемера.
На рис. 106 рассмотрена схема акустического уровнемера. Электрический ток подается на металлический стержень-звукопровод / с формирователя импульсов синхронизации 2 и формирователя частоты питания 3 через смеситель 4. В катушке индуктивности L, расположенной в корпусе поплавка 5, возникает соответствующий индукционный ток. Катушка подключена к входу блока формирования импульсов излучателя 6. Электрический импульс, вырабатываемый этим блоком, подается на пьезокерамическое кольцо 7 излучателя. При этом формируется акустический сигнал, который через стенки корпуса поплавка и жидкость достигает звукопровода. В металлическом стержне возбуждается продольная волна. Ультразвуковые импульсы принимаются пьезокерамическим преобразователем 8, закрепленным на верхнем торце стержня. Электрический сигнал с приемника через усилитель 9 поступает на вход счетчика времени 10, определяющего время распространения ультразвукового импульса по стержню. При работе системы по металлическому стержню протекает переменный электрический ток в несколько миллиампер и частотой 10 кГц, которого достаточно для индукционного питания и генерации электрического импульса амплитудой 20...30 В, подаваемого непосредственно на излучатель. Синхронный запуск излучателя осуществляется высокочастотным импульсом тока. Таким образом, схема синхронизации и формирования ультразвуковых импульсов работает автономно без внутреннего источника питания и независимо от положения поплавка. Все элементы излучателя расположены внутри герметичного корпуса поплавка, изготовленного из нержавеющей стали.
|
|
|
Уровнемер представляет собой единый электронный блок, устанавливаемый на крышке стандартного технологического отверстия резервуара, в которое опускается металлический стержень. Сигнал, поступающий с уровнемера на вход ЭВМ, подвергается обработке с помощью программного пакета, позволяющего рассчитывать уровень и расход жидкости в нескольких (до 10) резервуарах.






