Принципы аналого-цифрового преобразования.
Аналого-цифровые преобразователи
Аналого-цифровой преобразователь ADC (Analog Digital Converter) осуществляет преобразование напряжения в цифровой код. Он предназначен для оцифровки и ввода в микроконтроллер аналоговых сигналов с различных датчиков физических величин. Схемы преобразователей различны. В зависимости от принципа построения меняются и свойства преобразователя.
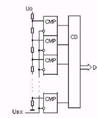
В параллельном преобразователе (рис. 1.8) входной сигнал подается сразу на множество компараторов, осуществляющих сравнение сигнала с опорными напряжениями. Опорные напряжения формируются цепочкой резисторов, делящих эталонное напряжение U0 на равные части.

Рисунок 1.8 Параллельный аналого-цифровой преобразователь.
Такие схемы ADC работают очень быстро, но сложны и используются редко.






