| Марки кабелей | Примечания | |||||
| Первичные параметры | Воздушные линии диаметром 4 мм при расстоянии между проводами 20 и 60 см | ТЗГ, ТЗБ (кордель-ные диаметром 1 мм) | ТГ, ТВ (телефонные диаметром 0,7 мм) | |||
| сталь | медь | биметалл | ||||
| R 0, Ом/км | 22,0 (22,0) | 2,84 (2,84) | 6,4 (6,4) | 47,0 | 96,0 | Для постоянного тока |
| R 800, Ом/км | 42,2 (42,2) | 2,87 (2,87) | 6,68 (6,68) | — | — | Для переменного тока 800 Гц |
| L 0, мГн/км | 8,96 (9,4) | 1,94 (2,38) | 1,94 (2,39) | 0,7 | 0,6 | |
| С 0, мкф/км | 0,0063 (0,0051) | 0,0063 (0,0051) | 0,0063 (0,0051) | 0,034 | 0,04 | |
| Сопротив- ление изоляции между проводами, МОм/км | 25 – 125, но не менее двух | 25 – 125, но не менее двух | 25 – 125, но не менее двух | 10,0 | 2,0 |
Вторичные параметры проводных линий связи – волновое сопротивление Z В и постоянная передачи g. Эти параметры характеризуют условия распространения электромагнитной энергии по линии связи и зависят только от первичных параметров и частоты.
В линиях небольшой протяженности значение тока практически одинаково в начале и в конце линии. Если длина линии велика, то при высокой частоте значение тока в начале и в конце линии различно. Падение напряжения в разных точках линии будет иметь также разное значение. Электрическая модель длинной проводной линии представлена на рис. 6.1.

Рис. 6.1. Схема замещения проводной линии
Сопротивление, которым можно заменить отрезанную часть длинной линии так, что при этом в любых точках оставшейся линии значения тока и напряжения будут прежними, называют волновым или характеристическим сопротивлением и обозначают Z В.
Волновое сопротивление выражается через первичные параметры проводной линии
Z В =
. (6.3)
На частотах более 10 кГц, когда первые слагаемые числителя и знаменателя малы:
Z В =
. (6.4)
Для медных воздушных линий связи Z В =600 ¸ 900 Ом.
Сопротивление, измеренное в начале линии, называют входным сопротивлением
Z ВХ = U ВХ/ I ВХ. (6.5)
Входное сопротивление линии зависит от волнового сопротивления, затухания линии и нагрузки в конце линии.
Входное сопротивление совпадает с волновым сопротивлением лишь тогда, когда сопротивление нагрузки равно волновому сопротивлению Z Н = Z В. Только в этом случае будет наилучшая передача электромагнитной энергии (наибольший к.п.д. передачи), так как отсутствует отражение волн.
В телемеханике это имеет очень большое значение, так как телемеханические сигналы имеют небольшую мощность. Поэтому, если линия не будет нагружена на волновое сопротивление, могут возникнуть отражения импульсов от несогласованной нагрузки и повторное поступление их на схему, что вызовет искажение передачи.
Постоянная передачи, или коэффициент распространения:
(6.6)
где a – коэффициент затухания, характеризующий уменьшение тока или напряжения; j – коэффициент сдвига фазы, определяющий изменение фазы напряжения и тока.
Затухание электромагнитной энергии в линии, нагруженной на волновое сопротивление, происходит по экспоненциальному закону: ток I 1 и напряжение U 1 в начале линии всегда больше тока I 2 и напряжения U 2 в конце линии (см. рис. 6.1). Поэтому I 2 =I 1е - al, U 2 =U 1e - al, где l – длина линии.
Из этих соотношений вытекает, что
(6.7)
Если l =1 км, то километрическое затухание в линии, согласованной с нагрузкой:
(6.8)
Затухание выражают в неперах. Непер – натуральный логарифм отношения двух напряжений, токов или половина логарифма отношения мощностей на входе и выходе. Если линия обладает затуханием в 1 Нп, то это значит, что ток и напряжение в конце линии уменьшаются в е = 2,718 раза, а мощность – в e2 = 7,39 раза. При a=2 Нп отношение U 1/ U 2 = e 2»7,4, a P l/ P 2=e4 » 55.
Затухание также выражают в децибелах:
(6.9)
На рис. 6.2 приведены данные о затухании некоторых воздушных и кабельных линий связи [8].

Рис. 6.2. Зависимость затухания от частоты
для воздушных и кабельных линий связи:
воздушные линии с диаметром провода 4 мм и расстоянием между проводами 20 см:
1 – медная, t=-20 °С в сухую погоду; 2 – медная, t=+20 °С в сырую погоду;
3 – медная при гололеде (диаметр провода 5 мм); 4 – стальная, t=+20 °С в сырую погоду;
кабельные линии: 5 –МКС-4´4´1,2 (диаметр жилы 1,2 мм); 6 – КМ-4´2
с шайбовой полиэтиленовой изоляцией
Чтобы затухание, выраженное в неперах, перевести в децибелы, число неперов нужно умножить на коэффициент 8,686. Для обратного перевода в неперы число децибелов умножают на коэффициент 0,1151.
Затухание зависит в основном от активного сопротивления линии. Графики, представленные на рис. 6.2, иллюстрируют сказанное и одновременно подчеркивают сильную зависимость затухания воздушных линий от метеорологических условий. Стальные провода обладают в десятки раз большим коэффициентом затухания по сравнению с медными. Поэтому для увеличения дальности передачи необходимо применять провода с малым удельным сопротивлением или в линиях со стальными проводами более часто включать промежуточные усилительные станции. Например, при передаче по стальным проводам требуется примерно в 10 раз больше усилителей, чем при передаче по медным проводам.
Из тех же графиков следует, что кабельные линии с медным проводником обладают большим затуханием из-за меньших диаметров жил. Для снижения затухания используют кабели с повышенной индуктивностью. Это достигается включением дополнительных катушек индуктивности (пупинизация), либо обматыванием кабеля стальной проволокой или лентой (краруповская обмотка). Однако одновременно со снижением затухания уменьшается и наивысшая допустимая частота спектра передаваемых сигналов.
При расчетах линий связи часто пользуются не абсолютными значениями мощности сигналов, выраженными в ваттах, а их относительными значениями, выраженными в логарифмических единицах – абсолютных уровнях. Под абсолютным уровнем понимают уровень (Нп), определяемый из соотношения
(6.10)
где Р – мощность передаваемого сигнала;
P 0 – нулевой уровень, мощность которого принята равной 1 мВт.
Абсолютный уровень может быть как положительным (Р >1 мВт), так и отрицательным (Р <1 мВт). Абсолютный уровень (Нп) можно выразить и напряжением сигнала:
(6.11)
где U 0 – напряжение нулевого уровня.
Для цепей с волновым сопротивлением 600 Ом напряжение U 0 =0,775 В. Введено понятие тока нулевого уровня I 0=1,29 мА.
В табл. 6.3 даны соотношения между уровнями мощности, напряжения и тока.
Таблица 6.3
Соотношения уровней при Z в=600 Ом
| Уровень, Нп | Мощность, Вт | Напряжение, В | Ток, мА |
| +4,0 | 2,98 | 42,3 | 70,4 |
| +3,0 | 0,4 | 15,6 | 25,9 |
| +2,0 | 0,05 | 5,7 | 9,5 |
| +1,0 | 0,007 | 2,1 | 3,5 |
| 0,0 | 0,001 | 0,775 | 1,29 |
| -1,0 | 0,13·10-3 | 285·10-3 | 0,48 |
| -2,0 | 0,02·10-3 | 105·10-3 | 0,18 |
| -3,0 | 0,002·10-3 | 39·10-3 | 0,06 |
| -4,0 | 0,3·10-6 | 14·10-3 | 0,02 |
Понятие уровня в неперах широко используют в телефонии. Так, если при нормальной громкости разговора телефонный аппарат развивает в начале линии мощность 1 мВт на сопротивлении 600 Ом, то качество слышимости оценивают как весьма отличное, при этом затухание между передающим и приемным аппаратами a=0 Нп. При затухании a=1 Нп качество слышимости считают отличным, при a=2,0 Нп – хорошим, при a=3,0 Нп – достаточным, при a=4,0 Нп – недостаточным и только при a=5,0 Нп слышимость считают неудовлетворительной.
6.3. КАНАЛЫ СВЯЗИ ПО ЛИНИЯМ ЭЛЕКТРОПЕРЕДАЧ
Использование линий электроснабжения для передачи телемеханических сигналов имеет ряд преимуществ, обусловленных тем, что эти линии обладают высокой механической прочностью, хорошей изоляцией, легкостью обслуживания, а также тем, что их направление обычно совпадает с направлением передачи сигналов телемеханики. Линии электропередач (ЛЭП) позволяют экономить значительные средства при прокладке специальных линий для телемеханики несмотря на то, что использование линий электропередачи для передачи телемеханических сигналов связано с рядом трудностей.
Главнейшей из них является необходимость передачи высокочастотного телемеханического сигнала. С этой целью применяется так называемая высокочастотная обработка линии, которая реализуется с применением специальной аппаратуры. Она применяется для присоединения телемеханических устройств к линиям, находящимся под высоким напряжением, и для снижения затухания токов высокой частоты при прохождении их через оборудование высокого напряжения (выключатели, трансформаторы, разъединители), обладающее низким сопротивлением.
Линии электроснабжения, применяемые для передачи телемеханических сигналов, подразделяют на высоковольтные линии электропередачи (ВЛ) и промышленные или распределительные силовые сети (РСС) с напряжением 380 В.
Каналы связи по высоковольтным линиям. Высоковольтные линии используются для передачи телемеханических сигналов контроля и управления объектами в энергосистемах. В связи с большим уровнем помех в ВЛ передача осуществляется на частотах 35 ÷ 500 кГц с достаточно большой мощностью сигналов (до 10 Вт). Повышенный уровень помех в ВЛ объясняется тем, что к помехам, свойственным обычным воздушным линиям связи, здесь добавляются специфические электрические помехи во всем спектре высоких частот. Эти помехи обусловливаются коронированием проводов (электрические разряды в воздухе вблизи поверхности проводов из-за высокого напряжения), разрядами на поверхности изоляторов, включением и отключением линии и высоковольтного оборудования и т.п. Иней и гололед увеличивают коэффициент затухания. Например, при толщине слоя льда 1 см на частоте 100 кГц затухание увеличивается примерно вдвое для линий напряжением 110 и 220 кВ (с 10 до 20 мНп/км).
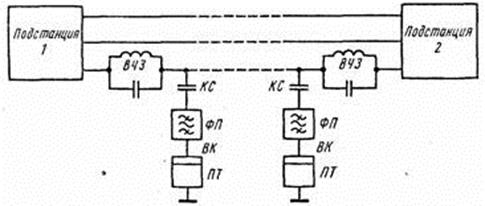
Наиболее распространенной схемой подключения аппаратуры телемеханики к высоковольтной линии является схема «фаза – земля», в которой передача сообщений телемеханики происходит по одному проводу (одной фазе) и общей шине (земле) (рис. 6.3).

Рис. 6.3. Схема «фаза – земля» для передачи
телемеханических сигналов по высоковольтной линии:
ВЧЗ – высокочастотная защита, КС – конденсатор связи, ФП – фильтр подключения,
ВК – высокочастотный кабель, ПТ – пункт телемеханики
Пункт телемеханики ПТ соединяется с ВЛ высокочастотным кабелем ВК. Чтобы исключить влияние высокого напряжения линии на аппаратуру телемеханики, ПТ отделяется от ВЛ конденсаторами связи КС (для ВЛ напряжением 110 кВ емкость КС равна 2200 пкФ), которые представляют большое сопротивление для переменного тока частотой 50 Гц, передаваемого по ВЛ, и малое сопротивление для высокочастотных сигналов телемеханики.
Фильтр присоединения ФП и конденсатор связи КС составляют полосовой фильтр, настроенный на передающую частоту сигналов телемеханики. Высокочастотный заградитель ВЧЗ предотвращает протекание токов высокой частоты, на которых передаются сигналы телемеханики, в сторону подстанций 1 и 2. Для частоты переменного тока 50 Гц его сопротивление незначительно.
Для увеличения помехоустойчивости применяют обработку ВЛ по схеме «фаза – фаза». Эта схема получается из схемы, изображенной на рис. 6.3, путём подключения второго выхода цепи с пункта телемеханики ПТ вместо «земли» ко второй фазе высоковольтной линии.
Повышение помехоустойчивости достигается тем, что помехи в линии связи наводятся на обе фазы одновременно, как правило, одной и той же величины и с одним и тем же знаком. Рассматривая общую цепь передачи телемеханического сигнала, в которой источником сигнала является пункт телемеханики, нетрудно видеть, что помехи в двух фазах включены в общей цепи встречно, поэтому они взаимно компенсируются и результирующая наводка существенно снижается.
Недостатком схемы подключения «фаза – фаза» является удвоение аппаратуры для обработки высокочастотного телемеханического сигнала.
Каналы телемеханики по распределительным силовым сетям.
Распределительные силовые сети (РСС) имеют широкое распространение и используются непосредственно для подведения энергии к потребителям. Поэтому имеется принципиальная возможность их использования для передачи телемеханических сигналов, особенно там, дополнительная прокладка проводных линий связи затруднительна и дорогостояща. Применение РСС упрощает решение таких задач, как переключение счетчиков электроэнергии с дневного тарифа на ночной, передача сигналов пожарной тревоги, включение уличного освещения и т.п., причем, как правило, передаётся только командная информация.
Каналы по РСС характеризуются трудностью их обработки и сравнительно высоким уровнем помех. Эти особенности вытекают из того, что к РСС присоединяется большое количество нагрузок, места подключения которых меняются. Нагрузки обычно шунтируют сигналы телемеханики, а обработка каждой нагрузки соответствующими фильтрами и высокочастотными заградителями, аналогичная соответствующей обработке на ВЛ, достаточно дорогостоящая и трудоемкая.
Если сигналы на РСС не обрабатывать, то для передачи сигналов сообщений требуется большая мощность. Например, для передачи телефонных сигналов потребуется мощность порядка 1 кВт.
Снизить мощность входного сигнала до нескольких ватт можно путём использования узкой полосы частот, например, порядка 10 Гц, при этом достаточно выполнить лишь ограниченную обработку РСС или даже обойтись без нее.
Недостатком такого способа уменьшения мощности сигнала является снижение быстродействия передачи, передача команд осуществляется в течение десятых долей секунды, а не миллисекунды.
Передача телемеханических сигналов осуществляется и на высоких частотах. С увеличением частоты уровень помех уменьшается, причем в сетях напряжением 380 В уровень помех выше, чем в более высоковольтных сетях. Кроме того, с повышением частоты телемеханического сигнала увеличивается его затухание.
Уменьшение уровня помех и рост затухания сигнала с повышением частоты происходят неравномерно, вследствие чего оптимальный диапазон частот для передачи может также изменяться. Конфигурации РСС, их длина, количество и характер нагрузок могут изменить оптимальный диапазон частот, в котором следует производить передачу телемеханических сигналов. Для его определения необходимо конкретное измерение параметров данной РСС.
6.4. КАНАЛЫ СВЯЗИ ПО РАДИО
Радиосвязь для передачи телемеханических сообщений используют в первую очередь для объектов, с которыми невозможна проводная связь. Сюда следует отнести космические корабли, спутники, ракеты, самолеты. Сюда же относятся движущиеся промышленные объекты, например, электровозы, подъёмные краны, грузовые тележки и т.п.
Телемеханизация подъёмных кранов, грузовых тележек связана с улучшением условий труда операторов этих средств, когда они находятся вне этих средств и управляют их работой.
Частотные диапазоны, в которых осуществляется передача различной информации, включая радиовещание, телевидение, телефонную и телеграфную связь, телемеханические и другие сообщения, указаны в табл. 6.4 (ГОСТ 24.375-80).
Таблица 6.4