История развития конструкций ЭС.
Началом радиотехники в современном понимании этого слова является день 7 мая 1895 г., когда русский физик Александр Степанович Попов (1859-1906) продемонстрировал изобретенный им беспроволочный телеграф, положивший начало радиосвязи.
Дальность связи вначале была невелика - около 250 м, однако уже в 1897 г. удалось передать радиограмму на расстояние 5 км, а к 1899 г. - до 45 км, что весьма внушительно для техники тех времен.
В радиопередатчике Попова использовался единственно известный в то время принцип получения колебаний высокой частоты - с помощью искрового разряда. Отсюда название таких передатчиков - искровые. Упрощенная схема радиопередатчика приведена на рисунке 2.

Рисунок 2 - Структурная схема радиопередатчика А.С. Попова
Процесс излучения энергии происходит в передатчике не непрерывно. Каждый пробой искрового промежутка в антенне приводит к возникновению быстрозатухающих колебаний, т.к. антенный контур имеет малую добротность. Подобный колебательный контур состоит из распределенных индуктивности проволоки антенны (для длины антенны до 1 мLA~10...100 нГн) и ее емкости (CA~10...50 пФ). Это значит, что максимальная частота излучаемых в пространство колебаний была порядка
|
|
|

Этот факт весьма интересен, потому что, как видим, заря радиотехники начиналась именно с диапазона СВЧ. Антенна в этом случае служит не только элементом, излучающим ЭМ энергию, но и элементом, определяющим частоту излучаемого процесса колебаний. Для увеличения дальности радиосвязи А.С. Попов предложил поднять как передающую, так и приемную антенны на значительные высоты.
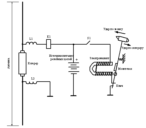
Приемник Попова изображен на рисунке 3.

Рисунок 3 Схема релейного приемника А.С. Попова
Для конца XIX века приемник Попова был весьма чувствительным и удобным устройством приема и регистрации ЭМ волн. Ничтожная энергия ЭМ волн принималась не непосредственно (как, например, для возбуждения искры в опытах Герца), а для управления включением местного источника энергии, который и питает регистрирующий прибор.
Когерер представляет собой стеклянную трубку, в которой помещены металлические опилки. На концы трубки надеты металлические колпаки, имеющие хорошее соприкосновение с опилками. К обоим концам когерера припаяны проводники - плечи приемной антенны. Антенна представляет линейный вибратор, настроенный в резонанс с частотой принимаемой ЭМ волной.
Приходящая ЭМ волна, создавая в когерере переменные токи высокой частоты, вызывает проскакивание между опилками мельчайших искр, которые сваривают опилки друг с другом. При этом сопротивление когерера резко уменьшается и он замыкает цепь батареи, пропуская ток через обмотки реле К1. В результате контакт S1 замыкается, и через него, в свою очередь, проходит ток по обмотке электромагнита. Последний притягивает молоточек, тот ударяет по звонку и разрывает цепь питания электромагнита. Возвращаясь в исходное состояние с помощью пружины, молоточек ударяет другим, прорезиненным концом по когереру, в результате чего его сопротивление становится очень большим, т.к. контакты между опилками разрушаются. После этого, как приемная часть (по схеме слева от батареи), так регистрирующая часть (справа от батареи) готовы к приему следующего ЭМ импульса.
|
|
|
Как видим, приведенное устройство является довольно сложной системой с обратной связью. Дросселя L1 и L2 необходимы для исключения прохождения токов высокой частоты через цепи собственно приемника, иначе добротность антенны уменьшится и упадет чувствительность приемника.
Конструирование ЭС началось одновременно с изобретением радио. Общая конструкция аппаратуры беспроволочного телеграфа первые десятилетия не отличалась от телеграфной аппаратуры тех лет. Соединения осуществлялись с помощью проволоки, клемм и винтов. Основой конструкции служил деревянный ящик, внутри которого на стенках размещались необходимые составные части.
С изобретением электронной лампы и увеличением коэффициентов усиления каскадов возросла роль экранирования. В конце 20-х годов прошлого века вместо деревянного появилось металлическое основание (шасси), что улучшило экранирование. В начале 30-х годов в телефонии стали использовать усилители, состоящие из блоков, размещаемых в вертикальных стойках. Такая конструкция была первым носителем идеи расчленения сложной аппаратуры на простые составные части (узлы или модули). Сформировалась иерархическая структура конструкции. Внедрение пайки вместо винтовых соединений упростило конструкцию монтажного соединения и снизило трудоемкость сборки.
С начала 40-х годов ЭС из помещений выходят в полевые условия. Их устанавливают на самолетах, в танках, на автомашинах. От работоспособности аппаратуры часто зависел исход военных операций. Обеспече6ние работоспособности и высокой надежности ЭС в трудных условиях эксплуатации легло на плечи конструкторов и технологов.
Конструкции 1 поколения ЭС имели простую схему электрическую принципиальную на дискретных электрорадиоэлементах с электровакуумными приборами в качестве активных элементов. Конструкции выполнялись в виде моноблоков, когда на шасси размещались крупногабаритные элементы конструкции, а в подвале шасси – электромонтаж навесным проводом. Органы управления и отображения информации выносились на переднюю панель. Конструкция помещалась в кожух.
В дальнейшем схема электрическая принципиальная усложняется. Появляются устройства широкого функционального разнообразия, которые могут быть помехочувствительными и помехонесущими. Появился функционально-узловой метод конструирования, когда схема и конструкция расчленились на конструктивно обособленные составляющие. Это обеспечило возможность пространственного разнесения и компоновки, кроме того, возможность специализации производства.
Изделия специализированного производства с хорошими функциональными характеристиками унифицировались и получали широкое применение, как модули конструкции. Появился модульный метод конструирования.
Использование ЭС в различных сферах деятельности человека существенно усложнило условия эксплуатации. Аппаратура должна быть вибро- и ударозащищённой, влагозащищённой, теплоустойчивой. Возникла проблема охлаждения. Уменьшать габариты плотной компоновкой не представлялось возможным.
Подвижные объекты требовали минимизации габаритов и массы конструкции. Объекты назначения требовали обеспечить вибро- и ударопрочность, герметичность, влагостойкость. Решить задачу минимизации габаритов плотной компоновкой было нельзя, так как увеличилась отводимаямощность, и не обеспечивался тепловой режим работы. Поэтому необходимо было уменьшить тепловые потери в конструкции и, прежде всего от радиоламп. Тогда стали использовать миниатюрные радиолампы (типа жёлудь) с гибкими выводами, которые позволяли уменьшить габариты, но усложнялась проблема электромонтажа.
|
|
|
Появилась необходимость в жёстком компактном электромонтаже, который должен быть высоко технологичным (т.е. исключать ошибки монтажа и возможность автоматизации). Был предложен печатный монтаж, появились печатные платы как элементы электрического монтажа и элементы конструкции. Печатный монтаж позволил существенно уменьшить габариты конструкции, однако осталась проблема теплоотвода.
В 1948-49 гг. появились полупроводниковые приборы, которые во многих конструкциях заменили радиолампы. Уменьшилось энергопотребление и потери. Появилась аппаратура 2-го поколения с элементной базой из дискретных элементов и полупроводниковых приборов. Вид монтажа печатный. Конструктивно законченным узлом явилась ячейка.
Недостатки конструкций 2-го поколения:
1. В случае сложной схемы электрической принципиальной, содержащей большое количество элементов и проводов соединения, конструкция получается крупногабаритной.
2. Конструкции предполагали большой объём ручной работы на сборке и электромонтаже, т.е. были не технологичны.
3. Остро стояла проблема локального охлаждения мощных транзисторов, когда радиаторы были соизмеримы с несущими конструкциями аппаратуры.