4.1 D - триггером называется элементарный автомат, описываемый функцией переходов Q(t+1) = D(t+1).
Состояние автомата в момент (t+1) независимо от его предыдущего состояния в момент t принимает значение входной переменной в момент (t+1). Функциональное назначение автомата D-типа состоит в реализации задержки сигнала на один такт.

4.2 Таблица переходов D - триггера:
| Qt | D | Qt+1 | Комментарий |
| Состояние сохраняется | |||
| Установка «1» | |||
| Подтверждает «1» | |||
| Установка «0» |
Для синхронного триггера:

Условие установки «1»:
S = C×D
Условие установки «0»:

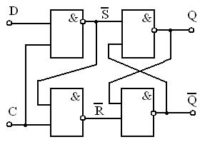
4.3 Схемы D - триггеров:
а) Схема асинхронного триггера на элементах или-не:

б) Схема синхронного на элементах и-не триггера:

4.4 Таблица переходов синхронного D - триггера:
| Q(t) | Q(t+1) | |||
| DC | ||||
4.5 D - триггер - защелка типа К155TM5 или K155TM7 («прозрачный», тактируемый длительностью импульса С)


4.6 D - триггер синхронный типа 1533 ТМ2, 155 ТМ2 (тактируемый фронтом
сигнала С)
|
|
|
4.6.1 Обычный режим (без обратной связи)
| R | S | D | C | Qt | Qt+1 | |
| * | * | 0 или1 | ||||
| * | * | 0 или1 | ||||
| * | * | 0 или1 | 0 или 1 | Зависит от того, кто приходит первым | ||
| 0 или1 | |||||
| 0 или1 |
Для получения счетного режима выход
соединяют с входом D, а на вход С подают счетные (тактовые) импульсы.
| № имп. С | R | S | С | | Qn+1 | | |
| |||||||
| |||||||
| |||||||
|
4.6.2 Счетный режим (Т-триггер)