Триггер - это устройство последовательного типа с двумя устойчивыми состояниями равновесия, предназначенное для записи и хранения информации. Под действием входных сигналов триггер может переключаться из одного устойчивого состояния в другое. При этом напряжение на его выходе скачкообразно изменяется.
Как правило, триггер имеет два выхода: прямой и инверсный. Число входов зависит от структуры и функций, выполняемых триггером. По способу записи информации триггеры делят на асинхронные и синхронизируемые (тактируемые). В асинхронных триггерах информация может записываться непрерывно и определяется информационными сигналами, действующими на входах в данный момент времени. Если информация заносится в триггер только в момент действия так называемого синхронизирующего сигнала, то такой триггер называют синхронизируемым или тактируемым. Помимо информационных входов тактируемые триггеры имеют тактовый вход вход синхронизации. В цифровой технике приняты следующие обозначения входов триггеров:
|
|
|
S - раздельный вход установки в единичное состояние (напряжение высокого уровня на прямом выходе Q);
R - раздельный вход установки в нулевое состояние (напряжение низкого уровня на прямом выходе Q);
D - информационный вход (на него подается информация, предназначенная для занесения в триггер);
C - вход синхронизации;
Т - счетный вход.
Наибольшее распространение в цифровых устройствах получили RS-триггер с двумя установочными входами, тактируемый D-триггер и счетный Т-триггер. Рассмотрим функциональные возможности каждого из них.
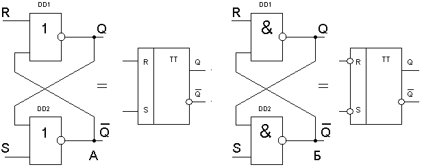
Асинхронный RS-триггер. В зависимости от логической структуры различают RS-триггеры с прямыми и инверсными входами. Их схемы и условные обозначения приведены на рисунке. Триггеры такого типа построены на двух логических элементах 2ИЛИ-НЕ - триггер с прямыми входами (А), 2И-НЕ - триггер с инверсными входами (Б).

Рисунок 27-Асинхронный RS-триггер
Выход каждого из элементов подключен к одному из входов другого элемента. Здесь приведены таблицы истинности для каждого из этих триггеров
| S | R | Qt | -Qt | Qt+1 | -Qt+1 | S | R | Qt | -Qt | Qt+1 | -Qt+1 | |
| * | * | |||||||||||
| * | * | |||||||||||
| * | * | |||||||||||
| * | * |
В таблицах (Qt и -Qt обозначают уровни, которые были на выходах триггера до подачи на его входы так называемых активных уровней. Активным. называют логический уровень, действующий на входе логического элемента и однозначно определяющий логический уровень выходного сигнала (независима от логических уровней, действующих на остальных входах). Для элементов ИЛИ-НЕ за активный уровень принимают высокий уровень, а для элементов И-НЕ - низкий уровень. Уровни, подача которых на один из входов не приводит к изменению логического уровня на выходе элемента, называют пассивными. Уровни Qt+1 и -Qt+1 обозначают логические уровни на выходах Триггера после подачи информации на его входы.
|
|
|
Для триггера с прямыми входами Qt+1=1 при S=1 и R=0; Qt+1=0 при S=0 и R=1; Qt+1= Qt при S=0 и R=0. При R=S=1 состояние триггера будет неопределенным, так как во время действия информационных сигналов логические уровни на выходах триггера одинаковы (Qt+1=-Qt+1=0), а после окончания их действия триггер может равновероятно принять любое из устойчивых состояний. Поэтому комбинация R=S=1 является запрещенной (и может вывести триггер из строя).
Режим S=1, R=0 называют режимом записи 1 (так как Qt+1=1); режим S=0 и R=1 - режимом записи 0. Режим S=0, R=0 называется режимом хранения информации, так как информация на выходе остается неизменной. Для триггера с инверсными входами режим записи логической 1 реализуется при -S=0, -R=1, режим записи логического 0 - при -S=1, -R=0. При -S=-R=1 обеспечивается хранение информации. Комбинация S=R=0 является запрещенной.
Следует, однако, отметить, что самостоятельно RS-триггеры в устройствах цифровой техники практически не используются из-за их низкой помехоустойчивости
Тактируемый D-триггер. Он имеет информационный выход и вход синхронизации. Одна из возможных структурных схем однотактного D-триггера и его условное обозначение показаны на рисунке 28.

Рисунок 28-тактируемый D-триггер
Если уровень сигнала на входе C= 0, состояние триггера устойчиво и не зависит от уровня сигнала на информационном входе. При этом на входы RS-триггера с инверсными входами (элементы 3 и 4) поступают пассивные уровни (-S=-R=1). При подаче на вход синхронизации уровня С=1 информация на прямом выходе будет повторять информацию, подаваемую на вход D. Таким образом, при C=0 Qt+1=Qt, C=1 Qt+1=D. Таблица истинности тактируемого D-триггера имеет вид:
| D | C | Qt+1 |
Здесь Qt означает логический уровень на прямом выходе до подачи импульса синхронизации, а Qt+1 - логический уровень на этом выходе после подачи импульса синхронизации.
На рисунке 29 изображены временные диаграммы тактируемого D-триггера. В таком триггере происходит задержка сигнала на выходе по отношению к сигналу, поданному на вход. на время паузы между синхросигналами. Для устойчивой работы триггера необходимо, чтобы в течение синхроимпульса информация на входе была неизменной.
Тактируемые D-триггеры могут быть с потенциальным и динамическим управлением. У первых из них информация записывается в течение времени, при котором уровень сигнала С=1. В триггерах с динамическим управлением информация записывается только в течение перепада напряжения на входе синхронизации. Динамические входы изображают на схемах треугольником. Если вершина треугольника обращена в сторону микросхемы, то триггер срабатывает по фронту входного импульса, если от нее - по срезу. Еще в схемах вы встретите / и обозначения первое соответственно фронт второе спад. В таком триггере информация на входе может быть задержана на один такт по отношению к входной информации.

Рисунок 29-Временные диаграммы тактируемого D-триггера
T-триггер — это счетный триггер. У данного триггера имеется только один вход. Принцип работы T-триггера заключается в следующем. После поступления на вход T импульса, состояние триггера меняется на прямо противоположное. Счётным он называется потому, что T триггер как бы подсчитывает количество импульсов, поступивших на его вход. Жаль только, что считать этот триггер умеет только до одного. При поступлении второго импульса T-триггер снова сбрасывается в исходное состояние.
|
|
|
T-триггеры строятся только на базе двухступенчатых триггеров, подобных рассмотренному ранее D триггеру. Использование двух триггеров позволяет избежать неопределенного состояния схемы при разрешающем потенциале на входе синхронизации "C", так как счетные триггеры строятся при помощи схем с обратной связью
T триггер можно синтезировать из любого двухступенчатого триггера. Рассмотрим пример синтеза T триггера из динамического D триггера. Для того чтобы превратить D триггер в счётный, необходимо ввести цепь обратной связи с инверсного выхода этого триггера на вход, как показано на рисунке 1.
Рисунок 30- Схема T триггера, построенная на основе D триггера
Временная диаграмма T триггера приведена на рисунке 31. При построении этой временной диаграммы был использован триггер, работающий по заднему фронту синхронизирующего сигнала.
Рисунок 31- Временные диаграммы T триггера
Т-триггеры используются при построении схем различных счётчиков, поэтому в составе БИС различного назначения обычно есть готовые модули этих триггеров. Условно-графическое обозначение T триггера приведено на рисунке 32.
Рисунок 32- Условно-графическое обозначение T триггера
Существует еще одно представление T триггера. При разработке схем синхронных двоичных счетчиков важно осуществлять одновременную запись во все его триггеры. В этом случае вход T триггера служит только для разрешения изменения состояния на противоположное, а синхронизация производится отдельным входом "C". Подобная схема T триггера приведена на рисунке 33.
Рисунок 33- Схема синхронного T триггера, построенная на основе D триггера
Подобная схема счетного триггера может быть реализована и на JK триггере. Временная диаграмма синхронного T триггера приведена на рисунке 34, а его условно-графическое обозначение — на рисунке 35.
|
|
|
Рисунок 34- Временные диаграммы синхронного T триггера
Рисунок 35- Условно-графическое обозначение синхронного T триггера