Лекция № 12 Квантовая физика
Квантовая гипотеза Планка:
____________________________________________________________________________________________________________________________________________________________________________________________________________________________________________________________________________________________________________ ___________________________________________________________________________
ε =_____________
h = ______________________________________________
1 эВ - электронвольт, единица измерения энергии
__________________________________
__________________________________
А. Эйнштейн: свет имеет прерывистую структуру. Электромагнитная волна состоит из отдельных частиц – фотонов. Энергия ε одного фотона равна_______________________
Свойства фотонов:
энергия ____________________________________
скорость ____________________________________
импульс ____________________________________
масса покоя ________________________________________________________________
масса фотона m _____________________________________________________________
Фотоэффектом называется ____________________________________________________ ___________________________________________________________________________
Фотоэффект обнаружил _____________________________________________
экспериментально исследовал _______________________________________
объяснил _________________________________________________________
|
|
|
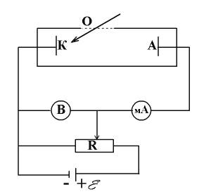
Схема установки для исследования фотоэффекта:
о - _____________________________
_____________________________________________
К –_____________________________
А – _____________________________
мА - ____________________________
В - ______________________________
R – _____________________________
- __________________________
Вольт-амперной характеристикой фотоэффекта называется _______________________ ___________________________________________________________________________

Вольт-амперная характеристика
фотоэффекта
При положительном напряжении ________________
При отрицательном напряжении __________________
Запирающим напряжением Uз называется _______________________________________ ___________________________________________________________________________
Запирающее напряжение Uз связано с максимальной кинетической энергией фотоэлектронов Ek(max) соотношением_______________________________________






